|
|
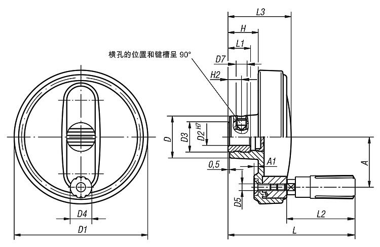
产品说明材料:热塑性塑料手轮主体和把手。
轮毂和钢制把手轴强度等级 5.8 或不锈钢 1.4404。 规格:黑灰色热塑性塑料。 钢制部件经过黑色氧化处理。 亮色不锈钢。提示:轮毂盖和可旋转的圆柱形手柄并未安装。安装时,必须将手柄轴拧入安装孔中。 手轮可通过十字销钉或者用圆柱头螺钉 DIN 6912 和垫圈 DIN 7349 轴向通过键槽连接固定在轴上面。 如果是带横孔的规格,则要通过旋入的埋头螺栓 ISO 4027 (DIN 914) 进行固定。 特点: 下载此处为收集信息的 PDF:
查找 CAD 数据?请直接在产品列表中查找。
|
| 订货号 | 类型 1 | 类型 2 | 材料 | D | D1 | D2 | D3 | D4 | D5 | D7 | A | A1 | H | H2 | L | L1 | L2 | L3 | B3
| T
| CAD | 配件 | 价格 | 订购 |
|---|
| 06263-108008 | 带键槽孔 | 无横孔 | 钢制 | 25 | 80 | 8H7 | 19 | 14 | M4 | - | 30 | 2,5 | 17,6 | - | 74,6 | 13 | 40 | 36,7 | - | - |  | | 根据要求 | | | 06263-108010 | 带键槽孔 | 无横孔 | 钢制 | 25 | 80 | 10H7 | 19 | 14 | M4 | - | 30 | 2,5 | 17,6 | - | 74,6 | 13 | 40 | 36,7 | - | - |  | | 根据要求 | | | 06263-108012 | 带键槽孔 | 无横孔 | 钢制 | 25 | 80 | 12H7 | 19 | 14 | M4 | - | 30 | 2,5 | 17,6 | - | 74,6 | 13 | 40 | 36,7 | - | - |  | | 根据要求 | | | 06263-210010 | 带键槽孔 | 无横孔 | 钢制 | 28 | 100 | 10H7 | 19 | 16 | M5 | - | 38 | 3 | 20,1 | - | 90,2 | 13 | 49,1 | 43,5 | - | - |  | | 根据要求 | | | 06263-210012 | 带键槽孔 | 无横孔 | 钢制 | 28 | 100 | 12H7 | 19 | 16 | M5 | - | 38 | 3 | 20,1 | - | 90,2 | 13 | 49,1 | 43,5 | - | - |  | | 根据要求 | | | 06263-312512 | 带键槽孔 | 无横孔 | 钢制 | 35 | 125 | 12H7 | 25 | 20 | M6 | - | 47,5 | 4 | 23,3 | - | 110,7 | 18,5 | 61,4 | 52,1 | - | - |  | | 根据要求 | | | 06263-312514 | 带键槽孔 | 无横孔 | 钢制 | 35 | 125 | 14H7 | 25 | 20 | M6 | - | 47,5 | 4 | 23,3 | - | 110,7 | 18,5 | 61,4 | 52,1 | - | - |  | | 根据要求 | | | 06263-312516 | 带键槽孔 | 无横孔 | 钢制 | 35 | 125 | 16H7 | 25 | 20 | M6 | - | 47,5 | 4 | 23,3 | - | 110,7 | 18,5 | 61,4 | 52,1 | - | - |  | | 根据要求 | | | 06263-416014 | 带键槽孔 | 无横孔 | 钢制 | 45 | 160 | 14H7 | 25 | 25 | M8 | - | 62 | 5,6 | 28 | - | 143 | 18,5 | 82,5 | 63,8 | - | - |  | | 根据要求 | | | 06263-416016 | 带键槽孔 | 无横孔 | 钢制 | 45 | 160 | 16H7 | 25 | 25 | M8 | - | 62 | 5,6 | 28 | - | 143 | 18,5 | 82,5 | 63,8 | - | - |  | | 根据要求 | | | 06263-10800802 | 带开槽的定位孔 | 无横孔 | 钢制 | 25 | 80 | 8H7 | 19 | 14 | M4 | - | 30 | 2,5 | 17,6 | - | 74,6 | 13 | 40 | 36,7 | 2 | 9 |  | | 根据要求 | | | 06263-10801003 | 带开槽的定位孔 | 无横孔 | 钢制 | 25 | 80 | 10H7 | 19 | 14 | M4 | - | 30 | 2,5 | 17,6 | - | 74,6 | 13 | 40 | 36,7 | 3 | 11,4 |  | | 根据要求 | | | 06263-10801204 | 带开槽的定位孔 | 无横孔 | 钢制 | 25 | 80 | 12H7 | 19 | 14 | M4 | - | 30 | 2,5 | 17,6 | - | 74,6 | 13 | 40 | 36,7 | 4 | 13,8 |  | | 根据要求 | | | 06263-21001003 | 带开槽的定位孔 | 无横孔 | 钢制 | 28 | 100 | 10H7 | 19 | 16 | M5 | - | 38 | 3 | 20,1 | - | 90,2 | 13 | 49,1 | 43,5 | 3 | 11,4 |  | | 根据要求 | | | 06263-21001204 | 带开槽的定位孔 | 无横孔 | 钢制 | 28 | 100 | 12H7 | 19 | 16 | M5 | - | 38 | 3 | 20,1 | - | 90,2 | 13 | 49,1 | 43,5 | 4 | 13,8 |  | | 根据要求 | | | 06263-31251204 | 带开槽的定位孔 | 无横孔 | 钢制 | 35 | 125 | 12H7 | 25 | 20 | M6 | - | 47,5 | 4 | 23,3 | - | 110,7 | 18,5 | 61,4 | 52,1 | 4 | 13,8 |  | | 根据要求 | | | 06263-31251405 | 带开槽的定位孔 | 无横孔 | 钢制 | 35 | 125 | 14H7 | 25 | 20 | M6 | - | 47,5 | 4 | 23,3 | - | 110,7 | 18,5 | 61,4 | 52,1 | 5 | 16,3 |  | | 根据要求 | | | 06263-31251605 | 带开槽的定位孔 | 无横孔 | 钢制 | 35 | 125 | 16H7 | 25 | 20 | M6 | - | 47,5 | 4 | 23,3 | - | 110,7 | 18,5 | 61,4 | 52,1 | 5 | 18,3 |  | | 根据要求 | | | 06263-41601405 | 带开槽的定位孔 | 无横孔 | 钢制 | 45 | 160 | 14H7 | 25 | 25 | M8 | - | 62 | 5,6 | 28 | - | 143 | 18,5 | 82,5 | 63,8 | 5 | 16,3 |  | | 根据要求 | | | 06263-41601605 | 带开槽的定位孔 | 无横孔 | 钢制 | 45 | 160 | 16H7 | 25 | 25 | M8 | - | 62 | 5,6 | 28 | - | 143 | 18,5 | 82,5 | 63,8 | 5 | 18,3 |  | | 根据要求 | | | 06263-1080086 | 带键槽孔 | 带横孔 | 钢制 | 25 | 80 | 8H7 | 19 | 14 | M4 | M6 | 30 | 2,5 | 17,6 | 7,5 | 74,6 | 13 | 40 | 36,7 | - | - |  | | 根据要求 | | | 06263-1080106 | 带键槽孔 | 带横孔 | 钢制 | 25 | 80 | 10H7 | 19 | 14 | M4 | M6 | 30 | 2,5 | 17,6 | 7,5 | 74,6 | 13 | 40 | 36,7 | - | - |  | | 根据要求 | | | 06263-1080126 | 带键槽孔 | 带横孔 | 钢制 | 25 | 80 | 12H7 | 19 | 14 | M4 | M6 | 30 | 2,5 | 17,6 | 7,5 | 74,6 | 13 | 40 | 36,7 | - | - |  | | 根据要求 | | | 06263-2100106 | 带键槽孔 | 带横孔 | 钢制 | 28 | 100 | 10H7 | 19 | 16 | M5 | M6 | 38 | 3 | 20,1 | 7,5 | 90,2 | 13 | 49,1 | 43,5 | - | - |  | | 根据要求 | | | 06263-2100126 | 带键槽孔 | 带横孔 | 钢制 | 28 | 100 | 12H7 | 19 | 16 | M5 | M6 | 38 | 3 | 20,1 | 7,5 | 90,2 | 13 | 49,1 | 43,5 | - | - |  | | 根据要求 | | | 06263-3125126 | 带键槽孔 | 带横孔 | 钢制 | 35 | 125 | 12H7 | 25 | 20 | M6 | M6 | 47,5 | 4 | 23,3 | 7,5 | 110,7 | 18,5 | 61,4 | 52,1 | - | - |  | | 根据要求 | | | 06263-3125146 | 带键槽孔 | 带横孔 | 钢制 | 35 | 125 | 14H7 | 25 | 20 | M6 | M6 | 47,5 | 4 | 23,3 | 7,5 | 110,7 | 18,5 | 61,4 | 52,1 | - | - |  | | 根据要求 | | | 06263-3125166 | 带键槽孔 | 带横孔 | 钢制 | 35 | 125 | 16H7 | 25 | 20 | M6 | M6 | 47,5 | 4 | 23,3 | 7,5 | 110,7 | 18,5 | 61,4 | 52,1 | - | - |  | | 根据要求 | | | 06263-4160146 | 带键槽孔 | 带横孔 | 钢制 | 45 | 160 | 14H7 | 25 | 25 | M8 | M6 | 62 | 5,6 | 28 | 7,5 | 143 | 18,5 | 82,5 | 63,8 | - | - |  | | 根据要求 | | | 06263-4160166 | 带键槽孔 | 带横孔 | 钢制 | 45 | 160 | 16H7 | 25 | 25 | M8 | M6 | 62 | 5,6 | 28 | 7,5 | 143 | 18,5 | 82,5 | 63,8 | - | - |  | | 根据要求 | | | 06263-108008026 | 带开槽的定位孔 | 带横孔 | 钢制 | 25 | 80 | 8H7 | 19 | 14 | M4 | M6 | 30 | 2,5 | 17,6 | 7,5 | 74,6 | 13 | 40 | 36,7 | 2 | 9 |  | | 根据要求 | | | 06263-108010036 | 带开槽的定位孔 | 带横孔 | 钢制 | 25 | 80 | 10H7 | 19 | 14 | M4 | M6 | 30 | 2,5 | 17,6 | 7,5 | 74,6 | 13 | 40 | 36,7 | 3 | 11,4 |  | | 根据要求 | | | 06263-108012046 | 带开槽的定位孔 | 带横孔 | 钢制 | 25 | 80 | 12H7 | 19 | 14 | M4 | M6 | 30 | 2,5 | 17,6 | 7,5 | 74,6 | 13 | 40 | 36,7 | 4 | 13,8 |  | | 根据要求 | | | 06263-210010036 | 带开槽的定位孔 | 带横孔 | 钢制 | 28 | 100 | 10H7 | 19 | 16 | M5 | M6 | 38 | 3 | 20,1 | 7,5 | 90,2 | 13 | 49,1 | 43,5 | 3 | 11,4 |  | | 根据要求 | | | 06263-210012046 | 带开槽的定位孔 | 带横孔 | 钢制 | 28 | 100 | 12H7 | 19 | 16 | M5 | M6 | 38 | 3 | 20,1 | 7,5 | 90,2 | 13 | 49,1 | 43,5 | 4 | 13,8 |  | | 根据要求 | | | 06263-312512046 | 带开槽的定位孔 | 带横孔 | 钢制 | 35 | 125 | 12H7 | 25 | 20 | M6 | M6 | 47,5 | 4 | 23,3 | 7,5 | 110,7 | 18,5 | 61,4 | 52,1 | 4 | 13,8 |  | | 根据要求 | | | 06263-312514056 | 带开槽的定位孔 | 带横孔 | 钢制 | 35 | 125 | 14H7 | 25 | 20 | M6 | M6 | 47,5 | 4 | 23,3 | 7,5 | 110,7 | 18,5 | 61,4 | 52,1 | 5 | 16,3 |  | | 根据要求 | | | 06263-312516056 | 带开槽的定位孔 | 带横孔 | 钢制 | 35 | 125 | 16H7 | 25 | 20 | M6 | M6 | 47,5 | 4 | 23,3 | 7,5 | 110,7 | 18,5 | 61,4 | 52,1 | 5 | 18,3 |  | | 根据要求 | | | 06263-416014056 | 带开槽的定位孔 | 带横孔 | 钢制 | 45 | 160 | 14H7 | 25 | 25 | M8 | M6 | 62 | 5,6 | 28 | 7,5 | 143 | 18,5 | 82,5 | 63,8 | 5 | 16,3 |  | | 根据要求 | | | 06263-416016056 | 带开槽的定位孔 | 带横孔 | 钢制 | 45 | 160 | 16H7 | 25 | 25 | M8 | M6 | 62 | 5,6 | 28 | 7,5 | 143 | 18,5 | 82,5 | 63,8 | 5 | 18,3 |  | | 根据要求 | | | 06263-0108008 | 带键槽孔 | 无横孔 | 不锈钢 | 25 | 80 | 8H7 | 19 | 14 | M4 | - | 30 | 2,5 | 17,6 | - | 74,6 | 13 | 40 | 36,7 | - | - |  | | 根据要求 | | | 06263-0108010 | 带键槽孔 | 无横孔 | 不锈钢 | 25 | 80 | 10H7 | 19 | 14 | M4 | - | 30 | 2,5 | 17,6 | - | 74,6 | 13 | 40 | 36,7 | - | - |  | | 根据要求 | | | 06263-0108012 | 带键槽孔 | 无横孔 | 不锈钢 | 25 | 80 | 12H7 | 19 | 14 | M4 | - | 30 | 2,5 | 17,6 | - | 74,6 | 13 | 40 | 36,7 | - | - |  | | 根据要求 | | | 06263-0210010 | 带键槽孔 | 无横孔 | 不锈钢 | 28 | 100 | 10H7 | 19 | 16 | M5 | - | 38 | 3 | 20,1 | - | 90,2 | 13 | 49,1 | 43,5 | - | - |  | | 根据要求 | | | 06263-0210012 | 带键槽孔 | 无横孔 | 不锈钢 | 28 | 100 | 12H7 | 19 | 16 | M5 | - | 38 | 3 | 20,1 | - | 90,2 | 13 | 49,1 | 43,5 | - | - |  | | 根据要求 | | | 06263-0312512 | 带键槽孔 | 无横孔 | 不锈钢 | 35 | 125 | 12H7 | 25 | 20 | M6 | - | 47,5 | 4 | 23,3 | - | 110,7 | 18,5 | 61,4 | 52,1 | - | - |  | | 根据要求 | | | 06263-0312514 | 带键槽孔 | 无横孔 | 不锈钢 | 35 | 125 | 14H7 | 25 | 20 | M6 | - | 47,5 | 4 | 23,3 | - | 110,7 | 18,5 | 61,4 | 52,1 | - | - |  | | 根据要求 | | | 06263-0312516 | 带键槽孔 | 无横孔 | 不锈钢 | 35 | 125 | 16H7 | 25 | 20 | M6 | - | 47,5 | 4 | 23,3 | - | 110,7 | 18,5 | 61,4 | 52,1 | - | - |  | | 根据要求 | | | 06263-0416014 | 带键槽孔 | 无横孔 | 不锈钢 | 45 | 160 | 14H7 | 25 | 25 | M8 | - | 62 | 5,6 | 28 | - | 143 | 18,5 | 82,5 | 63,8 | - | - |  | | 根据要求 | | | 06263-0416016 | 带键槽孔 | 无横孔 | 不锈钢 | 45 | 160 | 16H7 | 25 | 25 | M8 | - | 62 | 5,6 | 28 | - | 143 | 18,5 | 82,5 | 63,8 | - | - |  | | 根据要求 | | | 06263-010800802 | 带开槽的定位孔 | 无横孔 | 不锈钢 | 25 | 80 | 8H7 | 19 | 14 | M4 | - | 30 | 2,5 | 17,6 | - | 74,6 | 13 | 40 | 36,7 | 2 | 9 |  | | 根据要求 | | | 06263-010801003 | 带开槽的定位孔 | 无横孔 | 不锈钢 | 25 | 80 | 10H7 | 19 | 14 | M4 | - | 30 | 2,5 | 17,6 | - | 74,6 | 13 | 40 | 36,7 | 3 | 11,4 |  | | 根据要求 | | | 06263-010801204 | 带开槽的定位孔 | 无横孔 | 不锈钢 | 25 | 80 | 12H7 | 19 | 14 | M4 | - | 30 | 2,5 | 17,6 | - | 74,6 | 13 | 40 | 36,7 | 4 | 13,8 |  | | 根据要求 | | | 06263-021001003 | 带开槽的定位孔 | 无横孔 | 不锈钢 | 28 | 100 | 10H7 | 19 | 16 | M5 | - | 38 | 3 | 20,1 | - | 90,2 | 13 | 49,1 | 43,5 | 3 | 11,4 |  | | 根据要求 | | | 06263-021001204 | 带开槽的定位孔 | 无横孔 | 不锈钢 | 28 | 100 | 12H7 | 19 | 16 | M5 | - | 38 | 3 | 20,1 | - | 90,2 | 13 | 49,1 | 43,5 | 4 | 13,8 |  | | 根据要求 | | | 06263-031251204 | 带开槽的定位孔 | 无横孔 | 不锈钢 | 35 | 125 | 12H7 | 25 | 20 | M6 | - | 47,5 | 4 | 23,3 | - | 110,7 | 18,5 | 61,4 | 52,1 | 4 | 13,8 |  | | 根据要求 | | | 06263-031251405 | 带开槽的定位孔 | 无横孔 | 不锈钢 | 35 | 125 | 14H7 | 25 | 20 | M6 | - | 47,5 | 4 | 23,3 | - | 110,7 | 18,5 | 61,4 | 52,1 | 5 | 16,3 |  | | 根据要求 | | | 06263-031251605 | 带开槽的定位孔 | 无横孔 | 不锈钢 | 35 | 125 | 16H7 | 25 | 20 | M6 | - | 47,5 | 4 | 23,3 | - | 110,7 | 18,5 | 61,4 | 52,1 | 5 | 18,3 |  | | 根据要求 | | | 06263-041601405 | 带开槽的定位孔 | 无横孔 | 不锈钢 | 45 | 160 | 14H7 | 25 | 25 | M8 | - | 62 | 5,6 | 28 | - | 143 | 18,5 | 82,5 | 63,8 | 5 | 16,3 |  | | 根据要求 | | | 06263-041601605 | 带开槽的定位孔 | 无横孔 | 不锈钢 | 45 | 160 | 16H7 | 25 | 25 | M8 | - | 62 | 5,6 | 28 | - | 143 | 18,5 | 82,5 | 63,8 | 5 | 18,3 |  | | 根据要求 | | | 06263-01080086 | 带键槽孔 | 带横孔 | 不锈钢 | 25 | 80 | 8H7 | 19 | 14 | M4 | M6 | 30 | 2,5 | 17,6 | 7,5 | 74,6 | 13 | 40 | 36,7 | - | - |  | | 根据要求 | | | 06263-01080106 | 带键槽孔 | 带横孔 | 不锈钢 | 25 | 80 | 10H7 | 19 | 14 | M4 | M6 | 30 | 2,5 | 17,6 | 7,5 | 74,6 | 13 | 40 | 36,7 | - | - |  | | 根据要求 | | | 06263-01080126 | 带键槽孔 | 带横孔 | 不锈钢 | 25 | 80 | 12H7 | 19 | 14 | M4 | M6 | 30 | 2,5 | 17,6 | 7,5 | 74,6 | 13 | 40 | 36,7 | - | - |  | | 根据要求 | | | 06263-02100106 | 带键槽孔 | 带横孔 | 不锈钢 | 28 | 100 | 10H7 | 19 | 16 | M5 | M6 | 38 | 3 | 20,1 | 7,5 | 90,2 | 13 | 49,1 | 43,5 | - | - |  | | 根据要求 | | | 06263-02100126 | 带键槽孔 | 带横孔 | 不锈钢 | 28 | 100 | 12H7 | 19 | 16 | M5 | M6 | 38 | 3 | 20,1 | 7,5 | 90,2 | 13 | 49,1 | 43,5 | - | - |  | | 根据要求 | | | 06263-03125126 | 带键槽孔 | 带横孔 | 不锈钢 | 35 | 125 | 12H7 | 25 | 20 | M6 | M6 | 47,5 | 4 | 23,3 | 7,5 | 110,7 | 18,5 | 61,4 | 52,1 | - | - |  | | 根据要求 | | | 06263-03125146 | 带键槽孔 | 带横孔 | 不锈钢 | 35 | 125 | 14H7 | 25 | 20 | M6 | M6 | 47,5 | 4 | 23,3 | 7,5 | 110,7 | 18,5 | 61,4 | 52,1 | - | - |  | | 根据要求 | | | 06263-03125166 | 带键槽孔 | 带横孔 | 不锈钢 | 35 | 125 | 16H7 | 25 | 20 | M6 | M6 | 47,5 | 4 | 23,3 | 7,5 | 110,7 | 18,5 | 61,4 | 52,1 | - | - |  | | 根据要求 | | | 06263-04160146 | 带键槽孔 | 带横孔 | 不锈钢 | 45 | 160 | 14H7 | 25 | 25 | M8 | M6 | 62 | 5,6 | 28 | 7,5 | 143 | 18,5 | 82,5 | 63,8 | - | - |  | | 根据要求 | | | 06263-04160166 | 带键槽孔 | 带横孔 | 不锈钢 | 45 | 160 | 16H7 | 25 | 25 | M8 | M6 | 62 | 5,6 | 28 | 7,5 | 143 | 18,5 | 82,5 | 63,8 | - | - |  | | 根据要求 | | | 06263-0108008026 | 带开槽的定位孔 | 带横孔 | 不锈钢 | 25 | 80 | 8H7 | 19 | 14 | M4 | M6 | 30 | 2,5 | 17,6 | 7,5 | 74,6 | 13 | 40 | 36,7 | 2 | 9 |  | | 根据要求 | | | 06263-0108010036 | 带开槽的定位孔 | 带横孔 | 不锈钢 | 25 | 80 | 10H7 | 19 | 14 | M4 | M6 | 30 | 2,5 | 17,6 | 7,5 | 74,6 | 13 | 40 | 36,7 | 3 | 11,4 |  | | 根据要求 | | | 06263-0108012046 | 带开槽的定位孔 | 带横孔 | 不锈钢 | 25 | 80 | 12H7 | 19 | 14 | M4 | M6 | 30 | 2,5 | 17,6 | 7,5 | 74,6 | 13 | 40 | 36,7 | 4 | 13,8 |  | | 根据要求 | | | 06263-0210010036 | 带开槽的定位孔 | 带横孔 | 不锈钢 | 28 | 100 | 10H7 | 19 | 16 | M5 | M6 | 38 | 3 | 20,1 | 7,5 | 90,2 | 13 | 49,1 | 43,5 | 3 | 11,4 |  | | 根据要求 | | | 06263-0210012046 | 带开槽的定位孔 | 带横孔 | 不锈钢 | 28 | 100 | 12H7 | 19 | 16 | M5 | M6 | 38 | 3 | 20,1 | 7,5 | 90,2 | 13 | 49,1 | 43,5 | 4 | 13,8 |  | | 根据要求 | | | 06263-0312512046 | 带开槽的定位孔 | 带横孔 | 不锈钢 | 35 | 125 | 12H7 | 25 | 20 | M6 | M6 | 47,5 | 4 | 23,3 | 7,5 | 110,7 | 18,5 | 61,4 | 52,1 | 4 | 13,8 |  | | 根据要求 | | | 06263-0312514056 | 带开槽的定位孔 | 带横孔 | 不锈钢 | 35 | 125 | 14H7 | 25 | 20 | M6 | M6 | 47,5 | 4 | 23,3 | 7,5 | 110,7 | 18,5 | 61,4 | 52,1 | 5 | 16,3 |  | | 根据要求 | | | 06263-0312516056 | 带开槽的定位孔 | 带横孔 | 不锈钢 | 35 | 125 | 16H7 | 25 | 20 | M6 | M6 | 47,5 | 4 | 23,3 | 7,5 | 110,7 | 18,5 | 61,4 | 52,1 | 5 | 18,3 |  | | 根据要求 | | | 06263-0416014056 | 带开槽的定位孔 | 带横孔 | 不锈钢 | 45 | 160 | 14H7 | 25 | 25 | M8 | M6 | 62 | 5,6 | 28 | 7,5 | 143 | 18,5 | 82,5 | 63,8 | 5 | 16,3 |  | | 根据要求 | | | 06263-0416016056 | 带开槽的定位孔 | 带横孔 | 不锈钢 | 45 | 160 | 16H7 | 25 | 25 | M8 | M6 | 62 | 5,6 | 28 | 7,5 | 143 | 18,5 | 82,5 | 63,8 | 5 | 18,3 |  | | 根据要求 | |
|
|