|
|
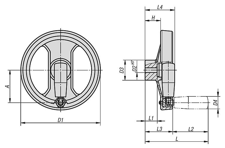
产品说明材料:手轮,增强型和稳定性聚酰胺。 聚酰胺材质的中心堵头。 手柄的直通型衬套和 螺纹嵌入件,钢制。规格:手轮,耐润滑油和润滑脂,黑色 (RAL 9011),锻光。 灰色中心堵头 (RAL 7035)。 可折叠手柄的直通型衬套和 螺纹嵌入件,经黑色氧化处理。根据要求:其他顶盖颜色, 特殊类型。特点: 下载此处为收集信息的 PDF:
查找 CAD 数据?请直接在产品列表中查找。
|
订货号 带键槽孔 | 订货号 带开槽的定位孔 | D1 | D2 | D3 | D4 | A | H | L | L1 | L2 | L3 | L4 | B3
| T
| 筛选 |
|---|
| 06255-6130X12 | 06255-7130X12 | 129 | 12H7 | 32 | 20 | 51 | 29 | 111 | 20 | 59 | 52 | 53 | -/4 | -/13,8 |  | | 06255-6130X14 | 06255-7130X14 | 129 | 14H7 | 32 | 20 | 51 | 29 | 111 | 20 | 59 | 52 | 53 | -/5 | -/16,3 |  | | 06255-6160X14 | 06255-7160X14 | 159 | 14H7 | 40 | 25 | 65 | 31 | 126 | 24 | 71 | 55 | 59 | -/5 | -/16,3 |  | | 06255-6160X16 | 06255-7160X16 | 159 | 16H7 | 40 | 25 | 65 | 31 | 126 | 24 | 71 | 55 | 59 | -/5 | -/18,3 |  | | 06255-6200X16 | 06255-7200X16 | 200 | 16H7 | 54,5 | 27 | 80 | 33 | 160 | 28 | 91 | 69 | 69 | -/5 | -/18,3 |  | | 06255-6200X20 | 06255-7200X20 | 200 | 20H7 | 54,5 | 27 | 80 | 33 | 160 | 28 | 91 | 69 | 69 | -/6 | -/22,8 |  | | 06255-6345X20 | 06255-7345X20 | 346 | 20H7 | 67,5 | 27 | 148 | 43,5 | 144 | 32 | 91 | 80 | 80 | -/6 | -/22,8 |  |
|
|