norelem 使用 Cookies 以优化设计和持续改进网页。您通过继续使用网页,同意使用 Cookies。在我们的数据保护声明中可以找到有关 Cookies 主题的详细信息。同意
钢制和不锈钢滚花旋钮 DIN 6303
06010

钢制和不锈钢滚花旋钮 DIN 6303

返回

商品描述/产品说明

查看/筛选所有商品
产品说明材料:

易切削钢。
不锈钢 1.4305。

规格:易切削钢,经黑色氧化处理。
光亮不锈钢。
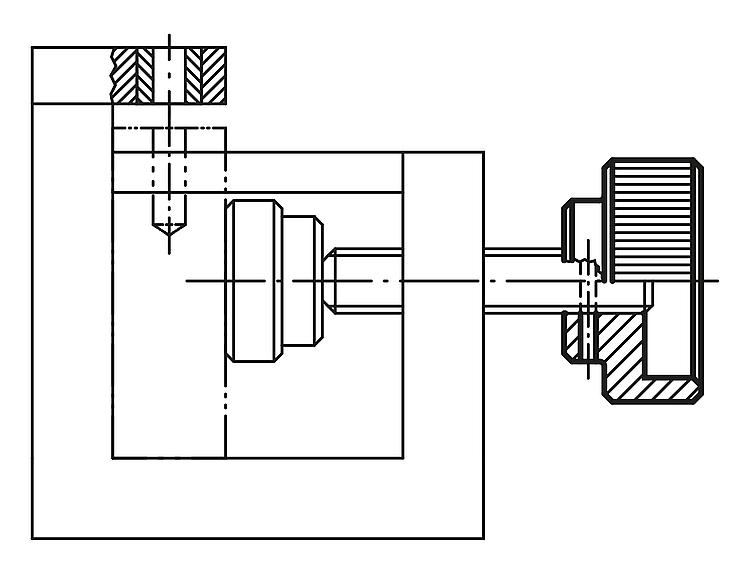
提示:由于触感更好,因此违背了 DIN 而选择了较大的分度。图纸提示:
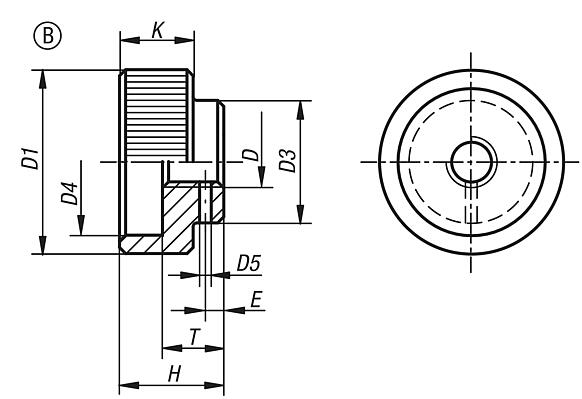
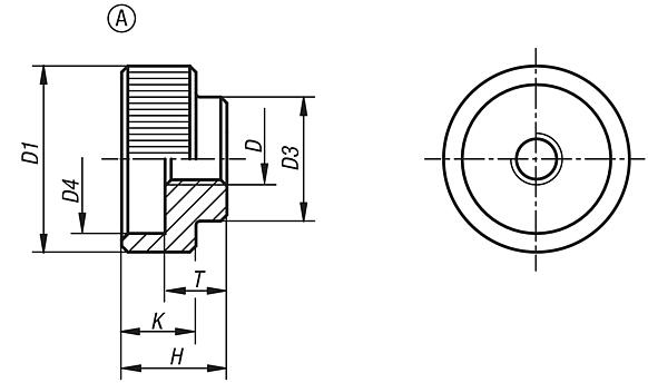
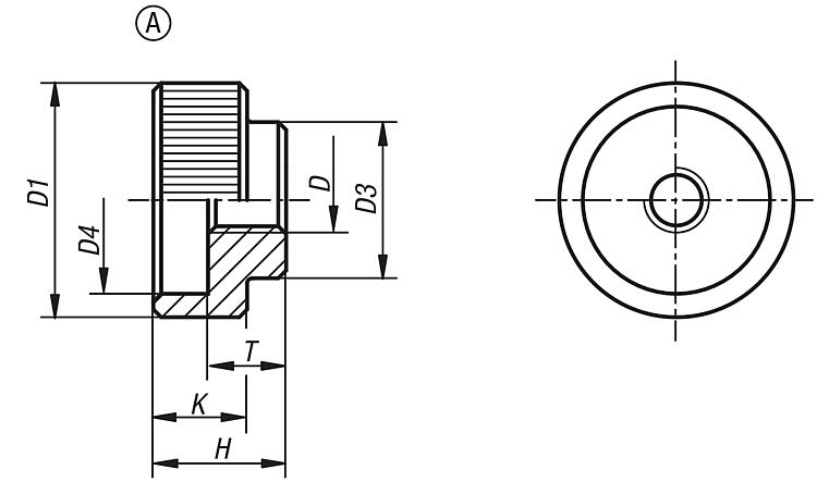
A 型:无销孔
B 型:带销孔

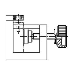
- 装配时钻磨销孔。
特点:
RoHS
下载此处为收集信息的 PDF:

查找 CAD 数据?请直接在产品列表中查找。
 Datasheet 06010 钢制和不锈钢滚花旋钮 DIN 6303 293 kB

图片(总概述)

钢制和不锈钢滚花旋钮 DIN 6303

A 型钢制和不锈钢滚花螺母,DIN 6303,无销孔

更多信息

图纸

A 型钢制和不锈钢滚花螺母,DIN 6303,无销孔

商品选择/筛选

订货号类型主体
材料
D

D1D3D4HKTCAD配件价格订购
06010-105A易切削钢M52014151287 根据要求
06010-106A易切削钢M624161814108 根据要求
06010-108A易切削钢M8302024171210 根据要求
06010-110A易切削钢M10362830201412 根据要求
06010-112A易切削钢M12403234241614 根据要求
06010-1052A不锈钢M52014151287 根据要求
06010-1062A不锈钢M624161814108 根据要求
06010-1082A不锈钢M8302024171210 根据要求
06010-1102A不锈钢M10362830201412 根据要求
06010-1122A不锈钢M12403234241614 根据要求

滚花螺母,钢制,DIN 6303,B 型,带销孔

更多信息

图纸

滚花螺母,钢制,DIN 6303,B 型,带销孔

商品选择/筛选

订货号

类型主体
材料
D

D1D3D4D5
预钻孔
EHKT适用
固定销
ISO 2338
CAD配件价格订购
06010-205B易切削钢M52014151,42,512871,5 根据要求
06010-206B易切削钢M62416181,42,5141081,5 根据要求
06010-208B易切削钢M83020241,931712102 根据要求
06010-210B易切削钢M103628302,942014123 根据要求
06010-212B易切削钢M124032343,942416144 根据要求
我的 norelemE-Mail密码
购物车
商品数量: 0
总数: 0.00  
点击购物车
欢迎扫描二维码
咨询诺瑞朗官方客服微信
中国
苏ICP备20011289号-1  苏公网安备32058502011222 网页地图 打印 推荐 Top
Copyright © 2025 norelem. 保留所有权利。 电话 +49 71 45/206-44 至 45 · 传真 +49 71 45/206-83