norelem 使用 Cookies 以优化设计和持续改进网页。您通过继续使用网页,同意使用 Cookies。在我们的数据保护声明中可以找到有关 Cookies 主题的详细信息。同意
快拆式滚花旋钮
06030

快拆式滚花旋钮

返回

商品描述/产品说明

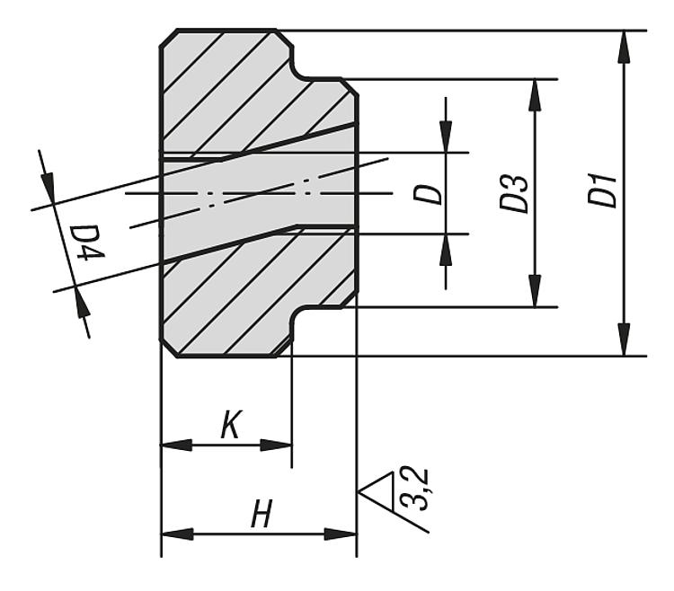
产品说明产品描述:快速夹紧滚花旋钮可广泛用于不需要较大夹持力的夹具。
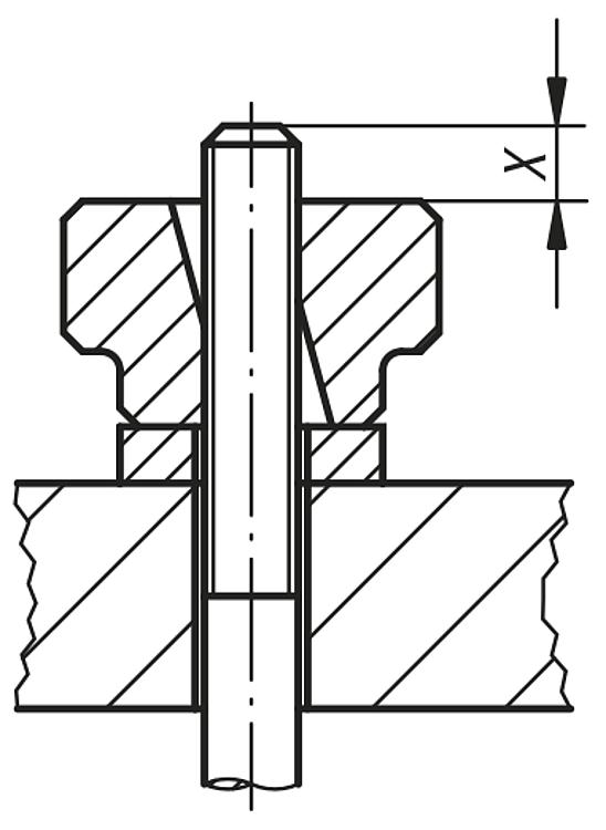
斜着插入,然后将其直立使螺纹吃力。
材料:

调质钢或不锈钢 1.4404。

规格:黑钢 不锈钢图纸提示:
X: 螺栓要比 高度“H” 长出几毫米
下载此处为收集信息的 PDF:

查找 CAD 数据?请直接在产品列表中查找。
 Datasheet 06030 钢制或不锈钢制滚花旋钮 具有快速夹紧功能 277 kB

图纸

快拆式滚花旋钮

商品选择/筛选

订货号

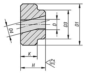
主体
材料
D

D1D3D4HKCAD配件价格订购
06030-04调质钢M416114,2128 根据要求
06030-05调质钢M520145,2128 根据要求
06030-06调质钢M624166,21410 根据要求
06030-08调质钢M830208,31712 根据要求
06030-10调质钢M10362810,32014 根据要求
06030-12调质钢M12403212,72416 根据要求
06030-104不锈钢M416114,2128 根据要求
06030-105不锈钢M520145,2128 根据要求
06030-106不锈钢M624166,21410 根据要求
06030-108不锈钢M830208,31712 根据要求
06030-110不锈钢M10362810,32014 根据要求
06030-112不锈钢M12403212,72416 根据要求
我的 norelemE-Mail密码
购物车
商品数量: 0
总数: 0.00  
点击购物车
欢迎扫描二维码
咨询诺瑞朗官方客服微信
中国
苏ICP备20011289号-1  苏公网安备32058502011222 网页地图 打印 推荐 Top
Copyright © 2025 norelem. 保留所有权利。 电话 +49 71 45/206-44 至 45 · 传真 +49 71 45/206-83