norelem 使用 Cookies 以优化设计和持续改进网页。您通过继续使用网页,同意使用 Cookies。在我们的数据保护声明中可以找到有关 Cookies 主题的详细信息。同意

商品描述/产品说明

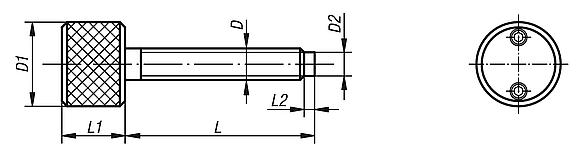
产品说明材料:易切削钢。规格:黑色氧化处理。提示:滚花旋钮的扭矩通过两个弹簧顶珠传导,达到所设定的扭矩后旋钮可以自由转动。
通过顶部的螺纹销可以调节设定扭矩。
特点:
RoHS
下载此处为收集信息的 PDF:

查找 CAD 数据?请直接在产品列表中查找。
 Datasheet 07130 扭矩螺栓 带压紧销 124 kB

图纸

扭矩螺栓 带压紧销

商品概述(精简)

商品选择/筛选
订货号

D

D1D2LL1L2F1
N
F2
N
筛选
07130-06XM6254,740/6020340800
07130-08XM8256,540/60/8020340650
07130-10XM10258,240/60/8020340550
07130-12XM12251040/60/80/10020340450
我的 norelemE-Mail密码
购物车
商品数量: 0
总数: 0.00  
点击购物车
欢迎扫描二维码
咨询诺瑞朗官方客服微信
中国
苏ICP备20011289号-1  苏公网安备32058502011222 网页地图 打印 推荐 Top
Copyright © 2025 norelem. 保留所有权利。 电话 +49 71 45/206-44 至 45 · 传真 +49 71 45/206-83