norelem 使用 Cookies 以优化设计和持续改进网页。您通过继续使用网页,同意使用 Cookies。在我们的数据保护声明中可以找到有关 Cookies 主题的详细信息。同意

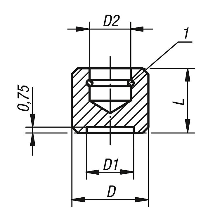
商品描述/产品说明

产品说明材料:压紧块 钢制
卡簧 弹簧钢
规格:表面硬化及黑色氧化处理。提示:轻压即可扣上扭矩螺栓(07134、07120)顶杆。
活球连接,实现压脚可多角度适用。
图纸提示:
1) 卡簧
特点:
RoHS
下载此处为收集信息的 PDF:

查找 CAD 数据?请直接在产品列表中查找。
 Datasheet 07138 带止推环的钢制压力垫圈 129 kB

图纸

带止推环的钢制压力垫圈

商品选择/筛选

订货号

D

D1D2L适用

CAD配件价格订购
07138-101054,5807120-06, 07134-06 根据要求
07138-121266907120-08, 07134-08 根据要求
07138-1414881107120-10, 07120-12, 07134-1 根据要求
我的 norelemE-Mail密码
购物车
商品数量: 0
总数: 0.00  
点击购物车
欢迎扫描二维码
咨询诺瑞朗官方客服微信
中国
苏ICP备20011289号-1  苏公网安备32058502011222 网页地图 打印 推荐 Top
Copyright © 2025 norelem. 保留所有权利。 电话 +49 71 45/206-44 至 45 · 传真 +49 71 45/206-83