|
|
产品说明材料:外壳为钢制。 塑料线盘提示:电磁铁使用直流电。这将通过磁芯中的线圈产生磁场。关闭电压后,力场再次消失。
电磁铁通过背面的螺纹连接。电源通过自由股连接。
根据材料的厚度和表面粗糙度,规定的夹持力可能会更小。
D = 15 时,电磁铁只有中心的大螺纹。技术参数:电压:24 伏直流。 防护等级:最高 IP 65。 温度范围:最高 155 °C(绝缘等级 F)。 工作周期:100 %。应用:电磁铁用于支架、支撑和固定铁磁性工件。根据要求:电压 12 伏直流。图纸提示:特点: 下载此处为收集信息的 PDF:
查找 CAD 数据?请直接在产品列表中查找。
|
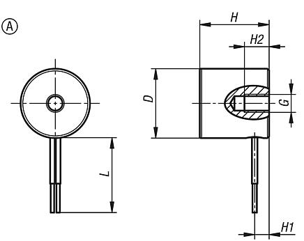
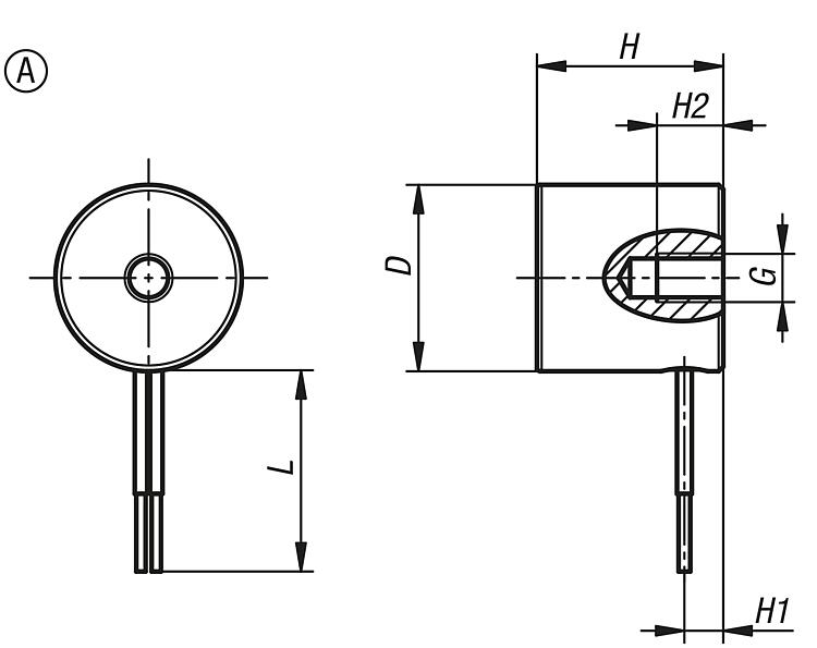
订货号 | 类型 | D
| G | H | H1 | H2 | L | 吸力 N | 额定功率 W | 额定电压 VDC | CAD | 配件 | 价格 | 订购 |
|---|
| 09130-010010 | A | 10 | M2 | 10 | 3 | 4 | 250 | 3 | 1 | 24 |  | | 根据要求 | | | 09130-012012 | A | 12 | M3 | 12 | 4 | 6 | 250 | 15 | 1 | 24 |  | | 根据要求 | |
|
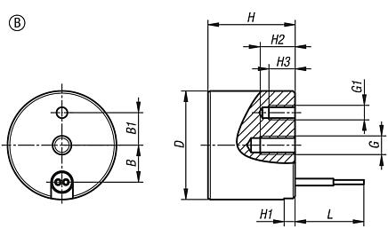
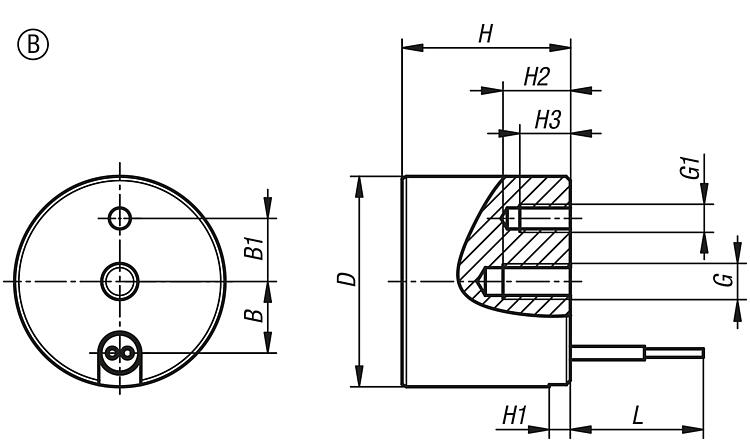
订货号 | 类型 | B | B1 | D
| G | G1 | H | H1 | H2 | H3 | L | 吸力 N | 额定功率 W | 额定电压 VDC | CAD | 配件 | 价格 | 订购 |
|---|
| 09130-015015 | B | 5,2 | - | 15 | M4 | - | 15 | 2 | 6 | - | 250 | 25 | 1,4 | 24 |  | | 根据要求 | | | 09130-018011 | B | 6,5 | 6 | 18 | M3 | M03 | 11 | 1,5 | 5 | 2 | 250 | 45 | 1,4 | 24 |  | | 根据要求 | | | 09130-025020 | B | 8,5 | 7,5 | 25 | M4 | M03 | 20 | 2 | 6 | 3 | 250 | 140 | 3,2 | 24 |  | | 根据要求 | | | 09130-032022 | B | 11,5 | 9 | 32 | M4 | M03 | 22 | 3 | 10 | 4 | 250 | 240 | 3,6 | 24 |  | | 根据要求 | | | 09130-040026 | B | 14,5 | 13 | 40 | M5 | M03 | 25,5 | 4,5 | 10 | 4 | 250 | 475 | 5,2 | 24 |  | | 根据要求 | | | 09130-050027 | B | 19 | 17 | 50 | M5 | M03 | 27 | 4 | 10 | 4,5 | 250 | 760 | 6,5 | 24 |  | | 根据要求 | | | 09130-063030 | B | 25 | 20 | 63 | M8 | M04 | 30 | 5 | 16 | 5,5 | 250 | 1050 | 9 | 24 |  | | 根据要求 | | | 09130-080038 | B | 33 | 25 | 80 | M8 | M04 | 38 | 7 | 16 | 7,5 | 500 | 2400 | 15 | 24 |  | | 根据要求 | | | 09130-100043 | B | 42,5 | 37,5 | 100 | M10 | M05 | 43 | 9 | 20 | 10 | 500 | 3400 | 20,5 | 24 |  | | 根据要求 | | | 09130-150056 | B | 62 | 55 | 150 | M16 | M06 | 56 | 10 | 24 | 10 | 500 | 9300 | 37 | 24 |  | | 根据要求 | | | 09130-180063 | B | 77 | 65 | 180 | M24 | M08 | 63 | 12 | 36 | 13 | 500 | 15000 | 50 | 24 |  | | 根据要求 | | | 09130-250080 | B | 107 | 90 | 250 | M24 | M08 | 80 | 15 | 36 | 15 | 3000 | 30000 | 90 | 24 |  | | 根据要求 | |
|
|
|