|
|
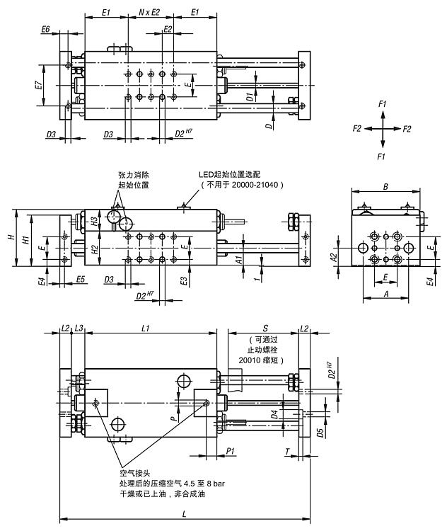
产品说明材料:基体和法兰板 EN AW-5754。钢制导向轴。规格:经阳极氧化加硬处理的基体。 经阳极氧化处理的法兰板。 经硬化处理的导向轴。提示:配备两个精密钢轴和带刮擦器的滚珠轴套的免维护导杆气缸。通过双作用气缸驱动。所有安装螺纹均配备螺纹套。作为附件提供的减振器和接近开关可以集成安装(无突出边缘)。联锁结构带来的百分之百可重复性。无需适配板即可在所有结构尺寸和升降类型中进行结合。 可以实现 ±0.01mm 范围内的重复精度。 负载参数适用于位于中间的滑撬。温度范围:+5 °C 至 +80 °C根据要求:锁定套筒用于确保行程一致。附件:26300 减振器。 83000-15 接近开关。 80150 连接器。
下载此处为收集信息的 PDF:
查找 CAD 数据?请直接在产品列表中查找。
|
订货号 | 尺寸 | A | A1 | A2 | B | D
| D1 | D2 | D3 | D4 | D5 | E | E1 | E2 | E3 | E4 | E5 | E6 | E7 | 行程 S | CAD | 配件 | 价格 | 订购 |
|---|
| 20000-21040 | 1 | 40 | 15 | 16 | 60 | 8 | 4 | 4 | M4 | 8 | 4,5 | 20 | 38 | 10 | 5 | 6 | 4 | 9 | 36 | 40 |  |  | 根据要求 | | | 20000-21060 | 1 | 40 | 15 | 16 | 60 | 8 | 4 | 4 | M4 | 8 | 4,5 | 20 | 38 | 10 | 5 | 6 | 4 | 9 | 36 | 60 |  |  | 根据要求 | | | 20000-21080 | 1 | 40 | 15 | 16 | 60 | 8 | 4 | 4 | M4 | 8 | 4,5 | 20 | 38 | 10 | 5 | 6 | 4 | 9 | 36 | 80 |  |  | 根据要求 | | | 20000-21100 | 1 | 40 | 15 | 16 | 60 | 8 | 4 | 4 | M4 | 8 | 4,5 | 20 | 38 | 10 | 5 | 6 | 4 | 9 | 36 | 100 |  |  | 根据要求 | | | 20000-22060 | 2 | 55 | 20 | 21 | 82 | 12 | 6 | 5 | M5 | 10 | 5,5 | 30 | 45 | 15 | 5 | 6 | 5 | 11 | 50 | 60 |  |  | 根据要求 | | | 20000-22090 | 2 | 55 | 20 | 21 | 82 | 12 | 6 | 5 | M5 | 10 | 5,5 | 30 | 45 | 15 | 5 | 6 | 5 | 11 | 50 | 90 |  |  | 根据要求 | | | 20000-22120 | 2 | 55 | 20 | 21 | 82 | 12 | 6 | 5 | M5 | 10 | 5,5 | 30 | 45 | 15 | 5 | 6 | 5 | 11 | 50 | 120 |  |  | 根据要求 | | | 20000-22150 | 2 | 55 | 20 | 21 | 82 | 12 | 6 | 5 | M5 | 10 | 5,5 | 30 | 45 | 15 | 5 | 6 | 5 | 11 | 50 | 150 |  |  | 根据要求 | | | 20000-23080 | 3 | 70 | 25 | 26 | 100 | 16 | 8 | 6 | M6 | 11 | 6,6 | 40 | 50 | 20 | 5 | 6 | 6 | 14 | 70 | 80 |  |  | 根据要求 | | | 20000-23120 | 3 | 70 | 25 | 26 | 100 | 16 | 8 | 6 | M6 | 11 | 6,6 | 40 | 50 | 20 | 5 | 6 | 6 | 14 | 70 | 120 |  |  | 根据要求 | | | 20000-23160 | 3 | 70 | 25 | 26 | 100 | 16 | 8 | 6 | M6 | 11 | 6,6 | 40 | 50 | 20 | 5 | 6 | 6 | 14 | 70 | 160 |  |  | 根据要求 | | | 20000-23200 | 3 | 70 | 25 | 26 | 100 | 16 | 8 | 6 | M6 | 11 | 6,6 | 40 | 50 | 20 | 5 | 6 | 6 | 14 | 70 | 200 |  |  | 根据要求 | | | 20000-25120 | 5 | 104 | 38 | 39 | 150 | 25 | 12 | 10 | M10 | 18 | 11 | 60 | 72 | 30 | 8 | 9 | 8 | 17 | 96 | 120 |  |  | 根据要求 | | | 20000-25180 | 5 | 104 | 38 | 39 | 150 | 25 | 12 | 10 | M10 | 18 | 11 | 60 | 72 | 30 | 8 | 9 | 8 | 17 | 96 | 180 |  |  | 根据要求 | | | 20000-25240 | 5 | 104 | 38 | 39 | 150 | 25 | 12 | 10 | M10 | 18 | 11 | 60 | 72 | 30 | 8 | 9 | 8 | 17 | 96 | 240 |  |  | 根据要求 | | | 20000-25300 | 5 | 104 | 38 | 39 | 150 | 25 | 12 | 10 | M10 | 18 | 11 | 60 | 72 | 30 | 8 | 9 | 8 | 17 | 96 | 300 |  |  | 根据要求 | |
| 订货号 | 尺寸 | H | H1 | H2 | H3 | L | L1 | L2 | L3 | N (数量) | P | P1 | T | F1 max. kN | F2 max. kN | 推力 气压6bar (N) | 气缸 Ø | 耗气量 每次往返动作 气压6bar(ccm) | CAD | 配件 | 价格 | 订购 |
|---|
| 20000-21040 | 1 | 50 | 45 | 30 | 19 | 180 | 96 | 12 | 10 | 2 | M5 | 9,3 | 3 | 0,14 | 0,38 | 100 | 16 | 11,3 |  |  | 根据要求 | | | 20000-21060 | 1 | 50 | 45 | 30 | 19 | 220 | 116 | 12 | 10 | 4 | M5 | 9,3 | 3 | 0,09 | 0,26 | 100 | 16 | 17 |  |  | 根据要求 | | | 20000-21080 | 1 | 50 | 45 | 30 | 19 | 260 | 136 | 12 | 10 | 6 | M5 | 9,3 | 3 | 0,05 | 0,18 | 100 | 16 | 22,6 |  |  | 根据要求 | | | 20000-21100 | 1 | 50 | 45 | 30 | 19 | 300 | 156 | 12 | 10 | 8 | M5 | 9,3 | 3 | 0,025 | 0,125 | 100 | 16 | 28,3 |  |  | 根据要求 | | | 20000-22060 | 2 | 64 | 60 | 40 | 23 | 254 | 120 | 16 | 21 | 2 | G1/8 | 9,9 | 5,7 | 0,3 | 0,61 | 250 | 25 | 56 |  |  | 根据要求 | | | 20000-22090 | 2 | 64 | 60 | 40 | 23 | 314 | 150 | 16 | 21 | 4 | G1/8 | 9,9 | 5,7 | 0,16 | 0,35 | 250 | 25 | 84 |  |  | 根据要求 | | | 20000-22120 | 2 | 64 | 60 | 40 | 23 | 374 | 180 | 16 | 21 | 6 | G1/8 | 9,9 | 5,7 | 0,08 | 0,24 | 250 | 25 | 112 |  |  | 根据要求 | | | 20000-22150 | 2 | 64 | 60 | 40 | 23 | 434 | 210 | 16 | 21 | 8 | G1/8 | 9,9 | 5,7 | 0,045 | 0,16 | 250 | 25 | 140 |  |  | 根据要求 | | | 20000-23080 | 3 | 77 | 70 | 50 | 26 | 300 | 140 | 20 | 20 | 2 | G1/8 | 9,5 | 5 | 0,46 | 0,84 | 407 | 32 | 118 |  |  | 根据要求 | | | 20000-23120 | 3 | 77 | 70 | 50 | 26 | 380 | 180 | 20 | 20 | 4 | G1/8 | 9,5 | 5 | 0,24 | 0,52 | 407 | 32 | 178 |  |  | 根据要求 | | | 20000-23160 | 3 | 77 | 70 | 50 | 26 | 460 | 220 | 20 | 20 | 6 | G1/8 | 9,5 | 5 | 0,12 | 0,32 | 407 | 32 | 236 |  |  | 根据要求 | | | 20000-23200 | 3 | 77 | 70 | 50 | 26 | 540 | 260 | 20 | 20 | 8 | G1/8 | 9,5 | 5 | 0,07 | 0,2 | 407 | 32 | 295 |  |  | 根据要求 | | | 20000-25120 | 5 | 112 | 100 | 76 | 35 | 420 | 204 | 25 | 23 | 2 | G1/4 | 14 | 7 | 0,75 | 1,08 | 660 | 40 | 354,6 |  |  | 根据要求 | | | 20000-25180 | 5 | 112 | 100 | 76 | 35 | 540 | 264 | 25 | 23 | 4 | G1/4 | 14 | 7 | 0,42 | 0,7 | 660 | 40 | 531,8 |  |  | 根据要求 | | | 20000-25240 | 5 | 112 | 100 | 76 | 35 | 660 | 324 | 25 | 23 | 6 | G1/4 | 14 | 7 | 0,25 | 0,48 | 660 | 40 | 709,1 |  |  | 根据要求 | | | 20000-25300 | 5 | 112 | 100 | 76 | 35 | 780 | 384 | 25 | 23 | 8 | G1/4 | 14 | 7 | 0,16 | 0,36 | 660 | 40 | 886,4 |  |  | 根据要求 | |
|
|