|
|
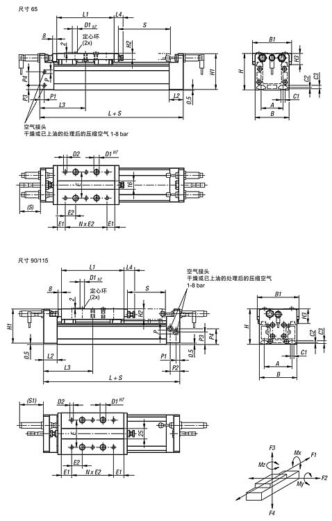
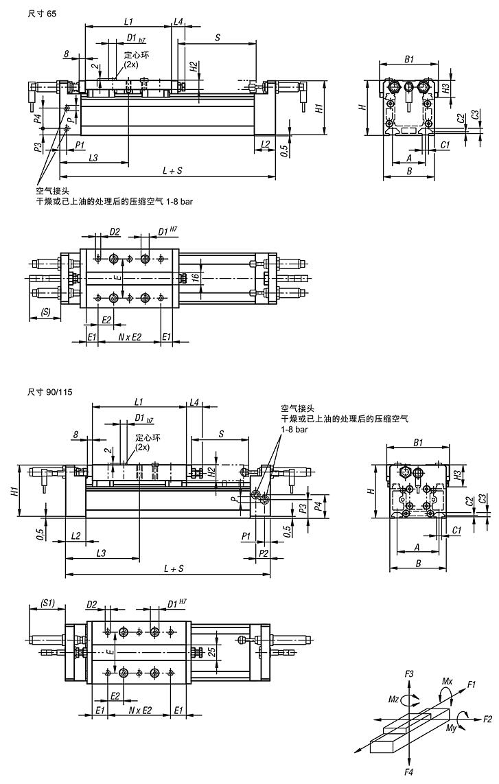
产品说明材料:铝合金制基体、滑撬和法兰板。 钢制导轨。规格:经自然色阳极氧化处理的基体。 经阳极氧化处理的滑撬和法兰板。 经硬化处理的导轨。提示:带滚珠导轨的十字滑台。通过无活塞杆的气动缸进行气动驱动。通过无支撑的硬化铝合金型材达到高负载能力。模块可用于任一安装位置。 负载参数指动态负载。
重复精度 ±0.02 mm。温度范围:+5 °C 至 +70 °C (尺寸 65 时 +5 °C 至 +60 °C)根据要求:* 其他长度(行程 S 最大 5000 mm)以及中间位置。附件:26300 减振器。 83000-15 接近开关。 80150 连接器。 特点: 下载此处为收集信息的 PDF:
查找 CAD 数据?请直接在产品列表中查找。
|
| 订货号 | 尺寸 | A | B | B1 | C1 | C2 | C3 | D1 | D2 | E | E1 | E2 | H | H1 | H2 | H3 | L | 行程 S | CAD | 配件 | 价格 | 订购 |
|---|
| 20200-1065X0500 | 65 | 42 | 65 | 75 | 8,1 | 2,5 | 6,8 | 10 | M5 | 50 | 15 | 20 | 70 | 69,5 | 11,5 | 21,5 | 175 | 500 |  |  | 根据要求 | | | 20200-1090X0500 | 90 | 67 | 90 | 100 | 8,1 | 2,5 | 6,8 | 10 | M6 | 65 | 25 | 25 | 85 | 84,5 | 25 | 35 | 235 | 500 |  |  | 根据要求 | | | 20200-1115X0500 | 115 | 97 | 125 | 135 | 10 | 5 | 8,5 | 13 | M8 | 90 | 20 | 30 | 115 | 114,5 | 25 | 44,8 | 305 | 500 |  |  | 根据要求 | |
| 订货号 | 尺寸 | L1 | L2 | L3 | L4 | N (数量) | P | P1 | P2 | P3 | P4 | S1 | CAD | 配件 | 价格 | 订购 |
|---|
| 20200-1065X0500 | 65 | 110 | 27 | 87,5 | 17 | 4 | M5 | 8,5 | - | 8,5 | 25,8 | 40 |  |  | 根据要求 | | | 20200-1090X0500 | 90 | 150 | 32 | 117,5 | 25,5 | 4 | G1/8 | 9 | 23 | 30 | 38 | 64,5 |  |  | 根据要求 | | | 20200-1115X0500 | 115 | 220 | 32 | 152,5 | 25,5 | 6 | G1/4 | 15,5 | 19,5 | 40,5 | 60,5 | 62,5 |  |  | 根据要求 | |
| 订货号 | 尺寸 | 推力 气压6bar (N) | 气缸 Ø | 耗气量 10mm行程 气压6bar(ccm) | Mx Nm | My Nm | Mz Nm | F1 N | F2 N | F3 N | F4 (N) | CAD | 配件 | 价格 | 订购 |
|---|
| 20200-1065X0500 | 65 | 150 | 18 | 18 | 155 | 260 | 260 | 460 | 610 | 610 | 610 |  |  | 根据要求 | | | 20200-1090X0500 | 90 | 250 | 25 | 35 | 310 | 410 | 410 | 560 | 750 | 750 | 750 |  |  | 根据要求 | | | 20200-1115X0500 | 115 | 640 | 40 | 88 | 1570 | 2270 | 2270 | 1550 | 2070 | 2070 | 2070 |  |  | 根据要求 | |
|
|