norelem 使用 Cookies 以优化设计和持续改进网页。您通过继续使用网页,同意使用 Cookies。在我们的
数据保护声明
中可以找到有关 Cookies 主题的详细信息。
同意
全球分布
创意
AGB
版权说明
数据保护
产品
企业信息
服务
下载
新闻
联系方式
产品概览
固定
灵活的标准件系统
装配
装配系统
运动
用于机床和设备制造的系统/组件
检查
量具检具组件
夹紧
夹紧技术
控制和调节
电动机构
输送
输送和移动技术
technoshop
norelem inch
英制产品目录
21730
空心轴传感器带磁性探针
返回
产品
产品概览
用于机床和设备制造的系统和组件
滑台、 导轨、 定位台、 小型滑动导轨、 位置指示器
位置指示器码尺
空心轴传感器带磁性探针
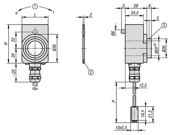
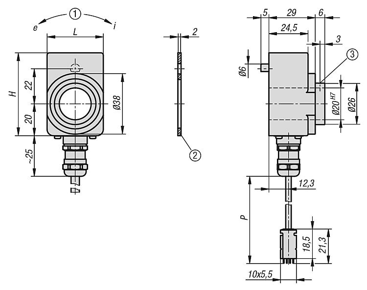
商品描述/产品说明
产品说明
材料:
不锈钢轴。
塑料壳体。
PVC 电缆外皮。
规格:
黑色壳体。
扁平插头 8 针,1 引脚。
电缆弯曲半径 > 17 mm(固定布线)。
提示:
适用于转速 ≤ 600 rpm。
易于安装用于最大 ø 20 mm 的空心轴上。
可插拔接头连接到位置显示器 21700 和 21702。
传感器的工作电压和功率供给通过后续电子装置实现。
分辨率和测量范围取决于后续电子装置。
技术参数:
- 旋转测量传感器
- 扫描通过带 18 磁极(各 5 mm)的磁极轮进行。
- 防护等级 IP 65;EN60529
温度范围:
- 环境温度 0…60 °C
- 存放温度 -10…70 °C
装配:
安装应根据随附的用户信息进行。
附件:
位置指示器 21700 和 21702。
变径轴套 21740。
说明:
不允许结露。
图纸提示:
1) 旋转方向
2) 密封板
3) 螺纹销 M3 (2x120°)
特点:
下载
此处为收集信息的 PDF:
查找 CAD 数据?请直接在产品列表中查找。
Datasheet 21730 空心轴传感器带磁性探针
404 kB
图纸
商品选择/筛选
订货号
H
L
P
CAD
配件
价格
订购
21730-0500
52
35,2
500
根据要求
21730-1000
52
35,2
1000
根据要求
21730-2000
52
35,2
2000
根据要求
本类目的其他商品
<<
|
<
|
1-10
|
11-20
|
21-26
|
>
|
>>
21700
位置指示器,准绝对,不依赖电源,显示精度 10 µm,小型结构
21702
位置指示器,准绝对式,不依赖电源,显示精度 10 µm
21720
磁性传感器,被动传感器,微型结构
21725
磁带,增量编码刻度,5 mm 极距
21740
变径轴套 不锈钢
21880
自贴型不锈钢制码尺
21882
铝制码尺,自粘或带孔,厚度 2 mm
21884
铝制码尺,自粘或带孔,厚度 6 mm
21886
自贴型
钢制标尺
21901
带钢质空心轴的位置指示器,3 个刻度
<<
|
<
|
1-10
|
11-20
|
21-26
|
>
|
>>
我的 norelem
E-Mail
密码
忘记密码
首次登陆
购物车
商品数量:
0
总数:
0.00
€
点击购物车
欢迎扫描二维码
咨询诺瑞朗官方客服微信
Algérie
Andorra
Argentina
Australia
België
Bolivia
Bosna i Hercegovina
Brasil
Canada
Česká republika
Chile
中国
Colombia
Costa Rica
Cuba
Danmark
Dem. Peop. Rep. of Korea
Deutschland
Ecuador
Eesti
España
Georgia
香港
Hrvatska
India
Ireland
Ísland
Italia
Jamaica
日本
Latvija
Liechtenstein
Lietuvos
Luxemburg
Magyarország
Malaysia
Malta
México
Nederland
New Zealand
Norge
Österreich
Pakistan
Paraguay
Perú
Polska
Portugal
Principauté de Monaco
台灣
Rep. di San Marino
대한민국
România
Schweiz
Singapore
Slovenija
Slovensko
South Africa
Suomi
Sverige
Türkiye
United Kingdom
United States of America
Uruguay
Venezuela
Việt Nam
Ελλάδα
Κύπρος
Беларусь
България
Република Србија
Россия
Србија и Црна Гора
Україна
ישראל
الامارات العربية المتحدة
السعودية
ايران
مصر
ประเทศไทย
Chinese
English
苏ICP备20011289号-1
苏公网安备32058502011222
网页地图
打印
推荐
Top
Copyright © 2025 norelem. 保留所有权利。
电话 +49 71 45/206-44 至 45 · 传真 +49 71 45/206-83