norelem 使用 Cookies 以优化设计和持续改进网页。您通过继续使用网页,同意使用 Cookies。在我们的
数据保护声明
中可以找到有关 Cookies 主题的详细信息。
同意
全球分布
创意
AGB
版权说明
数据保护
产品
企业信息
服务
下载
新闻
联系方式
产品概览
固定
灵活的标准件系统
装配
装配系统
运动
用于机床和设备制造的系统/组件
检查
量具检具组件
夹紧
夹紧技术
控制和调节
电动机构
输送
输送和移动技术
technoshop
norelem inch
英制产品目录
21420
不锈钢制小型导向滑块
返回
产品
产品概览
用于机床和设备制造的系统和组件
滑台、 导轨、 定位台、 小型滑动导轨、 位置指示器
型轨导向系统
不锈钢制小型导向滑块
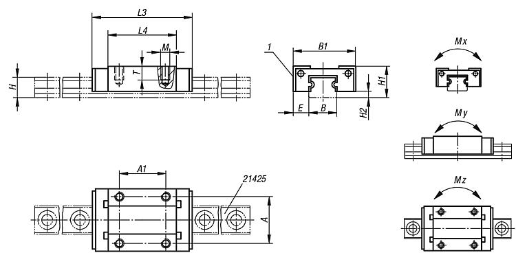
商品描述/产品说明
产品说明
材料:
不锈钢 1.4034 制主体。
不锈钢 1.4034 制顶珠。
塑料制偏转件。
规格:
亮色。
提示:
具有符合精度 N、无预应力(Z0)的循环滚珠轴承导轨的标准小型导向滑块。带两侧端部密封件。
具有相同负载角和每个滑架 2 个球循环的 4 点触点球循环系统。因此可以均匀接收来自所有方向的负载。
最大加速度:80 m/s²。
最高移动速度:3 m/s。
使用温度:-20°C 至 +80°C。
注意:
使用随附的安装导轨以免滚子脱落。
图纸提示:
1) 磨削限动边
特点:
下载
此处为收集信息的 PDF:
查找 CAD 数据?请直接在产品列表中查找。
Datasheet 21420 不锈钢制小型导向滑块
213 kB
图纸
商品选择/筛选
订货号
规格
尺寸
Mx
Nm
My
Nm
Mz
Nm
额定负载
动态
N
额定负载
静态
N
A
A1
B
B1
E
H
H1
H2
L3
L4
M
T
CAD
配件
价格
订购
21420-07102301
标准型
7
5,1
2,55
2,55
880
1370
12
8
7
17
5
4,7
8
1,5
23,5
13,5
M2
2,5
根据要求
21420-09103101
标准型
9
10,4
5,1
5,1
1470
2250
15
10
9
20
5,5
5,5
10
2,2
31
20
M3
3
根据要求
21420-12103501
标准型
12
14,7
8,04
8,72
2665
4020
20
15
12
27
7,5
7,5
13
3
35
20,8
M3
3,5
根据要求
21420-15104301
标准型
15
30,2
16,5
17,9
4410
6570
25
20
15
32
8,5
9,5
16
4
43
25,7
M3
4
根据要求
本类目的其他商品
<<
|
<
|
1-10
|
11-14
|
>
|
>>
21400
钢制标准导向滑座,带适配异型导轨的循环滚珠轴承导轨
21402
带法兰的导向滑块
21404
紧凑型导向滑块
21406
紧凑型、短型导向滑块
21410
型材导轨
21411
钢制标准导向滑座,带适配异型导轨的循环滚珠轴承导轨
21411-05
带法兰的导向滑块
21411-10
紧凑型导向滑块
21411-15
紧凑型、短型导向滑块
21411-20
型材导轨
<<
|
<
|
1-10
|
11-14
|
>
|
>>
我的 norelem
E-Mail
密码
忘记密码
首次登陆
购物车
商品数量:
0
总数:
0.00
€
点击购物车
欢迎扫描二维码
咨询诺瑞朗官方客服微信
Algérie
Andorra
Argentina
Australia
België
Bolivia
Bosna i Hercegovina
Brasil
Canada
Česká republika
Chile
中国
Colombia
Costa Rica
Cuba
Danmark
Dem. Peop. Rep. of Korea
Deutschland
Ecuador
Eesti
España
Georgia
香港
Hrvatska
India
Ireland
Ísland
Italia
Jamaica
日本
Latvija
Liechtenstein
Lietuvos
Luxemburg
Magyarország
Malaysia
Malta
México
Nederland
New Zealand
Norge
Österreich
Pakistan
Paraguay
Perú
Polska
Portugal
Principauté de Monaco
台灣
Rep. di San Marino
대한민국
România
Schweiz
Singapore
Slovenija
Slovensko
South Africa
Suomi
Sverige
Türkiye
United Kingdom
United States of America
Uruguay
Venezuela
Việt Nam
Ελλάδα
Κύπρος
Беларусь
България
Република Србија
Россия
Србија и Црна Гора
Україна
ישראל
الامارات العربية المتحدة
السعودية
ايران
مصر
ประเทศไทย
Chinese
English
苏ICP备20011289号-1
苏公网安备32058502011222
网页地图
打印
推荐
Top
Copyright © 2025 norelem. 保留所有权利。
电话 +49 71 45/206-44 至 45 · 传真 +49 71 45/206-83