norelem 使用 Cookies 以优化设计和持续改进网页。您通过继续使用网页,同意使用 Cookies。在我们的
数据保护声明
中可以找到有关 Cookies 主题的详细信息。
同意
全球分布
创意
AGB
版权说明
数据保护
产品
企业信息
服务
下载
新闻
联系方式
产品概览
固定
灵活的标准件系统
装配
装配系统
运动
用于机床和设备制造的系统/组件
检查
量具检具组件
夹紧
夹紧技术
控制和调节
电动机构
输送
输送和移动技术
technoshop
norelem inch
英制产品目录
21427
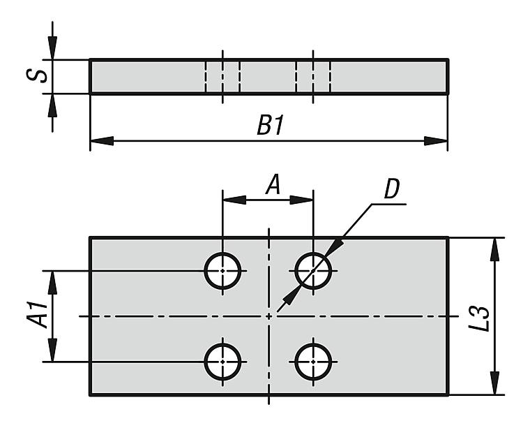
夹紧元件的转接板
返回
产品
产品概览
用于机床和设备制造的系统和组件
滑台、 导轨、 定位台、 小型滑动导轨、 位置指示器
型轨导向系统
夹紧元件的转接板
商品描述/产品说明
产品说明
材料:
钢制。
规格:
镀镍。
提示:
根据所使用的滑座,需要一种可平衡高度的转接板。
特点:
下载
此处为收集信息的 PDF:
查找 CAD 数据?请直接在产品列表中查找。
Datasheet 21427 夹紧元件的转接板
282 kB
图纸
商品选择/筛选
订货号
尺寸
A
A1
B1
L3
D
适用螺栓
S
CAD
配件
价格
订购
21427-915
15
17
17
47
24
M4
4
根据要求
21427-920
20
15
15
60
24
M5
2
根据要求
21427-925
25
20
20
70
30
M6
4
根据要求
21427-930
30
22
22
90
39
M6
3
根据要求
21427-935
35
24
24
100
39
M8
7
根据要求
本类目的其他商品
<<
|
<
|
1-10
|
11-14
|
>
|
>>
21400
钢制标准导向滑座,带适配异型导轨的循环滚珠轴承导轨
21402
带法兰的导向滑块
21404
紧凑型导向滑块
21406
紧凑型、短型导向滑块
21410
型材导轨
21411
钢制标准导向滑座,带适配异型导轨的循环滚珠轴承导轨
21411-05
带法兰的导向滑块
21411-10
紧凑型导向滑块
21411-15
紧凑型、短型导向滑块
21411-20
型材导轨
<<
|
<
|
1-10
|
11-14
|
>
|
>>
我的 norelem
E-Mail
密码
忘记密码
首次登陆
购物车
商品数量:
0
总数:
0.00
€
点击购物车
欢迎扫描二维码
咨询诺瑞朗官方客服微信
Algérie
Andorra
Argentina
Australia
België
Bolivia
Bosna i Hercegovina
Brasil
Canada
Česká republika
Chile
中国
Colombia
Costa Rica
Cuba
Danmark
Dem. Peop. Rep. of Korea
Deutschland
Ecuador
Eesti
España
Georgia
香港
Hrvatska
India
Ireland
Ísland
Italia
Jamaica
日本
Latvija
Liechtenstein
Lietuvos
Luxemburg
Magyarország
Malaysia
Malta
México
Nederland
New Zealand
Norge
Österreich
Pakistan
Paraguay
Perú
Polska
Portugal
Principauté de Monaco
台灣
Rep. di San Marino
대한민국
România
Schweiz
Singapore
Slovenija
Slovensko
South Africa
Suomi
Sverige
Türkiye
United Kingdom
United States of America
Uruguay
Venezuela
Việt Nam
Ελλάδα
Κύπρος
Беларусь
България
Република Србија
Россия
Србија и Црна Гора
Україна
ישראל
الامارات العربية المتحدة
السعودية
ايران
مصر
ประเทศไทย
Chinese
English
苏ICP备20011289号-1
苏公网安备32058502011222
网页地图
打印
推荐
Top
Copyright © 2025 norelem. 保留所有权利。
电话 +49 71 45/206-44 至 45 · 传真 +49 71 45/206-83