|
|
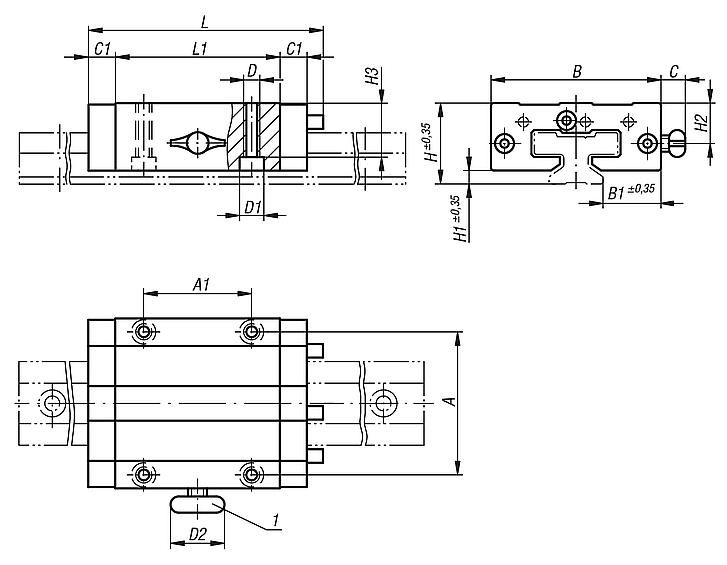
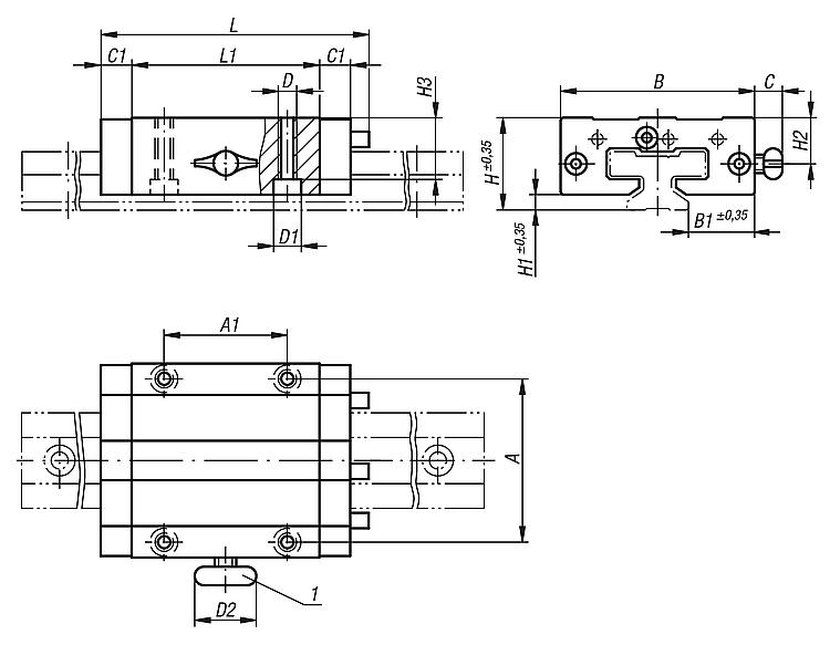
产品说明材料:挤压型材 EN AW-6060 滑座基体。 iglidur ® J 免维护滑动轴承材料滑动元件。 塑料制盖罩。 规格:E6/EV1 阳极氧化涂层。黑色塑料。提示:通过较低惯性可实现较高加速度以及快速达到最高 30 m/s。DryLin® T 型线性滑动导轨耐脏污和耐腐蚀。它们免维护、可调节和低噪音。使用温度最高达 80 °C。 优先用于食品、医疗和净化室技术中,因为不会有润滑剂散出。 手动抱闸是为简单任务而开发的。被夹紧塑料的蠕变特性会导致夹紧力随时间而减弱(直至 70 %)。因此,不得夹紧与安全相关的部件。 适配导轨参见 21200。 图纸提示:特点: 下载此处为收集信息的 PDF:
查找 CAD 数据?请直接在产品列表中查找。
|
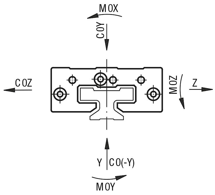
| 订货号 | 类型 2 | 尺寸 | C0Y kN | C0(-Y) kN | C0Z kN | M0X Nm | M0Y Nm | M0Z Nm | A | A1 | B | B1 | C | C1 | D
| D1 适用螺栓 DIN 912 | D2 | H | H1 | H2 | H3 | L | L1 | 手动锁紧 螺纹 | CAD | 配件 | 价格 | 订购 |
|---|
| 21200-1500 | 标准固定滑块 | 15 | 4 | 4 | 2 | 32 | 25 | 25 | 38 | 30 | 47 | 16 | - | 9 | M5 | M4 | - | 24 | 4 | - | 16 | 74 | 50 | - |  | | 根据要求 | | | 21200-2000 | 标准固定滑块 | 20 | 7,4 | 7,4 | 3,7 | 85 | 45 | 45 | 53 | 40 | 63 | 21,5 | - | 10 | M6 | M5 | - | 30 | 5 | - | 19,8 | 87 | 61 | - |  | | 根据要求 | | | 21200-2500 | 标准固定滑块 | 25 | 10 | 10 | 5 | 125 | 65 | 65 | 57 | 45 | 70 | 23,5 | - | 11 | M8 | M6 | - | 36 | 5 | - | 24,8 | 96 | 68 | - |  | | 根据要求 | | | 21200-3000 | 标准固定滑块 | 30 | 14 | 14 | 7 | 200 | 100 | 100 | 72 | 52 | 90 | 31 | - | 12 | M10 | M8 | - | 42 | 6,5 | - | 27 | 109 | 79 | - |  | | 根据要求 | | | 21200-1510 | 带手动夹钳的固定滑块 | 15 | 4 | 4 | 2 | 32 | 25 | 25 | 38 | 30 | 47 | 16 | 19 | 9 | M5 | M4 | 20 | 24 | 4 | 11,5 | 16 | 74 | 50 | M6 |  | | 根据要求 | | | 21200-2010 | 带手动夹钳的固定滑块 | 20 | 7,4 | 7,4 | 3,7 | 85 | 45 | 45 | 53 | 40 | 63 | 21,5 | 18 | 10 | M6 | M5 | 28 | 30 | 5 | 15 | 19,8 | 87 | 61 | M8 |  | | 根据要求 | | | 21200-2510 | 带手动夹钳的固定滑块 | 25 | 10 | 10 | 5 | 125 | 65 | 65 | 57 | 45 | 70 | 23,5 | 17 | 11 | M8 | M6 | 28 | 36 | 5 | 19 | 24,8 | 96 | 68 | M8 |  | | 根据要求 | | | 21200-3010 | 带手动夹钳的固定滑块 | 30 | 14 | 14 | 7 | 200 | 100 | 100 | 72 | 52 | 90 | 31 | 20 | 12 | M10 | M8 | 28 | 42 | 6,5 | 21,5 | 27 | 109 | 79 | M8 |  | | 根据要求 | | | 21200-1520 | y 轴的浮动 | 15 | 4 | 4 | 2 | 32 | 25 | 25 | 38 | 30 | 47 | 16 | - | 9 | M5 | M4 | - | 24 | 4 | - | 16 | 74 | 50 | - |  | | 根据要求 | | | 21200-2020 | y 轴的浮动 | 20 | 7,4 | 7,4 | 3,7 | 85 | 45 | 45 | 53 | 40 | 63 | 21,5 | - | 10 | M6 | M5 | - | 30 | 5 | - | 19,8 | 87 | 61 | - |  | | 根据要求 | | | 21200-2520 | y 轴的浮动 | 25 | 10 | 10 | 5 | 125 | 65 | 65 | 57 | 45 | 70 | 23,5 | - | 11 | M8 | M6 | - | 36 | 5 | - | 24,8 | 96 | 68 | - |  | | 根据要求 | | | 21200-3020 | y 轴的浮动 | 30 | 14 | 14 | 7 | 200 | 100 | 100 | 72 | 52 | 90 | 31 | - | 12 | M10 | M8 | - | 42 | 6,5 | - | 27 | 109 | 79 | - |  | | 根据要求 | | | 21200-1530 | z 方向的浮动 | 15 | 4 | 4 | 2 | 32 | 25 | 25 | 38 | 30 | 47 | 16 | - | 9 | M5 | M4 | - | 24 | 4 | - | 16 | 74 | 50 | - |  | | 根据要求 | | | 21200-2030 | z 方向的浮动 | 20 | 7,4 | 7,4 | 3,7 | 85 | 45 | 45 | 53 | 40 | 63 | 21,5 | - | 10 | M6 | M5 | - | 30 | 5 | - | 19,8 | 87 | 61 | - |  | | 根据要求 | | | 21200-2530 | z 方向的浮动 | 25 | 10 | 10 | 5 | 125 | 65 | 65 | 57 | 45 | 70 | 23,5 | - | 11 | M8 | M6 | - | 36 | 5 | - | 24,8 | 96 | 68 | - |  | | 根据要求 | | | 21200-3030 | z 方向的浮动 | 30 | 14 | 14 | 7 | 200 | 100 | 100 | 72 | 52 | 90 | 31 | - | 12 | M10 | M8 | - | 42 | 6,5 | - | 27 | 109 | 79 | - |  | | 根据要求 | |
|
|