norelem 使用 Cookies 以优化设计和持续改进网页。您通过继续使用网页,同意使用 Cookies。在我们的
数据保护声明
中可以找到有关 Cookies 主题的详细信息。
同意
全球分布
创意
AGB
版权说明
数据保护
产品
企业信息
服务
下载
新闻
联系方式
产品概览
固定
灵活的标准件系统
装配
装配系统
运动
用于机床和设备制造的系统/组件
检查
量具检具组件
夹紧
夹紧技术
控制和调节
电动机构
输送
输送和移动技术
technoshop
norelem inch
英制产品目录
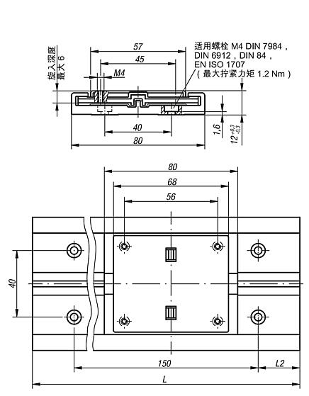
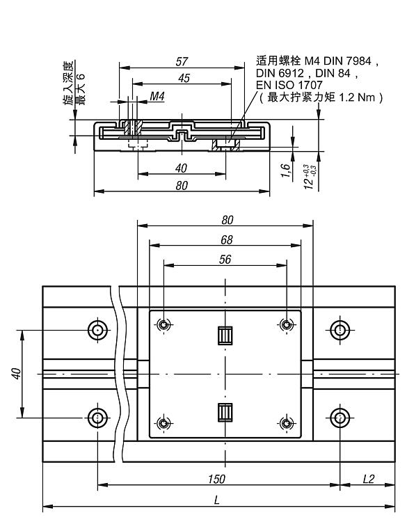
21230
DryLin® N 扁平导轨
返回
产品
产品概览
用于机床和设备制造的系统和组件
滑台、 导轨、 定位台、 小型滑动导轨、 位置指示器
塑料制滑动导轨
DryLin® N 扁平导轨
商品描述/产品说明
产品说明
材料:
锌制滑座基体,
iglidur
®
J 制塑料滑动轴承。
阳极氧化处理铝制导轨。
规格:
经铬化处理的基体。自然色阳极氧化处理导轨。
提示:
小型滑动导轨免维护且耐腐蚀。通过较低重量可实现极高速度和加速度。使用温度最高达 80 °C。
小型滑动导轨不易受灰尘影响并且尤其适合干运行。
** 长度 L2 = 30 mm 和
* 标注长度 L = 1000 mm。
长度 L2 和 L 只能以 mm 标注。
下载
此处为收集信息的 PDF:
查找 CAD 数据?请直接在产品列表中查找。
Datasheet 21230 DryLin® N 扁平导轨
212 kB
图纸
商品选择/筛选
订货号
名称
类型 1
CAD
配件
价格
订购
21230-8000
导向滑座
固定
根据要求
21230-8010
导向滑座
浮动
根据要求
订货号
名称
L
max.
L2
CAD
配件
价格
订购
21230-8030X3960
导轨
3960
30
根据要求
订货号
名称
类型 1
L
max.
L
L2
L2
min.
L2
max.
CAD
配件
价格
订购
21230-80**X*
导轨
客户指定 L2 和 L
3960
*
**
25
100
根据要求
本类目的其他商品
<<
|
<
|
1-10
|
11-12
|
>
|
>>
21200
DryLin® T 导向滑块
21200
DryLin® T 导轨
21210
DryLin® T 小型线性导轨
21230
DryLin® N 微型滑道,宽度 17 mm
21230
DryLin® N 微型滑道,宽度 27 mm
21230
DryLin® N 微型滑道,宽度 40 mm
21240
DryLin® W 导向滑块
21240
DryLin® W 滑座
21240
Drylin® W 单导轨
21240
Drylin® W 双导轨
<<
|
<
|
1-10
|
11-12
|
>
|
>>
我的 norelem
E-Mail
密码
忘记密码
首次登陆
购物车
商品数量:
0
总数:
0.00
€
点击购物车
欢迎扫描二维码
咨询诺瑞朗官方客服微信
Algérie
Andorra
Argentina
Australia
België
Bolivia
Bosna i Hercegovina
Brasil
Canada
Česká republika
Chile
中国
Colombia
Costa Rica
Cuba
Danmark
Dem. Peop. Rep. of Korea
Deutschland
Ecuador
Eesti
España
Georgia
香港
Hrvatska
India
Ireland
Ísland
Italia
Jamaica
日本
Latvija
Liechtenstein
Lietuvos
Luxemburg
Magyarország
Malaysia
Malta
México
Nederland
New Zealand
Norge
Österreich
Pakistan
Paraguay
Perú
Polska
Portugal
Principauté de Monaco
台灣
Rep. di San Marino
대한민국
România
Schweiz
Singapore
Slovenija
Slovensko
South Africa
Suomi
Sverige
Türkiye
United Kingdom
United States of America
Uruguay
Venezuela
Việt Nam
Ελλάδα
Κύπρος
Беларусь
България
Република Србија
Россия
Србија и Црна Гора
Україна
ישראל
الامارات العربية المتحدة
السعودية
ايران
مصر
ประเทศไทย
Chinese
English
苏ICP备20011289号-1
苏公网安备32058502011222
网页地图
打印
推荐
Top
Copyright © 2025 norelem. 保留所有权利。
电话 +49 71 45/206-44 至 45 · 传真 +49 71 45/206-83