norelem 使用 Cookies 以优化设计和持续改进网页。您通过继续使用网页,同意使用 Cookies。在我们的
数据保护声明
中可以找到有关 Cookies 主题的详细信息。
同意
全球分布
创意
AGB
版权说明
数据保护
产品
企业信息
服务
下载
新闻
联系方式
产品概览
固定
灵活的标准件系统
装配
装配系统
运动
用于机床和设备制造的系统/组件
检查
量具检具组件
夹紧
夹紧技术
控制和调节
电动机构
输送
输送和移动技术
technoshop
norelem inch
英制产品目录
21133
带电子位置指示器的短型十字台
返回
产品
产品概览
用于机床和设备制造的系统和组件
滑台、 导轨、 定位台、 小型滑动导轨、 位置指示器
定位系统
带电子位置指示器的短型十字台
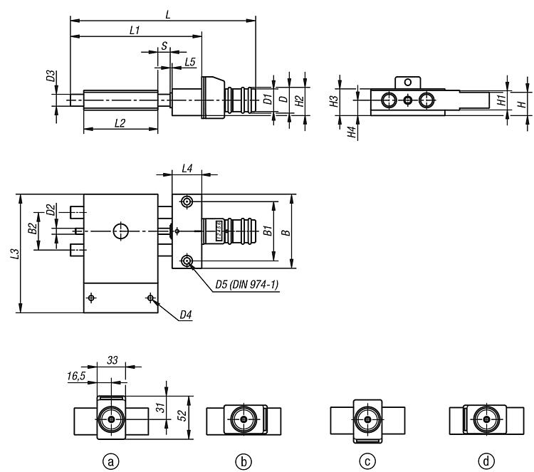
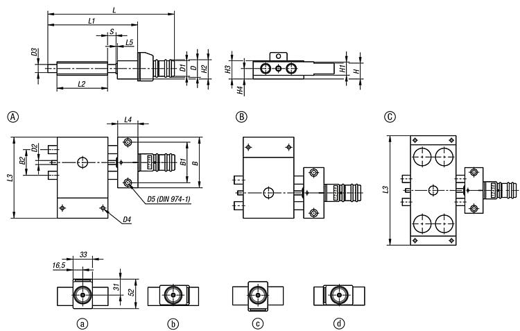
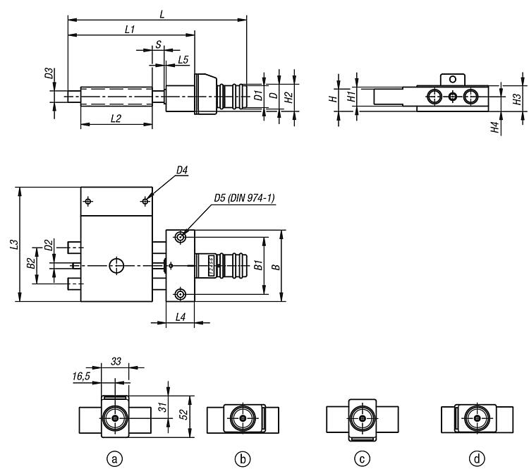
商品描述/产品说明
产品说明
材料:
铝合金制轴承块和滑撬,经阳极氧化处理。
不锈钢制导向柱,经打磨处理。
不锈钢制丝杠,滚轧螺纹。
动轴承导杆,免维护。
塑料制位置指示器。
规格:
导杆的径向间隙小于 0.02 mm。自锁型丝杠,可额外夹紧。
提示:
通过几乎无间隙的导杆和绝对无间隙丝杆,无需松开和夹紧丝杆即可进行调整。
电子位置指示器,具有 0.01 mm 的显示精度和大型 LCD 显示屏。通过键盘操作可进行复位、增量尺寸及偏移设置。
该电池使用寿命为 2 年。电池更换快速方便。
位置指示器的安装位置可借助螺栓固定在 4 个位置。
十字台可在模块设计原理下以其各自的结构尺寸与定位台、升降台及其他附件轻松组合。
图纸提示:
位置指示器的安装:
a) 上部 (标准)
b) 右
c) 下面
d) 左
特点:
下载
此处为收集信息的 PDF:
查找 CAD 数据?请直接在产品列表中查找。
Datasheet 21133 带电子位置指示器的短型十字台
378 kB
图片(总概述)
带电子位置指示器的短型十字台,A 型
更多信息
图纸
商品选择/筛选
订货号
B
B1
B2
D
D1
D2
D3
D4
D5
H
H1
H2
H3
H4
L
L1
L2
L3
L4
L5
行程
S
F1
N
F2
N
F3
N
Mx
Nm
My
Nm
Mz
Nm
CAD
配件
价格
订购
21133-108
46
36
21
26
23
M6x1
8
M4
4
18
14
27
23
14
139
80
46
75
20
2
14
200
200
X = 39 (50)
1,9
0,9
1,9
根据要求
21133-112
75
60
38
26
23
M6x1
12
M6
6
23,5
20
29
27
15,5
192
133
75
120
30
2
25
300
300
X = 58 (100)
5,5
3
5,5
根据要求
带电子位置指示器的短型十字台,B 型
更多信息
图纸
商品选择/筛选
订货号
B
B1
B2
D
D1
D2
D3
D4
D5
H
H1
H2
H3
H4
L
L1
L2
L3
L4
L5
行程
S
F1
N
F2
N
F3
N
Mx
Nm
My
Nm
Mz
Nm
CAD
配件
价格
订购
21133-208
46
36
21
26
23
M6x1
8
M4
4
18
14
27
23
14
139
80
46
75
20
2
14
200
200
X = 39 (50)
1,9
0,9
1,9
根据要求
21133-212
75
60
38
26
23
M6x1
12
M6
6
23,5
20
29
27
15,5
192
133
75
120
30
2
25
300
300
X = 58 (100)
5,5
3
5,5
根据要求
带电子位置指示器的短型十字台,C 型
更多信息
图纸
商品选择/筛选
订货号
B
B1
B2
D
D1
D2
D3
D4
D5
H
H1
H2
H3
H4
L
L1
L2
L3
L4
L5
行程
S
F1
N
F2
N
F3
N
Mx
Nm
My
Nm
Mz
Nm
CAD
配件
价格
订购
21133-308
46
36
21
26
23
M6x1
8
M4
4
18
14
27
23
14
139
80
46
120
20
2
14
200
200
X = 39 (50)
1,9
0,9
1,9
根据要求
21133-312
75
60
38
26
23
M6x1
12
M6
6
23,5
20
29
27
15,5
192
133
75
180
30
2
25
300
300
X = 58 (100)
5,5
3
5,5
根据要求
本类目的其他商品
<<
|
<
|
1-10
|
11-20
|
21-26
|
>
|
>>
21100
短型定位台
21102
带位置指示器的短型定位台
21104
带电子位置指示器的短型定位台
21120
长型定位台
21122
带位置指示器的长型定位台
21124
带电子位置指示器的长型定位台
21130
短滑台
21132
十字台,短款,带位置指示器
21134
十字台,长款
21136
十字台,长款,带位置指示器
<<
|
<
|
1-10
|
11-20
|
21-26
|
>
|
>>
我的 norelem
E-Mail
密码
忘记密码
首次登陆
购物车
商品数量:
0
总数:
0.00
€
点击购物车
欢迎扫描二维码
咨询诺瑞朗官方客服微信
摆动角
Algérie
Andorra
Argentina
Australia
België
Bolivia
Bosna i Hercegovina
Brasil
Canada
Česká republika
Chile
中国
Colombia
Costa Rica
Cuba
Danmark
Dem. Peop. Rep. of Korea
Deutschland
Ecuador
Eesti
España
Georgia
香港
Hrvatska
India
Ireland
Ísland
Italia
Jamaica
日本
Latvija
Liechtenstein
Lietuvos
Luxemburg
Magyarország
Malaysia
Malta
México
Nederland
New Zealand
Norge
Österreich
Pakistan
Paraguay
Perú
Polska
Portugal
Principauté de Monaco
台灣
Rep. di San Marino
대한민국
România
Schweiz
Singapore
Slovenija
Slovensko
South Africa
Suomi
Sverige
Türkiye
United Kingdom
United States of America
Uruguay
Venezuela
Việt Nam
Ελλάδα
Κύπρος
Беларусь
България
Република Србија
Россия
Србија и Црна Гора
Україна
ישראל
الامارات العربية المتحدة
السعودية
ايران
مصر
ประเทศไทย
Chinese
English
苏ICP备20011289号-1
苏公网安备32058502011222
网页地图
打印
推荐
Top
Copyright © 2025 norelem. 保留所有权利。
电话 +49 71 45/206-44 至 45 · 传真 +49 71 45/206-83