|
|
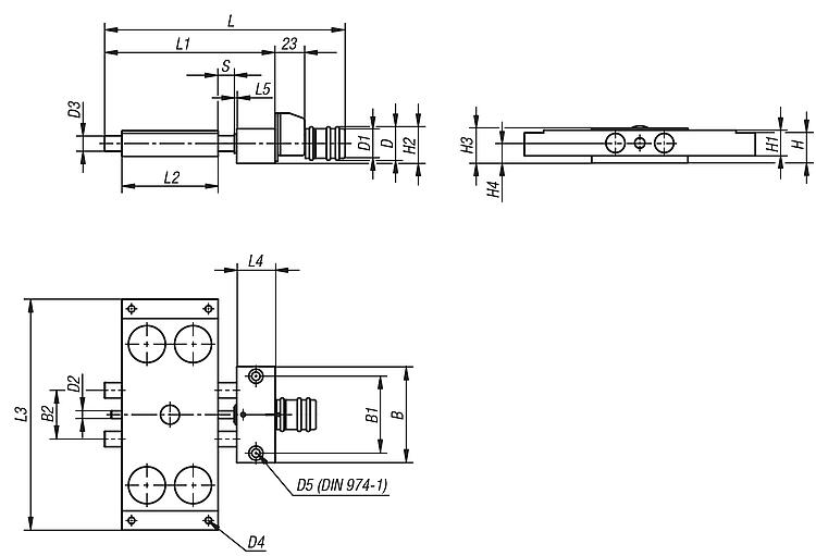
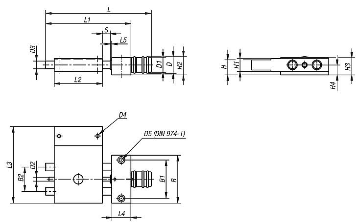
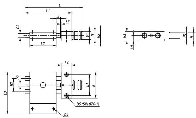
产品说明材料:铝合金制轴承块和滑撬,经阳极氧化处理。 不锈钢制导向柱,经打磨处理。 不锈钢制丝杠,滚轧螺纹。 滑动轴承导杆,免维护。规格:导杆的径向间隙小于 0.02 mm。自锁型丝杠,可额外夹紧。提示:通过几乎无间隙的导轨和绝对无间隙的丝杠,在调整时无需松开和夹紧丝杠。 刻度尺的刻度为 5 或 10 个刻线,1 个刻线对应 0.1 mm 调整距离。 按照模块化原理,不同尺寸的载物台可以非常简单地与定位台、升降台等配件组合。特点: 下载此处为收集信息的 PDF:
查找 CAD 数据?请直接在产品列表中查找。
|
| 订货号 | B | B1 | B2 | C (行程) | D | D1 | D2 | D3 | D4 | D5 | H | H1 | H2 | H3 | H4 | L | L1 | L2 | L3 | L4 | L5 | F1 N | F2 N | F3 N | Mx Nm | My Nm | Mz Nm | CAD | 配件 | 价格 | 订购 |
|---|
| 21130-104 | 29 | 22 | 12 | - | 13 | 11,5 | M3x0,5 | 4 | M3 | 3 | 11 | 8 | 14,5 | 13 | 8 | 64,5 | 50 | 29 | 46 | 10 | 1,5 | 70 | 70 | X = 28 (10) | 0,25 | 0,11 | 0,25 |  | | 根据要求 | | | 21130-108 | 46 | 36 | 21 | - | 26 | 23 | M6x1 | 8 | M4 | 4 | 18 | 14 | 27 | 23 | 14 | 108,5 | 80 | 46 | 75 | 20 | 2 | 200 | 200 | X = 39 (50) | 1,9 | 0,9 | 1,9 |  | | 根据要求 | | | 21130-112 | 75 | 60 | 38 | - | 26 | 23 | M6x1 | 12 | M6 | 6 | 23,5 | 20 | 29 | 27 | 15,5 | 162 | 133 | 75 | 120 | 30 | 2 | 300 | 300 | X = 58 (100) | 5,5 | 3 | 5,5 |  | | 根据要求 | |
|
| 订货号 | B | B1 | B2 | C (行程) | D | D1 | D2 | D3 | D4 | D5 | H | H1 | H2 | H3 | H4 | L | L1 | L2 | L3 | L4 | L5 | F1 N | F2 N | F3 N | Mx Nm | My Nm | Mz Nm | CAD | 配件 | 价格 | 订购 |
|---|
| 21130-204 | 29 | 22 | 12 | - | 13 | 11,5 | M3x0,5 | 4 | M3 | 3 | 11 | 8 | 14,5 | 13 | 8 | 64,5 | 50 | 29 | 46 | 10 | 1,5 | 70 | 70 | X = 28 (10) | 0,25 | 0,11 | 0,25 |  | | 根据要求 | | | 21130-208 | 46 | 36 | 21 | - | 26 | 23 | M6x1 | 8 | M4 | 4 | 18 | 14 | 27 | 23 | 14 | 108,5 | 80 | 46 | 75 | 20 | 2 | 200 | 200 | X = 39 (50) | 1,9 | 0,9 | 1,9 |  | | 根据要求 | | | 21130-212 | 75 | 60 | 38 | - | 26 | 23 | M6x1 | 12 | M6 | 6 | 23,5 | 20 | 29 | 27 | 15,5 | 162 | 133 | 75 | 120 | 30 | 2 | 300 | 300 | X = 58 (100) | 5,5 | 3 | 5,5 |  | | 根据要求 | |
|
| 订货号 | B | B1 | B2 | C (行程) | D | D1 | D2 | D3 | D4 | D5 | H | H1 | H2 | H3 | H4 | L | L1 | L2 | L3 | L4 | L5 | F1 N | F2 N | F3 N | Mx Nm | My Nm | Mz Nm | CAD | 配件 | 价格 | 订购 |
|---|
| 21130-304 | 29 | 22 | 12 | - | 13 | 11,5 | M3x0,5 | 4 | M3 | 3 | 11 | 8 | 14,5 | 13 | 8 | 64,5 | 50 | 29 | 70 | 10 | 1,5 | 70 | 70 | X = 28 (10) | 0,25 | 0,11 | 0,25 |  | | 根据要求 | | | 21130-308 | 46 | 36 | 21 | - | 26 | 23 | M6x1 | 8 | M4 | 4 | 18 | 14 | 27 | 23 | 14 | 108,5 | 80 | 46 | 120 | 20 | 2 | 200 | 200 | X = 39 (50) | 1,9 | 0,9 | 1,9 |  | | 根据要求 | | | 21130-312 | 75 | 60 | 38 | - | 26 | 23 | M6x1 | 12 | M6 | 6 | 23,5 | 20 | 29 | 27 | 15,5 | 162 | 133 | 75 | 180 | 30 | 2 | 300 | 300 | X = 58 (100) | 5,5 | 3 | 5,5 |  | | 根据要求 | |
|
|
|