|
|
产品说明材料:阳极氧化铝制壳体。 Frelon 滑面(Frelon:带填充料的特氟龙)。规格:线性滑动套筒带 Frelon 涂层。提示:接近化学无活性。自润滑(无附加润滑材料的情况下运行)。 较高的温度范围 (-240 °C 至 +260 °C)。 减振的。 高静态额定负载 - 投影面积 x P (P = 1034 N/cm²) 食品、医药、药品及化学行业。 耐脏的。特点: 下载此处为收集信息的 PDF:
查找 CAD 数据?请直接在产品列表中查找。
|
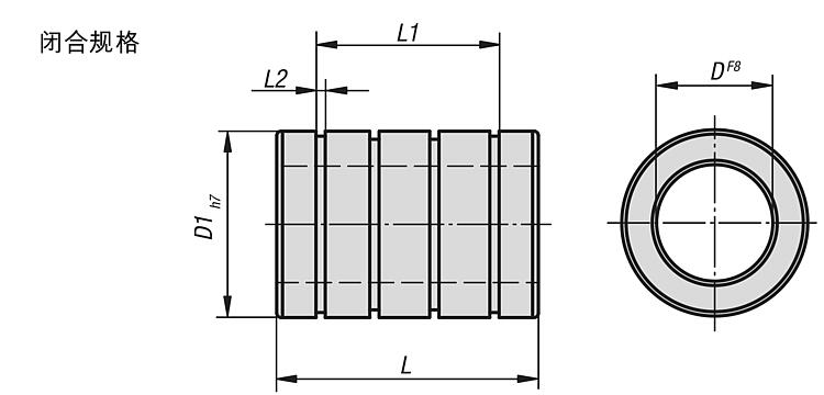
订货号 | 类型 1 | D
| D1 | L | L1 | L2 | CAD | 配件 | 价格 | 订购 |
|---|
| 21495-01-050 | 闭合 | 5 | 12 | 22 | 14,28 | 1,14 |  | | 根据要求 | | | 21495-01-080 | 闭合 | 8 | 16 | 25 | 16,28 | 1,14 |  | | 根据要求 | | | 21495-01-100 | 闭合 | 10 | 19 | 29 | 22,04 | 1,32 |  | | 根据要求 | | | 21495-01-120 | 闭合 | 12 | 22 | 32 | 22,64 | 1,32 |  | | 根据要求 | | | 21495-01-160 | 闭合 | 16 | 26 | 36 | 24,64 | 1,32 |  | | 根据要求 | | | 21495-01-200 | 闭合 | 20 | 32 | 45 | 31,26 | 1,63 |  | | 根据要求 | | | 21495-01-250 | 闭合 | 25 | 40 | 58 | 43,8 | 1,9 |  | | 根据要求 | | | 21495-01-300 | 闭合 | 30 | 47 | 68 | 51,8 | 1,9 |  | | 根据要求 | |
|
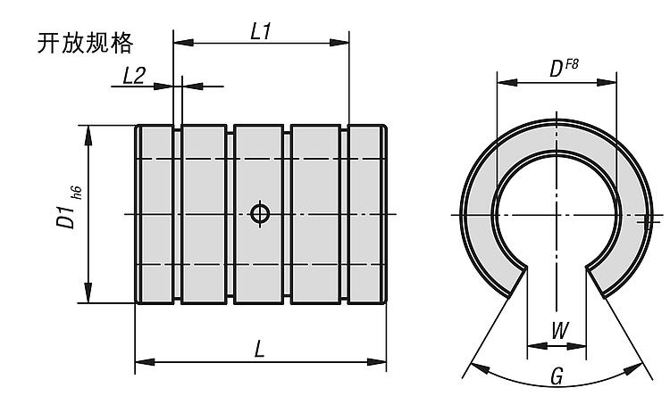
订货号 | 类型 1 | D
| D1 | G | L | L1 | L2 | W | CAD | 配件 | 价格 | 订购 |
|---|
| 21495-01-081 | 开口 | 8 | 16 | 60° | 25 | 16,28 | 1,14 | 5,1 |  | | 根据要求 | | | 21495-01-101 | 开口 | 10 | 19 | 60° | 29 | 22,04 | 1,32 | 6,4 |  | | 根据要求 | | | 21495-01-121 | 开口 | 12 | 22 | 78° | 32 | 22,64 | 1,32 | 7,6 |  | | 根据要求 | | | 21495-01-161 | 开口 | 16 | 26 | 78° | 36 | 24,64 | 1,32 | 10,4 |  | | 根据要求 | | | 21495-01-201 | 开口 | 20 | 32 | 60° | 45 | 31,26 | 1,63 | 10,8 |  | | 根据要求 | | | 21495-01-251 | 开口 | 25 | 40 | 60° | 58 | 43,8 | 1,9 | 13,2 |  | | 根据要求 | | | 21495-01-301 | 开口 | 30 | 47 | 72° | 68 | 51,8 | 1,9 | 14,2 |  | | 根据要求 | |
|
|
|