|
|
|
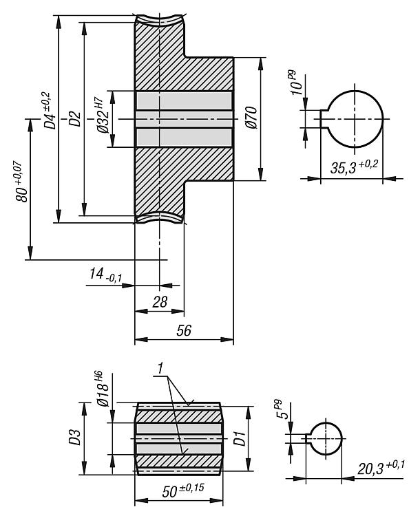
22500蜗杆蜗轮组套件,右旋,轴距 80 毫米 |
返回 |
|
|
产品说明材料:蜗杆,钢制。 蜗轮 CuZn37Mn3Al2PbSi-S40。规格:右旋蜗杆, HV 620 – 700 定型的, 侧边及钻孔经过打磨处理。订购须知:蜗轮/蜗杆仅可以在使用同一轴距及同一传动比的情况下蜗杆蜗杆蜗轮组套件结合。提示:蜗轮组件由蜗杆和蜗轮组成。适用于生产轴角 90° 的蜗杆传动装置。借助蜗轮蜗杆减速机,只需一个阶段即可实现较大传动比的降速。
齿形的侧面形状为 K。啮合角为 15°。蜗轮组件已预先钻孔。
规定的输出扭矩 T2 是蜗轮允许的输出扭矩。适用于蜗杆输入转速为 2800 rpm 的情况。
蜗轮组 22500-351002 / 22500-352002 仅提供抛光(平滑)蜗杆轮廓、压力角 20° 和带螺旋齿轮的轮子。
图纸提示:特点: 下载此处为收集信息的 PDF:
查找 CAD 数据?请直接在产品列表中查找。
|
| 订货号 | 图 | 名称 | 传动比 | 螺旋角 | 模数 | Z1 | D1 | D3 | Z2 | D2 | D4 | 驱动扭矩 T2 (Nm) 矿物油 | 驱动扭矩 T2 (Nm) 矿物油 | 驱动扭矩 T2 (Nm) 合成油 | CAD | 配件 | 价格 | 订购 |
|---|
| 22500-801006 |  | 蜗杆 | - | 23° 35 | 4 | 4 | 40 | 48 | - | - | - | 150 | 180 | 225 |  | | 根据要求 | | | 22500-802006 |  | 蜗轮 | 6,75:1 | 23° 35 | 4 | - | - | - | 27 | 120 | 132 | 150 | 180 | 225 |  | | 根据要求 | | | 22500-801012 |  | 蜗杆 | - | 16° 36 | 2,5 | 4 | 35 | 40 | - | - | - | 243 | 290 | 365 |  | | 根据要求 | | | 22500-802012 |  | 蜗轮 | 12:1 | 16° 36 | 2,5 | - | - | - | 48 | 125 | 132,5 | 243 | 290 | 365 |  | | 根据要求 | | | 22500-801020 |  | 蜗杆 | - | 8° 58 | 3 | 2 | 38,5 | 44,5 | - | - | - | 290 | 348 | 435 |  | | 根据要求 | | | 22500-802020 |  | 蜗轮 | 20:1 | 8° 58 | 3 | - | - | - | 40 | 121,5 | 130,5 | 290 | 348 | 435 |  | | 根据要求 | | | 22500-801030 |  | 蜗杆 | - | 5° 44 | 4 | 1 | 40 | 48 | - | - | - | 348 | 417 | 522 |  | | 根据要求 | | | 22500-802030 |  | 蜗轮 | 30:1 | 5° 44 | 4 | - | - | - | 30 | 120 | 132,5 | 348 | 417 | 522 |  | | 根据要求 | | | 22500-801050 |  | 蜗杆 | - | 4° 6 | 2,5 | 1 | 35 | 40 | - | - | - | 248 | 297 | 372 |  | | 根据要求 | | | 22500-802050 |  | 蜗轮 | 50:1 | 4° 6 | 2,5 | - | - | - | 50 | 125 | 132,5 | 248 | 297 | 372 |  | | 根据要求 | | | 22500-801080 |  | 蜗杆 | - | 2° 9 | 1,5 | 1 | 40 | 43 | - | - | - | 213 | 255 | 320 |  | | 根据要求 | | | 22500-802080 |  | 蜗轮 | 80:1 | 2° 9 | 1,5 | - | - | - | 80 | 120 | 124,5 | 213 | 255 | 320 |  | | 根据要求 | |
|
|