norelem 使用 Cookies 以优化设计和持续改进网页。您通过继续使用网页,同意使用 Cookies。在我们的
数据保护声明
中可以找到有关 Cookies 主题的详细信息。
同意
全球分布
创意
AGB
版权说明
数据保护
产品
企业信息
服务
下载
新闻
联系方式
产品概览
固定
灵活的标准件系统
装配
装配系统
运动
用于机床和设备制造的系统/组件
检查
量具检具组件
夹紧
夹紧技术
控制和调节
电动机构
输送
输送和移动技术
technoshop
norelem inch
英制产品目录
23414
球窝接头和万向节头(单)的橡胶护套
返回
产品
产品概览
用于机床和设备制造的系统和组件
联轴器、 刚性联轴器、 胀紧套、 万向节、 快速插拔联轴器、 轴承、 密封件
万向节
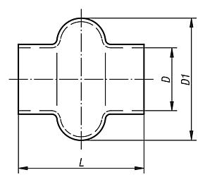
球窝接头和万向节头(单)的橡胶护套
商品描述/产品说明
产品说明
提示:
橡胶保护套(单)适合外径自 16 mm 起的单万向节。它们由一种具有橡胶弹性、耐油的塑料制成,并用浸渍法制造。
订货号为 23414-50 的型号提供 4 层波纹管。
直径 D、D1 可缩减最多 10%。长度 L 可能存在最多 ±5% 的偏差。
特点:
下载
此处为收集信息的 PDF:
查找 CAD 数据?请直接在产品列表中查找。
Datasheet 23414 球窝接头和万向节头(单)的橡胶护套
121 kB
图纸
商品选择/筛选
订货号
D
D1
L
适用
单关节连杆
Ø (D1)
CAD
配件
价格
订购
23414-16
16
34,5
34
16
根据要求
23414-20
18
35
44
20
根据要求
23414-24
23
44
56
24
根据要求
23414-28
28
49
66
28
根据要求
23414-32
32
56
63
32
根据要求
23414-36
35
64
65
36
根据要求
23414-40
38
64,5
74
40
根据要求
23414-45
41
69
78
45
根据要求
23414-50
50
85
100
50
根据要求
23414-65
65
109
132
63
根据要求
23414-70
70
119
144
70
根据要求
本类目的其他商品
23403
带滑动轴承 DIN 808 的单万向节
23403-01
带有类似 DIN 808 滑动轴承的不锈钢单万向节
23404
带滑动轴承的双万向节 DIN 808
23404-01
带有类似 DIN 808 滑动轴承的不锈钢双万向节
23406
带滚针轴承 DIN 808 的单万向节
23407
带滚针轴承的双万向节 DIN 808
23409
带滑动轴承重型规格 DIN 808 的单万向节
23410
带滑动轴承重型规格的双万向节 DIN 808
23412
可伸缩十字轴万向节轴
23415
球窝接头和万向节头(双)的橡胶护套
我的 norelem
E-Mail
密码
忘记密码
首次登陆
购物车
商品数量:
0
总数:
0.00
€
点击购物车
欢迎扫描二维码
咨询诺瑞朗官方客服微信
Algérie
Andorra
Argentina
Australia
België
Bolivia
Bosna i Hercegovina
Brasil
Canada
Česká republika
Chile
中国
Colombia
Costa Rica
Cuba
Danmark
Dem. Peop. Rep. of Korea
Deutschland
Ecuador
Eesti
España
Georgia
香港
Hrvatska
India
Ireland
Ísland
Italia
Jamaica
日本
Latvija
Liechtenstein
Lietuvos
Luxemburg
Magyarország
Malaysia
Malta
México
Nederland
New Zealand
Norge
Österreich
Pakistan
Paraguay
Perú
Polska
Portugal
Principauté de Monaco
台灣
Rep. di San Marino
대한민국
România
Schweiz
Singapore
Slovenija
Slovensko
South Africa
Suomi
Sverige
Türkiye
United Kingdom
United States of America
Uruguay
Venezuela
Việt Nam
Ελλάδα
Κύπρος
Беларусь
България
Република Србија
Россия
Србија и Црна Гора
Україна
ישראל
الامارات العربية المتحدة
السعودية
ايران
مصر
ประเทศไทย
Chinese
English
苏ICP备20011289号-1
苏公网安备32058502011222
网页地图
打印
推荐
Top
Copyright © 2025 norelem. 保留所有权利。
电话 +49 71 45/206-44 至 45 · 传真 +49 71 45/206-83