|
|
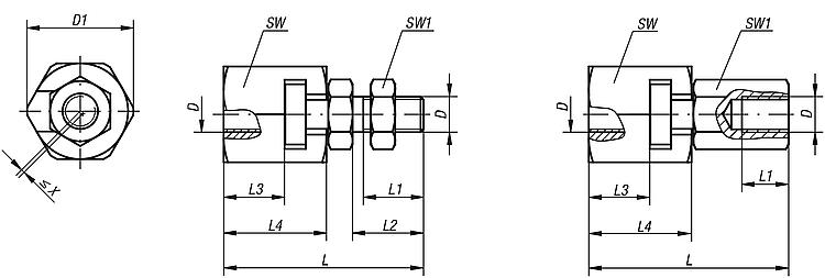
产品说明材料:钢制联轴器件和卡爪。 品质等级 8.8 钢制螺母 (DIN 439)。规格:经调质和磷化处理的联轴器件和法兰。 螺母经黑色氧化处理。提示:用于各种应用和使用范围的带径向偏移补偿的快速插拔联轴器,例如作为活塞杆和线性移动单元之间的连接件。借助 T 型槽安装和拆卸单一、坚固和分为两部分的联轴器,无需手动重新调整。 快速插拔联轴器可通过连接螺纹与所有常见气动和液压升降缸连接。
联轴器不传输扭矩。 特点: 下载此处为收集信息的 PDF:
查找 CAD 数据?请直接在产品列表中查找。
|
订货号 | 规格 | D
| D1 | L | L1 min. | L2 | L3 min. | L4 | SW | SW1 | 径向偏差 补偿 X 最大 | 最大承载 拉力及压力 KN | CAD | 配件 | 价格 | 订购 |
|---|
| 23450-06 | 内螺纹 | M6 | 21 | 37,5 | 11 | - | 9 | 18 | 19 | 10 | 0,6 | 2,5 |  | | 根据要求 | | | 23450-08 | 内螺纹 | M8 | 26 | 45 | 13,5 | - | 11,5 | 22,5 | 24 | 13 | 0,7 | 4,5 |  | | 根据要求 | | | 23450-10 | 内螺纹 | M10 | 30 | 56,2 | 15 | - | 16 | 29 | 27 | 17 | 0,7 | 6,5 |  | | 根据要求 | | | 23450-101 | 内螺纹 | M10x1,25 | 30 | 56,2 | 15 | - | 16 | 29 | 27 | 17 | 0,7 | 6,5 |  | | 根据要求 | | | 23450-12 | 内螺纹 | M12 | 32,5 | 66,7 | 17,5 | - | 17 | 34 | 30 | 19 | 0,8 | 10 |  | | 根据要求 | | | 23450-121 | 内螺纹 | M12x1,25 | 32,5 | 66,7 | 17,5 | - | 17 | 34 | 30 | 19 | 0,8 | 10 |  | | 根据要求 | | | 23450-16 | 内螺纹 | M16 | 39 | 83 | 22 | - | 23 | 42 | 36 | 24 | 1 | 18 |  | | 根据要求 | | | 23450-161 | 内螺纹 | M16x1,5 | 39 | 83 | 22 | - | 23 | 42 | 36 | 24 | 1 | 18 |  | | 根据要求 | | | 23450-20 | 内螺纹 | M20 | 44 | 93,5 | 25 | - | 23,5 | 45,5 | 41 | 30 | 1 | 30 |  | | 根据要求 | | | 23450-201 | 内螺纹 | M20x1,5 | 44 | 93,5 | 25 | - | 23,5 | 45,5 | 41 | 30 | 1 | 30 |  | | 根据要求 | | | 23450-0614 | 外螺纹 | M6 | 21 | 37,5 | 11 | 14 | 9 | 18 | 19 | 10 | 0,6 | 2,5 |  | | 根据要求 | | | 23450-0817 | 外螺纹 | M8 | 26 | 45 | 13,5 | 17 | 11,5 | 22,5 | 24 | 13 | 0,7 | 4,5 |  | | 根据要求 | | | 23450-1020 | 外螺纹 | M10 | 30 | 56,2 | 16 | 20 | 16 | 29 | 27 | 17 | 0,7 | 6,5 |  | | 根据要求 | | | 23450-10201 | 外螺纹 | M10x1,25 | 30 | 56,2 | 16 | 20 | 16 | 29 | 27 | 17 | 0,7 | 6,5 |  | | 根据要求 | | | 23450-1225 | 外螺纹 | M12 | 32,5 | 66,7 | 21 | 25 | 17 | 34 | 30 | 19 | 0,8 | 10 |  | | 根据要求 | | | 23450-12251 | 外螺纹 | M12x1,25 | 32,5 | 66,7 | 21 | 25 | 17 | 34 | 30 | 19 | 0,8 | 10 |  | | 根据要求 | | | 23450-1630 | 外螺纹 | M16 | 39 | 83 | 25 | 30 | 23 | 42 | 36 | 24 | 1 | 18 |  | | 根据要求 | | | 23450-16301 | 外螺纹 | M16x1,5 | 39 | 83 | 25 | 30 | 23 | 42 | 36 | 24 | 1 | 18 |  | | 根据要求 | | | 23450-2035 | 外螺纹 | M20 | 44 | 93,5 | 29 | 35 | 23,5 | 45,5 | 41 | 30 | 1 | 30 |  | | 根据要求 | | | 23450-20351 | 外螺纹 | M20x1,5 | 44 | 93,5 | 29 | 35 | 23,5 | 45,5 | 41 | 30 | 1 | 30 |  | | 根据要求 | |
|
|