|
|
|
23454带角度和径向偏移补偿的快速插拔联轴器 |
返回 |
|
|
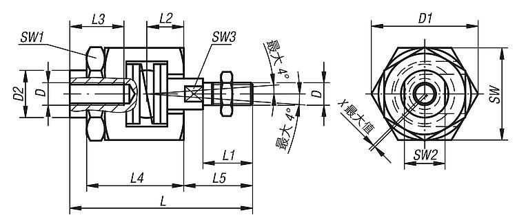
产品说明材料:调质钢制联轴器件。 钢制卡爪和轴衬。 调质钢制螺母。 钢制锁紧螺母 (EN 24035),品质等级 8.8。 不锈钢制弹簧。规格:经氮化处理的联轴器件,黑色。 经调质和磷化处理的卡爪和轴衬。 经磷化处理的螺母。 黑色锁紧螺母。提示:用于各种应用和使用范围的带角度和径向偏移补偿的轴向无间隙可调节快速插拔联轴器,例如在未对齐的线性运动中。没有松动部件的紧凑型结构。借助 T 型槽安装和拆卸,无需手动重新调整。 快速插拔联轴器可通过连接螺纹与所有常见气动和液压升降缸连接。
联轴器不传输扭矩。 特点: 下载此处为收集信息的 PDF:
查找 CAD 数据?请直接在产品列表中查找。
|
订货号 | D
| D1 | D2 | L | L1 | L2 | L3 min. | L4 | L5 | SW | SW1 | SW2 | SW3 | 径向偏差 补偿 X 最大 | 最大承载 拉力及压力 KN | CAD | 配件 | 价格 | 订购 |
|---|
| 23454-06 | M6 | 24,5 | 9,6 | 52 | 14 | 9,5 | 13 | 29 | 18,5 | 22 | 19 | 8 | 5 | 0,6 | 2,5 |  | | 根据要求 | | | 23454-08 | M8 | 30 | 15 | 63 | 18 | 11,5 | 16 | 33 | 23,5 | 27 | 24 | 13 | 7 | 0,6 | 4,5 |  | | 根据要求 | | | 23454-10 | M10 | 44 | 21 | 81 | 22 | 16 | 24 | 43 | 30,5 | 41 | 36 | 18 | 12 | 0,7 | 6,5 |  | | 根据要求 | | | 23454-101 | M10X1,25 | 44 | 21 | 81 | 22 | 16 | 24 | 43 | 30,5 | 41 | 36 | 18 | 12 | 0,7 | 6,5 |  | | 根据要求 | | | 23454-12 | M12 | 44 | 21 | 85 | 26 | 16 | 24 | 43 | 34,5 | 41 | 36 | 18 | 12 | 0,7 | 10 |  | | 根据要求 | | | 23454-121 | M12X1,25 | 44 | 21 | 85 | 26 | 16 | 24 | 43 | 34,5 | 41 | 36 | 18 | 12 | 0,7 | 10 |  | | 根据要求 | | | 23454-16 | M16 | 60 | 32 | 121 | 34 | 26 | 34 | 62 | 45 | 55 | 46 | 27 | 18 | 1 | 18 |  | | 根据要求 | | | 23454-161 | M16x1,5 | 60 | 32 | 121 | 34 | 26 | 34 | 62 | 45 | 55 | 46 | 27 | 18 | 1 | 18 |  | | 根据要求 | | | 23454-20 | M20 | 60 | 32 | 129 | 42 | 26 | 34 | 62 | 53 | 55 | 46 | 27 | 18 | 1 | 30 |  | | 根据要求 | | | 23454-201 | M20X1,5 | 60 | 32 | 129 | 42 | 26 | 34 | 62 | 53 | 55 | 46 | 27 | 18 | 1 | 30 |  | | 根据要求 | |
|
|