|
|
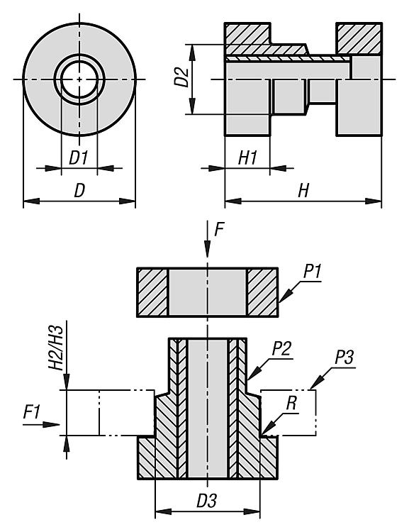
产品说明材料:绝缘介质采用氯丁橡胶。 外壳体采用钢制。规格:钢制镀锌。提示:两件套的连接绝缘子用于与机器或设备上相连部件之间建立稳定或有效的解耦连接。 由于材料成分的原因,橡胶缓冲器会接触着色,由此导致地板或接触表面等出现磨损痕迹和变色等现象。 可根据要求提供浅灰色三元乙丙橡胶制成的非接触着色橡胶缓冲器。
符合范围从 10 kg 覆盖到 285 kg。
尺寸 H 是连接绝缘子安装后的高度。
产品带有彩色标识。 黄点 = 邵氏硬度 35。 红点 = 邵氏硬度 45。 绿点 = 邵氏硬度 55。 蓝点 = 邵氏硬度 65。 白点 = 邵氏硬度 75。应用:连接绝缘子 (P2) 的下半部压接在板 (P3) 的孔 (D3) 中。板 P3 大多数情况下是指安装在机器或设备上的底板。随后将连接绝缘子 (P1) 的上半部插入下半部 (P2)。最后一步使用配套的螺钉将连接绝缘子和底板一起拧到地面或另一个部件上。为保护氯丁橡胶不受到螺钉损坏,建议在上半部 (P1) 和螺钉之间放置一个垫圈。直径 31.8 mm 的连接绝缘子建议使用 07305-08 的垫片,直径 47.5 mm 的连接绝缘子建议使用 07305-18 垫片。连接绝缘子可以竖直和水平安装。但必须注意有不同的负荷参数。温度范围:-30 °C 至 +80 °C注意:- 不允许超出温度范围,否则不能保证全部功能。 - 不耐烈性的清洁剂、汽油和油脂。 - 避免接触尖锐物体,以免损坏氯丁橡胶。 - 安装后必须确保高度 H,避免连接绝缘子出现故障。说明:应注意所用底板/侧板须符合规定高度 (H2/H3),才能确保连接绝缘子能够得到最佳利用。特点: 下载此处为收集信息的 PDF:
查找 CAD 数据?请直接在产品列表中查找。
|
| 订货号 | D | D1 | D2 | D3 | H | H1 | H2 | H3 | 肖氏硬度 | R | F(高度 H2)= 轴向负载 | F1(高度 H2)= 径向负载 | CAD | 配件 | 价格 | 订购 |
|---|
| 26131-31831835 | 31,8 | 9,9 | 19,8 | 19 | 31,8 | 12,7 | 9,4 | - | 35+5 | 0,75 | 20 | 10 |  | | 根据要求 | | | 26131-31831845 | 31,8 | 9,9 | 19,8 | 19 | 31,8 | 12,7 | 9,4 | - | 45+5 | 0,75 | 40 | 15 |  | | 根据要求 | | | 26131-31831855 | 31,8 | 9,9 | 19,8 | 19 | 31,8 | 12,7 | 9,4 | - | 55+5 | 0,75 | 65 | 20 |  | | 根据要求 | | | 26131-31831865 | 31,8 | 9,9 | 19,8 | 19 | 31,8 | 12,7 | 9,4 | - | 65+5 | 0,75 | 115 | 25 |  | | 根据要求 | | | 26131-31831875 | 31,8 | 9,9 | 19,8 | 19 | 31,8 | 12,7 | 9,4 | - | 75+5 | 0,75 | 140 | 30 |  | | 根据要求 | | | 26131-47549335 | 47,5 | 13,5 | 33,3 | 31,8 | 49,3 | 19,8 | 12,7 | 14,2 | 35+5 | 1,5 | 30 | 20 |  | | 根据要求 | | | 26131-47549345 | 47,5 | 13,5 | 33,3 | 31,8 | 49,3 | 19,8 | 12,7 | 14,2 | 45+5 | 1,5 | 55 | 40 |  | | 根据要求 | | | 26131-47549355 | 47,5 | 13,5 | 33,3 | 31,8 | 49,3 | 19,8 | 12,7 | 14,2 | 55+5 | 1,5 | 75 | 60 |  | | 根据要求 | | | 26131-47549365 | 47,5 | 13,5 | 33,3 | 31,8 | 49,3 | 19,8 | 12,7 | 14,2 | 65+5 | 1,5 | 120 | 80 |  | | 根据要求 | | | 26131-47549375 | 47,5 | 13,5 | 33,3 | 31,8 | 49,3 | 19,8 | 12,7 | 14,2 | 75+5 | 1,5 | 175 | 130 |  | | 根据要求 | |
订货号 | F(高度 H3)= 轴向负载 | F1(高度 H3)= 径向负载 | 频率 Hz (高度 H2) | 频率 Hz (高度 H3) | 扭矩 Nm (高度 H2) | 扭矩 Nm (高度 H3) | CAD | 配件 | 价格 | 订购 |
|---|
| 26131-31831835 | - | - | 15 | - | 10 | - |  | | 根据要求 | | | 26131-31831845 | - | - | 15 | - | 10 | - |  | | 根据要求 | | | 26131-31831855 | - | - | 15 | - | 10 | - |  | | 根据要求 | | | 26131-31831865 | - | - | 15 | - | 10 | - |  | | 根据要求 | | | 26131-31831875 | - | - | 15 | - | 10 | - |  | | 根据要求 | | | 26131-47549335 | 60 | 25 | 15 | 12 | 13 | 14 |  | | 根据要求 | | | 26131-47549345 | 80 | 30 | 15 | 12 | 13 | 14 |  | | 根据要求 | | | 26131-47549355 | 110 | 40 | 15 | 12 | 13 | 14 |  | | 根据要求 | | | 26131-47549365 | 175 | 75 | 15 | 12 | 13 | 14 |  | | 根据要求 | | | 26131-47549375 | 285 | 125 | 15 | 12 | 13 | 14 |  | | 根据要求 | |
|
|