|
|
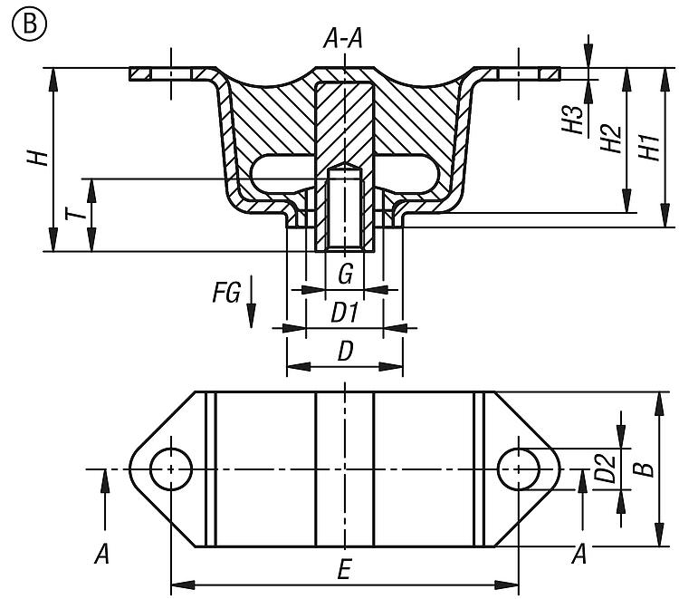
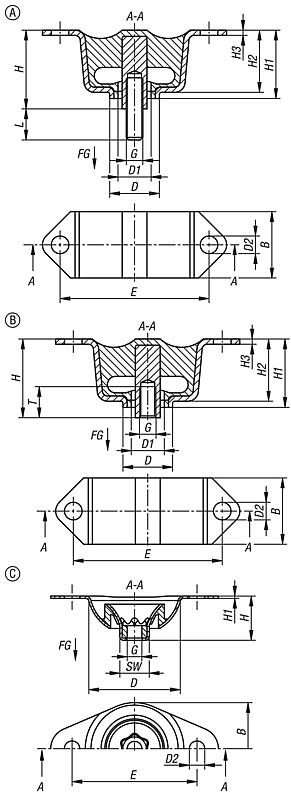
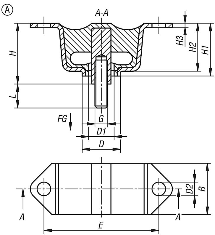
产品说明材料:钢制。天然橡胶硬度软(45 肖氏 A)、中等(60 肖氏 A)和硬(70 肖氏 A)。规格:钢制镀锌。提示:橡胶金属天花板元件是带有内置撕裂保护的悬挂元件,适用于悬挂照明灯具、设备和管道。天花板元件可以承受拉伸载荷并柔和地吸收冲击力和加速力。特点: 下载此处为收集信息的 PDF:
查找 CAD 数据?请直接在产品列表中查找。
|
|
|
| 订货号 | 类型 | 类型 1 | B | D | D2 | E | G | H | H3 | SW | 肖氏硬度 | 负载 N | CAD | 配件 | 价格 | 订购 |
|---|
| 26132-01040 | C | 内螺纹 | 62,5 | 63 | 10,5 | 85 | M10 | 30 | 1,5 | 21 | 40 | 250 |  | | 根据要求 | | | 26132-01060 | C | 内螺纹 | 62,5 | 63 | 10,5 | 85 | M10 | 30 | 1,5 | 21 | 60 | 700 |  | | 根据要求 | |
|
|
|