norelem 使用 Cookies 以优化设计和持续改进网页。您通过继续使用网页,同意使用 Cookies。在我们的数据保护声明中可以找到有关 Cookies 主题的详细信息。同意
万向接头,带滑动轴承,外螺纹,不锈钢,DIN ISO 12240-1 免维护
27629-01

万向接头,带滑动轴承, 外螺纹,不锈钢,DIN ISO 12240-1 免维护

返回

商品描述/产品说明

产品说明材料:

锻造不锈钢 1.4057 制壳体。
经硬化和打磨处理的 1.4034 球形活节。
抗锈钢 1.4571 制轴瓦。

规格:经抛光处理。提示:万向接头滑动轴承免维护。连接尺寸对应 DIN 648 形式系列 KA。特点:
不锈钢
下载此处为收集信息的 PDF:

查找 CAD 数据?请直接在产品列表中查找。
 Datasheet 27629-01 万向接头,带滑动轴承,外螺纹,不锈钢,DIN ISO 12240-1 免维护 252 kB

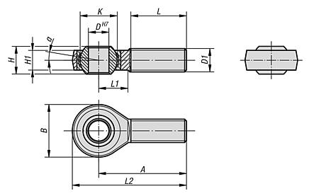
图纸

万向接头,带滑动轴承,外螺纹,不锈钢,DIN ISO 12240-1 免维护

商品选择/筛选

订货号类型 2AB

D

D1HH1KLL1L2α额定负载
动态
kN
额定负载
静态
kN
CAD配件价格订购
27629-01-05右旋螺纹33185M58611,1119942135,76 根据要求
27629-01-06右旋螺纹36206M696,7512,7211046137,27,65 根据要求
27629-01-08右旋螺纹42248M812915,8752512541411,612,9 根据要求
27629-01-10右旋螺纹482810M101410,519,052814621314,518 根据要求
27629-01-12右旋螺纹543212M12161222,225321670131724 根据要求
27629-01-16右旋螺纹664216M16211528,5753721871528,539 根据要求
27629-01-20右旋螺纹785020M20x1,5251834,92545251031442,557 根据要求
27629-01-22右旋螺纹845422M22x1,5282038,104827111155768 根据要求
27629-01-25右旋螺纹946025M24x2,0312242,865530124156885 根据要求
27629-01-30右旋螺纹1107030M30x2,0372550,866351451788114 根据要求
27629-01-051左旋螺纹33185M58611,1119942135,76 根据要求
27629-01-061左旋螺纹36206M696,7512,7211046137,27,65 根据要求
27629-01-081左旋螺纹42248M812915,8752512541411,612,9 根据要求
27629-01-101左旋螺纹482810M101410,519,052814621314,518 根据要求
27629-01-121左旋螺纹543212M12161222,225321670131724 根据要求
27629-01-161左旋螺纹664216M16211528,5753721871528,539 根据要求
27629-01-201左旋螺纹785020M20x1,5251834,92545251031442,557 根据要求
27629-01-221左旋螺纹845422M22x1,5282038,104827111155768 根据要求
27629-01-251左旋螺纹946025M24x2,0312242,865530124156885 根据要求
27629-01-301左旋螺纹1107030M30x2,0372550,866351451788114 根据要求
我的 norelemE-Mail密码
购物车
商品数量: 0
总数: 0.00  
点击购物车
欢迎扫描二维码
咨询诺瑞朗官方客服微信
中国
苏ICP备20011289号-1  苏公网安备32058502011222 网页地图 打印 推荐 Top
Copyright © 2025 norelem. 保留所有权利。 电话 +49 71 45/206-44 至 45 · 传真 +49 71 45/206-83