norelem 使用 Cookies 以优化设计和持续改进网页。您通过继续使用网页,同意使用 Cookies。在我们的数据保护声明中可以找到有关 Cookies 主题的详细信息。同意

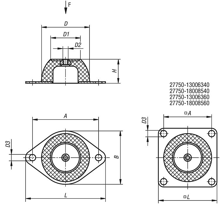
商品描述/产品说明

产品说明材料:强度 5.6 钢制金属件。
天然橡胶弹性体,硬度 40° 或 60° Shore A。
规格:钢制镀锌。提示:隔离件在径向和轴向均具有高弹性,从而提供出色的冲击隔离效果。
隔离件的特殊成型可以较低固有频率实现机器和机组的噪音和振动隔离。其特别适合存放敏感仪表和小型设备。

元件不得承受拉伸负载。
温度范围:-30 °C 至 +80 °C特点:
RoHS
下载此处为收集信息的 PDF:

查找 CAD 数据?请直接在产品列表中查找。
 Datasheet 27750 H2 型隔离件 219 kB

图纸

H2 型隔离件

商品选择/筛选

订货号

规格

ABD

D1D2D3HL负载能力
max. kN
CAD配件价格订购
27750-03502040硬度 40° Shore A50433518M6720640,034 根据要求
27750-05002540硬度 40° Shore A66565033M8825850,2 根据要求
27750-07003540硬度 40° Shore A92767045M1010351140,39 根据要求
27750-08504040硬度 40° Shore A110968553M1011,5401360,68 根据要求
27750-09004540硬度 40° Shore A1241019058M1011,5451511,28 根据要求
27750-13006340硬度 40° Shore A120-13078M1214,5631502,7 根据要求
27750-18008540硬度 40° Shore A160-180100M1614,5852003,7 根据要求
27750-03502060硬度 60° Shore A50433518M6720640,09 根据要求
27750-05002560硬度 60° Shore A66565033M8825850,49 根据要求
27750-07003560硬度 60° Shore A92767045M1010351140,78 根据要求
27750-08504060硬度 60° Shore A110968553M1011,5401361,45 根据要求
27750-09004560硬度 60° Shore A1241019058M1011,5451512,15 根据要求
27750-13006360硬度 60° Shore A120-13078M1214,5631504,9 根据要求
27750-18008560硬度 60° Shore A160-180100M1614,5852007,35 根据要求
我的 norelemE-Mail密码
购物车
商品数量: 0
总数: 0.00  
点击购物车
欢迎扫描二维码
咨询诺瑞朗官方客服微信
中国
苏ICP备20011289号-1  苏公网安备32058502011222 网页地图 打印 推荐 Top
Copyright © 2025 norelem. 保留所有权利。 电话 +49 71 45/206-44 至 45 · 传真 +49 71 45/206-83