norelem 使用 Cookies 以优化设计和持续改进网页。您通过继续使用网页,同意使用 Cookies。在我们的数据保护声明中可以找到有关 Cookies 主题的详细信息。同意

商品描述/产品说明

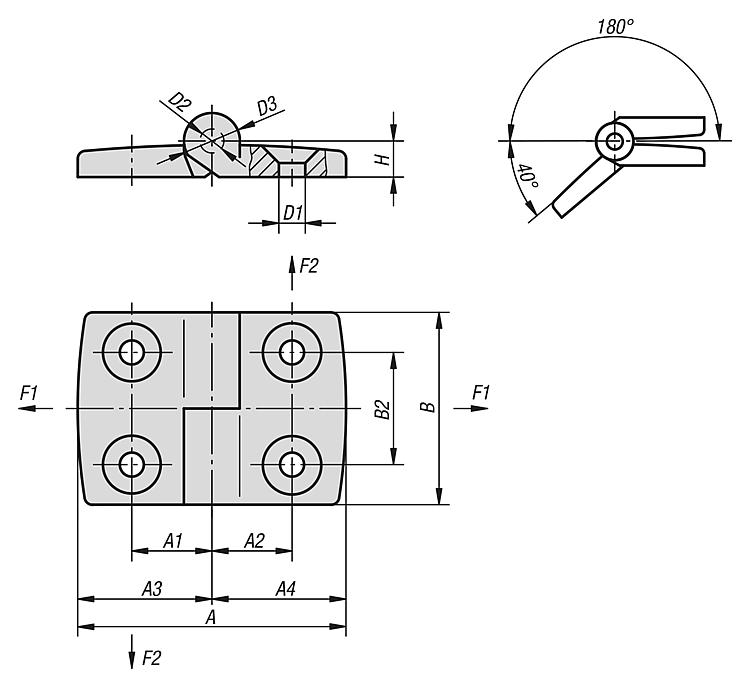
产品说明材料:热塑性塑料,玻璃纤维增强型。不锈钢轴。规格:黑色铰链。亮色轴。提示:根据要求,所有铰链还可配备导向块,以适应铝制型材的不同开槽(开槽 6、8 和 10)。它们简化了安装工作,防止铰链扭转,并令其具备更强的负载性能。

所示的铰链载荷值是不具约束力的指导值,未考虑安全因素,且不承担任何责任。所有数值仅供参考,并不对财产构成任何相关法律保证。

应力值是在实验室条件下得出。每个用户必须独自确定铰链是否符合各自的使用。

铰链连接的材质、连接方式、天气条件和磨损情况等都会对待确定的值造成影响。
特点:
不锈钢
下载此处为收集信息的 PDF:

查找 CAD 数据?请直接在产品列表中查找。
 Datasheet 27850 塑料铰链,可拆卸,右侧 245 kB
 铰链技术资料 428 kB

图纸

塑料铰链,可拆卸,右侧

商品选择/筛选

订货号

AA1A2A3A4B

B2D1D2D3HF1
N
F2
N
CAD配件价格订购
27850-2251515521515262648286,66149625425 根据要求
27850-225151855,51517,52629,548286,66149700500 根据要求
27850-225152061,515202635,548286,66149700400 根据要求
27850-225152364,51522,52638,548286,66149800350 根据要求
27850-225152569,515252643,548286,66149800325 根据要求
27850-225152874,51527,52648,548286,66149800320 根据要求
27850-225153383,51532,52657,548286,66149800240 根据要求
27850-230181555,517,51529,52648286,66149750450 根据要求
27850-23018185917,517,529,529,548286,66149750500 根据要求
27850-23018206517,52029,535,548286,66149700400 根据要求
27850-23018236817,522,529,538,548286,66149800350 根据要求
27850-23018257317,52529,543,548286,66149800350 根据要求
27850-23018287817,527,529,548,548286,66149800350 根据要求
27850-23018338717,532,529,557,548286,66149800240 根据要求
27850-235201561,5201535,52648286,66149700400 根据要求
27850-2352018652017,535,529,548286,66149750500 根据要求
27850-235202071202035,535,548286,66149750400 根据要求
27850-2352023742022,535,538,548286,66149800350 根据要求
27850-235202579202535,543,548286,66149800350 根据要求
27850-2352028842027,535,548,548286,66149800350 根据要求
27850-2352033932032,535,557,548286,66149800240 根据要求
27850-240231564,522,51538,52648286,66149650425 根据要求
27850-24023186822,517,538,529,548286,66149750500 根据要求
27850-24023207422,52038,535,548286,66149750400 根据要求
27850-24023237722,522,538,538,548286,66149800350 根据要求
27850-24023258222,52538,543,548286,66149800350 根据要求
27850-24023288722,527,538,548,548286,66149800350 根据要求
27850-24023339622,532,538,557,548286,66149800240 根据要求
27850-245251569,5251543,52648286,66149650425 根据要求
27850-2452518732517,543,529,548286,66149750500 根据要求
27850-245252079252043,535,548286,66149700400 根据要求
27850-2452523822522,543,538,548286,66149800350 根据要求
27850-245252587252543,543,548286,66149800325 根据要求
27850-2452528922527,543,548,548286,66149800320 根据要求
27850-24525331012532,543,557,548286,66149800240 根据要求
27850-250281574,527,51548,52648286,66149650425 根据要求
27850-25028187827,517,548,529,548286,66149750500 根据要求
27850-25028208427,52048,535,548286,66149700400 根据要求
27850-25028238727,522,548,538,548286,66149800350 根据要求
27850-25028289727,527,548,548,548286,66149800320 根据要求
27850-250283310627,532,548,557,548286,66149800240 根据要求
27850-26033188732,517,557,529,548286,66149750500 根据要求
27850-26033209332,52057,535,548286,66149700400 根据要求
27850-26033239632,522,557,538,548286,66149800350 根据要求
27850-260332510132,52557,543,548286,66149800325 根据要求
27850-260332810632,527,557,548,548286,66149900320 根据要求
27850-260333311532,532,557,557,548286,66149900240 根据要求
我的 norelemE-Mail密码
购物车
商品数量: 0
总数: 0.00  
点击购物车
欢迎扫描二维码
咨询诺瑞朗官方客服微信
中国
苏ICP备20011289号-1  苏公网安备32058502011222 网页地图 打印 推荐 Top
Copyright © 2025 norelem. 保留所有权利。 电话 +49 71 45/206-44 至 45 · 传真 +49 71 45/206-83