norelem 使用 Cookies 以优化设计和持续改进网页。您通过继续使用网页,同意使用 Cookies。在我们的数据保护声明中可以找到有关 Cookies 主题的详细信息。同意

商品描述/产品说明

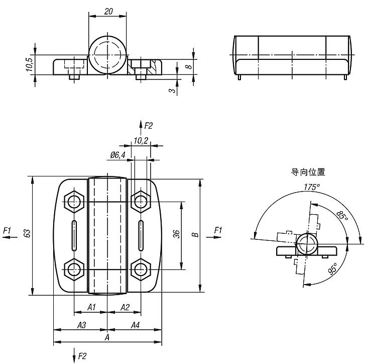
产品说明材料:玻璃纤维增强型 PA 热塑性塑料铰链和盖板。
不锈钢轴。
规格:黑色铰链和盖板。
亮色轴。
提示:铰链具备锁定功能。它啮合在四个位置并由此保持门和活盖敞开或牢固闭合。铰链可选配备或不配备铝制型材导向块。

所示的铰链载荷值是不具约束力的指导值,未考虑安全因素,且不承担任何责任。所有数值仅供参考,并不对财产构成任何相关法律保证。

应力值是在实验室条件下得出。每个用户必须独自确定铰链是否符合各自的使用。

铰链连接的材质、连接方式、天气条件和磨损情况等都会对待确定的值造成影响。
特点:
不锈钢 RoHS
下载此处为收集信息的 PDF:

查找 CAD 数据?请直接在产品列表中查找。
 Datasheet 27857 塑料铰链,带锁定功能 231 kB
 铰链技术资料 428 kB

图纸

塑料铰链,带锁定功能

商品选择/筛选

订货号

AA1A2A3A4B沟槽导向
凸缘
F1
N
F2
N
最大扭矩
Nm
CAD配件价格订购
27857-561818005417,7517,75272756-4003502 根据要求
27857-561818065417,7517,7527275664003502 根据要求
27857-561818085417,7517,7527275684003502 根据要求
27857-5623230073,522,7522,7536,7536,7556-6004252 根据要求
27857-5623230873,522,7522,7536,7536,755686004252 根据要求
27857-5623231073,522,7522,7536,7536,7556106004252 根据要求
我的 norelemE-Mail密码
购物车
商品数量: 0
总数: 0.00  
点击购物车
欢迎扫描二维码
咨询诺瑞朗官方客服微信
中国
苏ICP备20011289号-1  苏公网安备32058502011222 网页地图 打印 推荐 Top
Copyright © 2025 norelem. 保留所有权利。 电话 +49 71 45/206-44 至 45 · 传真 +49 71 45/206-83