norelem 使用 Cookies 以优化设计和持续改进网页。您通过继续使用网页,同意使用 Cookies。在我们的
数据保护声明
中可以找到有关 Cookies 主题的详细信息。
同意
全球分布
创意
AGB
版权说明
数据保护
产品
企业信息
服务
下载
新闻
联系方式
产品概览
固定
灵活的标准件系统
装配
装配系统
运动
用于机床和设备制造的系统/组件
检查
量具检具组件
夹紧
夹紧技术
控制和调节
电动机构
输送
输送和移动技术
technoshop
norelem inch
英制产品目录
28000
聚酰胺油位指示器,钢壳体
返回
产品
产品概览
用于机床和设备制造的系统和组件
油位指示器、 塞子、 堵头、 排气螺塞、 油尺、 注入管接头
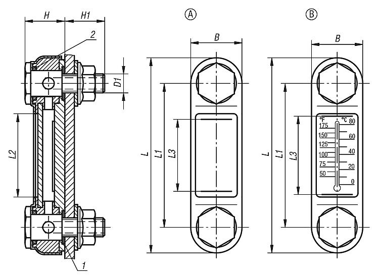
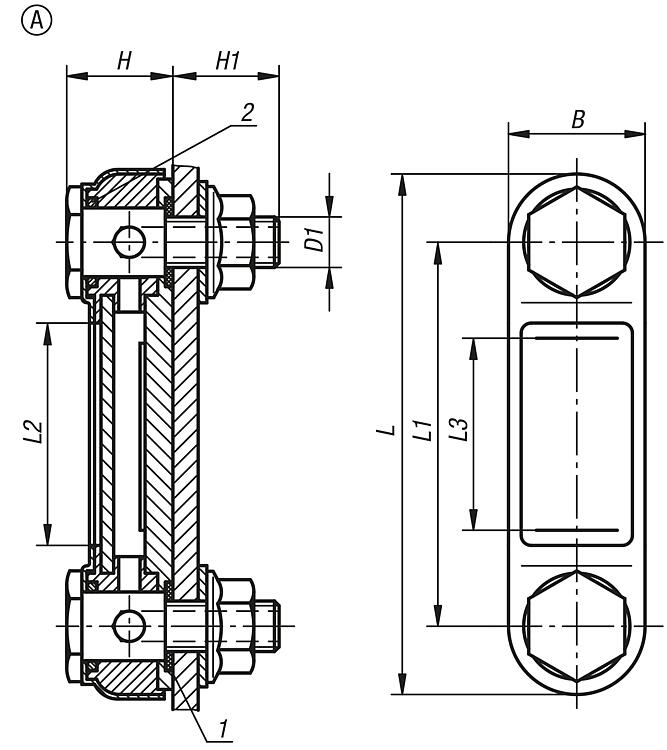
聚酰胺油位指示器,钢壳体
商品描述/产品说明
查看/筛选所有商品
产品说明
材料:
钢制壳体。
聚酰胺热塑性塑料制观察窗。
橡胶(NBR)制 O 型环和平面密封件。
铝制反射器。
钢制螺栓和六角螺母。
规格:
经涂漆处理的黑色壳体。
透明观察窗,高机械强度,抗老化,耐高温,对于油为最高 100 ℃,对于水为最高 70 ℃。
经涂漆处理的白色反射器,黑色标记线或刻度。
镀锌螺栓和六角螺母。
提示:
油位指示器既可以按照图纸所示安装,也可以直接在螺纹孔中安装。固定孔的轴距 = L1 ±0.5。
油位指示器适合无压力工作的储罐。
最高工作温度:100 °C。
图纸提示:
A 型: 不带温度计
B 型: 带温度计
1) 平面密封件
2) O 型圈
特点:
下载
此处为收集信息的 PDF:
查找 CAD 数据?请直接在产品列表中查找。
Datasheet 28000 聚酰胺油位指示器,钢壳体
222 kB
图片(总概述)
聚酰胺油位指示器,钢壳体,不带温度计
更多信息
图纸
商品选择/筛选
订货号
类型
B
D1
H
H1
L
L1
L2
L3
固定螺栓
数量
CAD
配件
价格
订购
28000-107610
A
31
M10
24,5
20
107
76
39
37
2
根据要求
28000-107612
A
31
M12
24,5
20
107
76
39
37
2
根据要求
28000-112710
A
31
M10
24,5
20
156
127
90
80
2
根据要求
28000-112712
A
31
M12
24,5
20
156
127
90
80
2
根据要求
28000-125412
A
34
M12
33
17
286
254
200
178
2
根据要求
聚酰胺油位指示器,钢壳体,带温度计
更多信息
图纸
商品选择/筛选
订货号
类型
B
D1
H
H1
L
L1
L2
L3
固定螺栓
数量
温度范围
CAD
配件
价格
订购
28000-207610
B
31
M10
24,5
20
107
76
39
37
2
0 - 80 °C / 50 - 175 °F
根据要求
28000-207612
B
31
M12
24,5
20
107
76
39
37
2
0 - 80 °C / 50 - 175 °F
根据要求
28000-212710
B
31
M10
24,5
20
156
127
90
80
2
0 - 100 °C / 50 - 200 °F
根据要求
28000-212712
B
31
M12
24,5
20
156
127
90
80
2
0 - 100 °C / 50 - 200 °F
根据要求
28000-225412
B
34
M12
33
17
286
254
200
178
2
0 - 100 °C / 50 - 200 °F
根据要求
本类目的其他商品
<<
|
<
|
1-10
|
11-20
|
21-30
|
31-40
|
41-45
|
>
|
>>
28000
聚酰胺油位指示器
28000-10
油位指示器
带电子油位监控装置
28000-11
油位指示器
带电子温度监控装置
28000-12
油位指示器
带电子油位和温度监控装置
28001
油位指示器,长版
28001-10
油位指示器
带电子油位监控装置,长版
28001-11
油位指示器
带电子温度监控装置,长版
28001-12
油位指示器
带电子油位和温度监控装置,长版
28004
油位镜
28006
压入型油位镜
<<
|
<
|
1-10
|
11-20
|
21-30
|
31-40
|
41-45
|
>
|
>>
我的 norelem
E-Mail
密码
忘记密码
首次登陆
购物车
商品数量:
0
总数:
0.00
€
点击购物车
欢迎扫描二维码
咨询诺瑞朗官方客服微信
Algérie
Andorra
Argentina
Australia
België
Bolivia
Bosna i Hercegovina
Brasil
Canada
Česká republika
Chile
中国
Colombia
Costa Rica
Cuba
Danmark
Dem. Peop. Rep. of Korea
Deutschland
Ecuador
Eesti
España
Georgia
香港
Hrvatska
India
Ireland
Ísland
Italia
Jamaica
日本
Latvija
Liechtenstein
Lietuvos
Luxemburg
Magyarország
Malaysia
Malta
México
Nederland
New Zealand
Norge
Österreich
Pakistan
Paraguay
Perú
Polska
Portugal
Principauté de Monaco
台灣
Rep. di San Marino
대한민국
România
Schweiz
Singapore
Slovenija
Slovensko
South Africa
Suomi
Sverige
Türkiye
United Kingdom
United States of America
Uruguay
Venezuela
Việt Nam
Ελλάδα
Κύπρος
Беларусь
България
Република Србија
Россия
Србија и Црна Гора
Україна
ישראל
الامارات العربية المتحدة
السعودية
ايران
مصر
ประเทศไทย
Chinese
English
苏ICP备20011289号-1
苏公网安备32058502011222
网页地图
打印
推荐
Top
Copyright © 2025 norelem. 保留所有权利。
电话 +49 71 45/206-44 至 45 · 传真 +49 71 45/206-83