norelem 使用 Cookies 以优化设计和持续改进网页。您通过继续使用网页,同意使用 Cookies。在我们的
数据保护声明
中可以找到有关 Cookies 主题的详细信息。
同意
全球分布
创意
AGB
版权说明
数据保护
产品
企业信息
服务
下载
新闻
联系方式
产品概览
固定
灵活的标准件系统
装配
装配系统
运动
用于机床和设备制造的系统/组件
检查
量具检具组件
夹紧
夹紧技术
控制和调节
电动机构
输送
输送和移动技术
technoshop
norelem inch
英制产品目录
29014
不锈钢制法兰管接头
返回
产品
产品概览
用于机床和设备制造的系统和组件
管材扣件、 管材夹紧件、 管材连接件、 管材、 棒材
管材连接件
不锈钢制法兰管接头
商品描述/产品说明
产品说明
材料:
精铸不锈钢 1.4308。
圆柱头螺栓 ISO 4762 和六角螺母 ISO 4032,不锈钢制。
大于 Ø30 mm 的六角螺栓 ISO 4017,不锈钢制。
规格:
经电解抛光处理。
提示:
直径为 30 和 40 mm 的管接头配有硅制的螺纹盖板,防止六角螺栓的螺纹脏污或损坏。
根据要求:
用于固定的夹紧杆。
附件:
- 圆形管和方形管 29050
特点:
下载
此处为收集信息的 PDF:
查找 CAD 数据?请直接在产品列表中查找。
Datasheet 29014 不锈钢制法兰管接头
523 kB
图片(总概述)
不锈钢制法兰管接头,A 型
更多信息
图纸
商品选择/筛选
订货号
类型
A
B
C
D
E
F
G
H
K
L
M
N
P
S
U
CAD
配件
价格
订购
29014-112
A
12,1
5,5
18
25
32
30,4
37
38
32,5
40.5
50
5
23
M6x18
40
根据要求
29014-114
A
14,1
5,5
18
25
32
30,4
37
38
32,5
40.5
50
5
23
M6x18
40
根据要求
29014-116
A
16,1
5,5
18
25
32
30,4
37
38
32,5
40.5
50
5
23
M6x18
40
根据要求
29014-118
A
18,1
5,5
18
25
32
30,4
37
38
32,5
40.5
50
5
23
M6x18
40
根据要求
29014-120
A
20,1
5,5
18
25
32
30,4
37
38
32,5
40.5
50
5
23
M6x18
40
根据要求
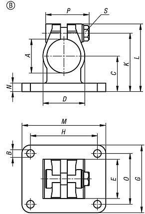
不锈钢制法兰管接头,B 型
更多信息
图纸
商品选择/筛选
订货号
类型
A
B
C
D
E
G
H
K
L
M
N
O
P
S
CAD
配件
价格
订购
29014-130
B
30,1
7
30
37,4
32,4
55
60
50
59,2
78
7
40
45.5
M8x30
根据要求
29014-140
B
40,17
9
42
49,4
46,4
80
60
69
80
80
10
60
52
M10x35
根据要求
本类目的其他商品
<<
|
<
|
1-10
|
11-20
|
21-30
|
31-40
|
41-50
|
51-60
|
61-70
|
>
|
>>
29000
圆管的塑料制十字管管接头,一体式
29000
圆管的铝制十字管管接头,一体式
29000
圆管的铝制十字管管接头,多件式
29000
不锈钢制十字管的管接头
29002
方管的塑料制十字管管接头,多件式
29002
方管的铝制十字管管接头,多件式
29004
圆管和方管的塑料制十字管管接头,多件式
29004
圆管和方管的铝制十字管管接头,多件式
29006
圆管的塑料制 T 型件管接头,一体式
29006
T 型塑料管接头 带球形接头
<<
|
<
|
1-10
|
11-20
|
21-30
|
31-40
|
41-50
|
51-60
|
61-70
|
>
|
>>
我的 norelem
E-Mail
密码
忘记密码
首次登陆
购物车
商品数量:
0
总数:
0.00
€
点击购物车
欢迎扫描二维码
咨询诺瑞朗官方客服微信
Algérie
Andorra
Argentina
Australia
België
Bolivia
Bosna i Hercegovina
Brasil
Canada
Česká republika
Chile
中国
Colombia
Costa Rica
Cuba
Danmark
Dem. Peop. Rep. of Korea
Deutschland
Ecuador
Eesti
España
Georgia
香港
Hrvatska
India
Ireland
Ísland
Italia
Jamaica
日本
Latvija
Liechtenstein
Lietuvos
Luxemburg
Magyarország
Malaysia
Malta
México
Nederland
New Zealand
Norge
Österreich
Pakistan
Paraguay
Perú
Polska
Portugal
Principauté de Monaco
台灣
Rep. di San Marino
대한민국
România
Schweiz
Singapore
Slovenija
Slovensko
South Africa
Suomi
Sverige
Türkiye
United Kingdom
United States of America
Uruguay
Venezuela
Việt Nam
Ελλάδα
Κύπρος
Беларусь
България
Република Србија
Россия
Србија и Црна Гора
Україна
ישראל
الامارات العربية المتحدة
السعودية
ايران
مصر
ประเทศไทย
Chinese
English
苏ICP备20011289号-1
苏公网安备32058502011222
网页地图
打印
推荐
Top
Copyright © 2025 norelem. 保留所有权利。
电话 +49 71 45/206-44 至 45 · 传真 +49 71 45/206-83