|
|
|
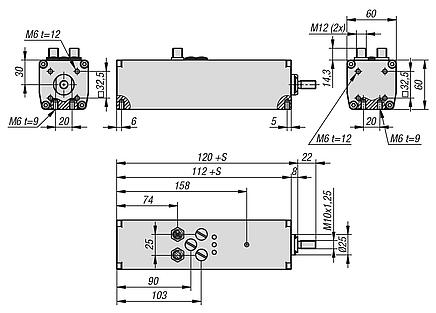
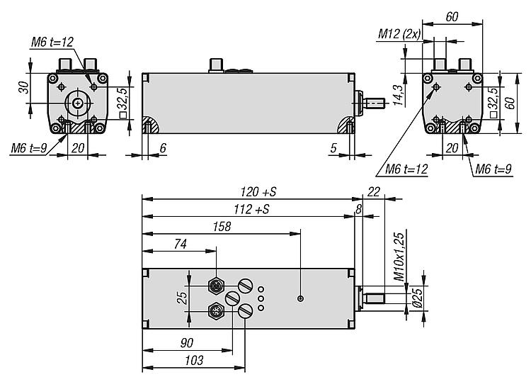
85325-06电动缸尺寸 60 IO-Link 伺服执行机构 |
返回 |
|
|
产品说明产品描述:电动缸是一种结构紧凑、功能强大的解决方案,可实现机床的精确线性运动。
电动缸是一个 IO-Link 主轴驱动装置。创新的一体化技术将伺服电机、伺服控制器和滚珠丝杠集成在一个紧凑的设计中。实时设定值通过 IO-Link 通信接口输出。 电动缸与现有系统兼容,无需在控制柜中预留空间。简单的两点运动可通过数字信号进行控制,而电位计则可直接在驱动器上对力和速度进行单独调节。材料:外壳、端盖:铝制,无色,经阳极氧化处理。 推管:铝制,经硬质阳极氧化。 密封件:PUR、EPDM、NBR。 螺纹连接:不锈钢。 螺栓:钢,镀锌。 主轴:调质钢。 主轴螺母:滚动轴承钢。 旋钮盖罩:不锈钢。 滑脂嘴:钢,镀锌。 插入式螺栓连接:锌,镀镍。提示:电动缸用作线性运动的机电主轴驱动装置。其主要组件包括同步伺服电机、主轴驱动装置和集成电子设备。所有组件都位于外壳内。伸出和缩回速度以及力限制可直接通过外壳上的旋钮进行无级设置,或通过 IO-Link 接口实时指定不同的设置值。可以改变速度、加速度和其他参数,从而实现与复杂伺服应用相同的定位任务。也可以通过简单的数字信号进行控制,例如用于控制简单气动缸的信号。
基本尺寸以 ISO 15552 为基础。 连接和附件尺寸符合 ISO 15552 标准。技术参数:主轴类型:循环球轴承。 集成线性导轨:带滚珠滑座的 15 mm 型材导轨。 电机类型:同步伺服电机。 转子位置传感器:绝对、单圈、12 位。 扭转止动器活塞杆:滑动导轨(无外部扭矩)。 最大电缆长度:20 米。 数字信号输入数:3(伸出、缩回、示教)。 数字信号输出数:3(伸出、缩回、就绪)。 信号输入特性:与电源部件电气隔离。相互之间没有电气隔离。 开关逻辑输出:推挽式。 开关逻辑输入:正向开关。 参考:外部挡块/通过 IO-Link 进行手动操作。
100 mm 冲程的重量:1.6 kg。 每 10 mm 冲程的额外重量:0.45 kg。 额外移动质量/10 mm 冲程:0.00585 kg。应用:使用 48 V 电源时,必须检查每个应用是否需要制动斩波器。发电机运行时(第 2 象限和第 4 象限)可能会出现过电压,必须使用制动斩波器加以限制。温度范围:存放温度:-20 °C 至 +60 °C。 工作温度:0 °C 至 +40 °C。特点: 下载此处为收集信息的 PDF:
查找 CAD 数据?请直接在产品列表中查找。
|
订货号 | VDC 信号输入工作范围 | 安装位置 | 行程 S | 空气湿度 使用中 (%) | CAD | 配件 | 价格 | 订购 |
|---|
| 85325-06-0600511X0100 | 24 | beliebig | 100 | 0-90 |  | | 根据要求 | | | 85325-06-0600511X0150 | 24 | beliebig | 150 | 0-90 |  | | 根据要求 | | | 85325-06-0600511X0200 | 24 | beliebig | 200 | 0-90 |  | | 根据要求 | | | 85325-06-0600511X0300 | 24 | beliebig | 300 | 0-90 |  | | 根据要求 | | | 85325-06-0601011X0100 | 24 | beliebig | 100 | 0-90 |  | | 根据要求 | | | 85325-06-0601011X0150 | 24 | beliebig | 150 | 0-90 |  | | 根据要求 | | | 85325-06-0601011X0200 | 24 | beliebig | 200 | 0-90 |  | | 根据要求 | | | 85325-06-0601011X0300 | 24 | beliebig | 300 | 0-90 |  | | 根据要求 | |
订货号 | 24V 运行最大速度,mm/s | 48V 运行最大速度,mm/s | 最大电流数字信号输出 mA
| CAD | 配件 | 价格 | 订购 |
|---|
| 85325-06-0600511X0100 | 150 | 300 | 100 / 输出 |  | | 根据要求 | | | 85325-06-0600511X0150 | 150 | 300 | 100 / 输出 |  | | 根据要求 | | | 85325-06-0600511X0200 | 150 | 300 | 100 / 输出 |  | | 根据要求 | | | 85325-06-0600511X0300 | 150 | 300 | 100 / 输出 |  | | 根据要求 | | | 85325-06-0601011X0100 | 300 | 600 | 100 / 输出 |  | | 根据要求 | | | 85325-06-0601011X0150 | 300 | 600 | 100 / 输出 |  | | 根据要求 | | | 85325-06-0601011X0200 | 300 | 600 | 100 / 输出 |  | | 根据要求 | | | 85325-06-0601011X0300 | 300 | 600 | 100 / 输出 |  | | 根据要求 | |
订货号 | 最大消耗功率(连续运行)A | 最大消耗功率(峰值)A | 最大逻辑消耗功率,mA | 最大加速度 m/s² | CAD | 配件 | 价格 | 订购 |
|---|
| 85325-06-0600511X0100 | 3,5 | 5 | 50 | 10 |  | | 根据要求 | | | 85325-06-0600511X0150 | 3,5 | 5 | 50 | 10 |  | | 根据要求 | | | 85325-06-0600511X0200 | 3,5 | 5 | 50 | 10 |  | | 根据要求 | | | 85325-06-0600511X0300 | 3,5 | 5 | 50 | 10 |  | | 根据要求 | | | 85325-06-0601011X0100 | 3,5 | 5 | 50 | 20 |  | | 根据要求 | | | 85325-06-0601011X0150 | 3,5 | 5 | 50 | 20 |  | | 根据要求 | | | 85325-06-0601011X0200 | 3,5 | 5 | 50 | 20 |  | | 根据要求 | | | 85325-06-0601011X0300 | 3,5 | 5 | 50 | 20 |  | | 根据要求 | |
订货号 | 最大进给力(连续运行)N | 重复精度(单位:± mm) | 最大进给力(峰值)N | 电源电路额定电压 VDC | CAD | 配件 | 价格 | 订购 |
|---|
| 85325-06-0600511X0100 | 400 | 0,02 | 800 | 24-48 |  | | 根据要求 | | | 85325-06-0600511X0150 | 400 | 0,02 | 800 | 24-48 |  | | 根据要求 | | | 85325-06-0600511X0200 | 400 | 0,02 | 800 | 24-48 |  | | 根据要求 | | | 85325-06-0600511X0300 | 400 | 0,02 | 800 | 24-48 |  | | 根据要求 | | | 85325-06-0601011X0100 | 200 | 0,02 | 400 | 24-48 |  | | 根据要求 | | | 85325-06-0601011X0150 | 200 | 0,02 | 400 | 24-48 |  | | 根据要求 | | | 85325-06-0601011X0200 | 200 | 0,02 | 400 | 24-48 |  | | 根据要求 | | | 85325-06-0601011X0300 | 200 | 0,02 | 400 | 24-48 |  | | 根据要求 | |
订货号 | 定位精度 ± mm | 允许的电压波动 | 防护级别 | 导程 mm | 状态指示器 | CAD | 配件 | 价格 | 订购 |
|---|
| 85325-06-0600511X0100 | ±0.1 | ±15% | IP65 | 5 | 3x LED |  | | 根据要求 | | | 85325-06-0600511X0150 | ±0.1 | ±15% | IP65 | 5 | 3x LED |  | | 根据要求 | | | 85325-06-0600511X0200 | ±0.1 | ±15% | IP65 | 5 | 3x LED |  | | 根据要求 | | | 85325-06-0600511X0300 | ±0.1 | ±15% | IP65 | 5 | 3x LED |  | | 根据要求 | | | 85325-06-0601011X0100 | ±0.1 | ±15% | IP65 | 10 | 3x LED |  | | 根据要求 | | | 85325-06-0601011X0150 | ±0.1 | ±15% | IP65 | 10 | 3x LED |  | | 根据要求 | | | 85325-06-0601011X0200 | ±0.1 | ±15% | IP65 | 10 | 3x LED |  | | 根据要求 | | | 85325-06-0601011X0300 | ±0.1 | ±15% | IP65 | 10 | 3x LED |  | | 根据要求 | |
|
|