|
|
|
86091-0224V DC 调光控制器,带有 M12 插头/插座,A 编码 |
返回 |
|
|
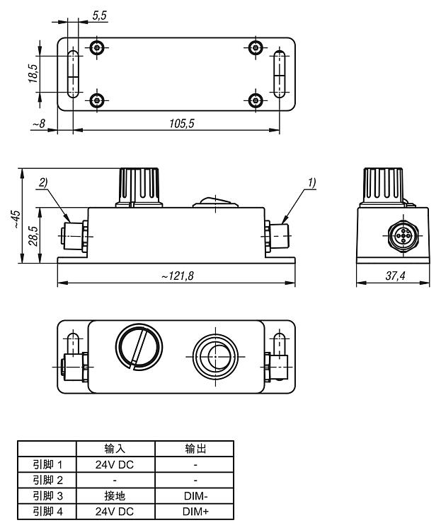
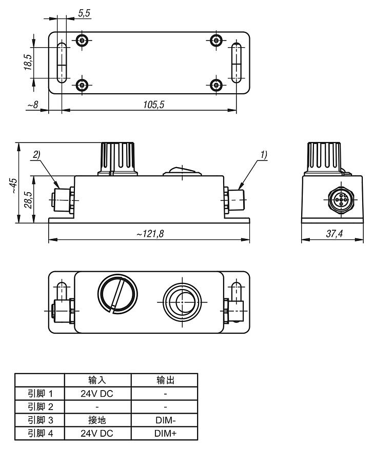
产品说明材料:ABS 塑料制壳体。规格:安装器通过椭圆孔进行固定。提示:用于从外部控制 LED 灯具的控制器。通过一个旋钮调光器和一个开关即可进行操作。旋钮调光器可在 100 - 10% 的范围内无级调节 LED 灯具的亮度。开关用于开关灯具。
输入端:M12x1 A 编码连接器(插头)。 输出端:M12x1 A 编码连接器(插座)。
该款控制器非常适用控制带有 A 编码 M12 接口的 24V DC 可调光灯具(不包括 RGB 型号),支持最大 144 W 功率。
认证/满足标准: CE、UKCA。温度范围:-20 °C 至 +50 °C。装配:安装片可直接固定在 T 型槽型材或表面上。图纸提示:特点: 下载此处为收集信息的 PDF:
查找 CAD 数据?请直接在产品列表中查找。
|
订货号 | 工作电压 V DC | 连续电压 直流电压 | 功率 最大 W | 电流负载 最大 毫安 | 防护级别 | 防护等级 | CAD | 配件 | 价格 | 订购 |
|---|
| 86091-02-1 | 24+/-10% | 24 | 144 | 6000 | IP54 | III |  | | 根据要求 | |
|
|