norelem 使用 Cookies 以优化设计和持续改进网页。您通过继续使用网页,同意使用 Cookies。在我们的数据保护声明中可以找到有关 Cookies 主题的详细信息。同意

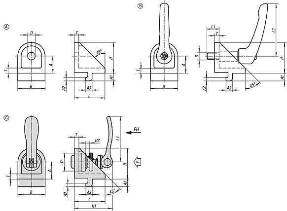
商品描述/产品说明

查看/筛选所有商品
产品说明材料:

压铸锌夹紧角件。
压铸锌材质的把手,符合 DIN EN 12844。
钢制部件,不锈钢 1.4305。
铝铸凸轮手柄。主体,钢制。

规格:夹紧角件铝色喷涂。
把手具有塑料涂层。亮色不锈钢。
镀锌型槽内嵌块。
黑色凸轮手柄带有粉末喷涂,经氧化处理的钢制件。
提示:夹紧角件适用于连接相同产品系列的两个型材,型材侧面接触并以任意角度相交。
通过松开螺钉解除固定,从而可以自由转动并可沿凹槽移动。
夹紧角件大多数情况下成对或与转向角件组合安装。
特点:
 RoHS
下载此处为收集信息的 PDF:

查找 CAD 数据?请直接在产品列表中查找。
 Datasheet 10265 转向角件 I型 542 kB

图片(总概述)

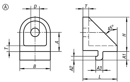
转向角件 I型

夹紧角件 A型

更多信息

图纸

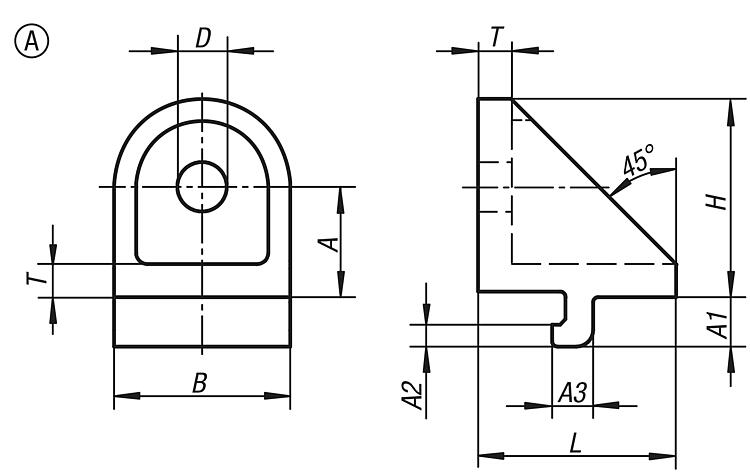
夹紧角件 A型

商品选择/筛选

订货号型号槽宽类型AA1A2A3BD

HLTCAD配件价格订购
10265-06I6A156,335,724727275 根据要求
10265-08I8A20947,532936366 根据要求

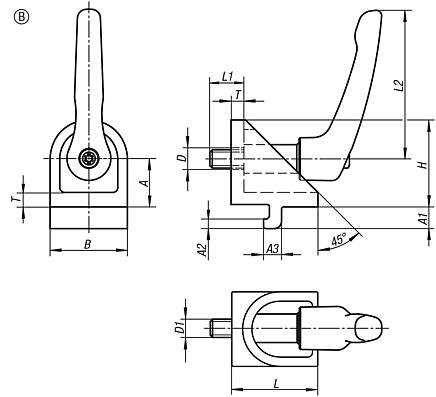
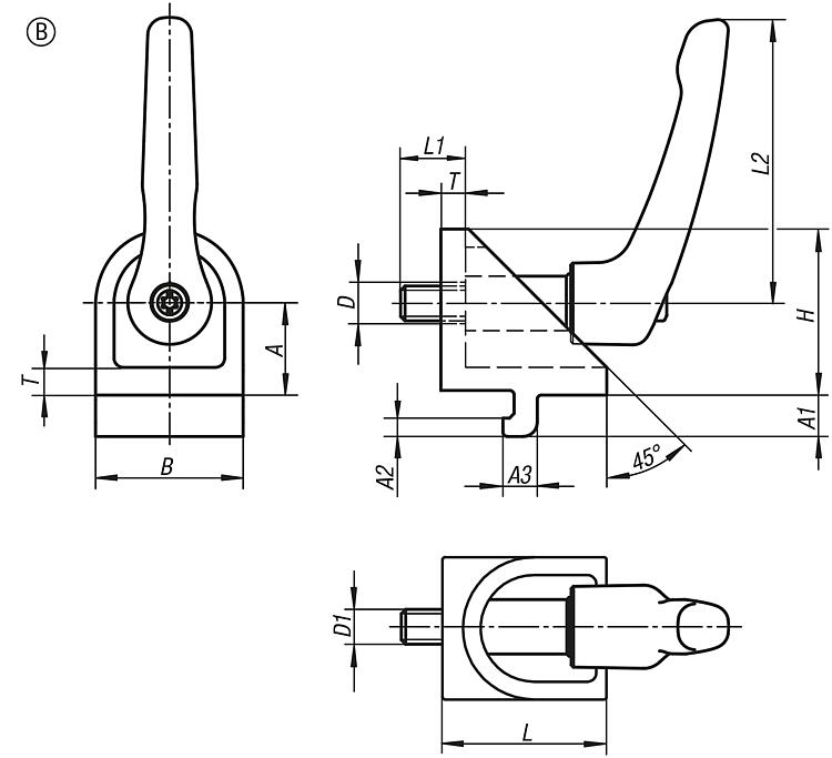
夹紧角件 B型,带锁紧手柄

更多信息

图纸

夹紧角件 B型,带锁紧手柄

商品选择/筛选

订货号型号槽宽类型类型 1AA1A2A3BD

D1HH1H2LL1L2TCAD配件价格订购
10265-0606I6B带锁紧手柄156,335,7247M627--2713405 根据要求
10265-0808I8B带锁紧手柄20947,5329M836--3618656 根据要求

夹紧角件,C 型,带偏心夹具

更多信息

图纸

夹紧角件,C 型,带偏心夹具

商品选择/筛选

订货号

型号槽宽类型类型 1AA1A2A3BD

HH1H2LL1T夹紧力
F
kN
把手施力
FH
N
CAD配件价格订购
10265-0615I6C-156,335,72415273462736,25290 根据要求
10265-0820I8C-20947,53220364483652,363100 根据要求
我的 norelemE-Mail密码
购物车
商品数量: 0
总数: 0.00  
点击购物车
欢迎扫描二维码
咨询诺瑞朗官方客服微信
中国
苏ICP备20011289号-1  苏公网安备32058502011222 网页地图 打印 推荐 Top
Copyright © 2025 norelem. 保留所有权利。 电话 +49 71 45/206-44 至 45 · 传真 +49 71 45/206-83