norelem 使用 Cookies 以优化设计和持续改进网页。您通过继续使用网页,同意使用 Cookies。在我们的数据保护声明中可以找到有关 Cookies 主题的详细信息。同意

商品描述/产品说明

查看/筛选所有商品
产品说明材料:

铰链,压铸链。
固定件,压铸锌。
隔离环,不锈钢。
螺纹衬套及沉头螺栓,钢制。
把手杆,压铸锌,DIN EN 12844 标准 1.4305.
铝制 40x80 和 45x90 铰链。

规格:铰链铝色喷涂。
镀锌固定装置。
亮色间隔环。
镀锌螺纹轴套和沉头螺钉。
把手经塑料涂层,光亮不锈钢。
提示:活动铰链用于以任意角度连接两个型材。
调节范围为 0° ~ 180°。该活动铰链也可以作为重型铰链使用。
如果安装了间隔环,则万向节可以自由移动。如果移除间隔环,则可以作为刚性角元件使用。这些万向节尤其适用于可调节的支架、可枢转的悬架等类似应用。
特点:
 RoHS
下载此处为收集信息的 PDF:

查找 CAD 数据?请直接在产品列表中查找。
 Datasheet 10270 活动铰链 B型 和I型 388 kB

图片(总概述)

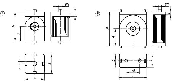
活动铰链 B型 和I型

铰链,无锁紧手柄

更多信息

图纸

铰链,无锁紧手柄

商品选择/筛选

订货号型号BN=槽宽类型

AA1BD

HLTCAD配件价格订购
10270-063030I6A22,5-306,445307 根据要求
10270-084040I8A30-408,460409 根据要求
10270-084080I8B5040408,4100809 根据要求
10270-083030B8A22,5-308,345307 根据要求
10270-104545B10A30-458,560458 根据要求
10270-104590B10B5045458,5100909 根据要求

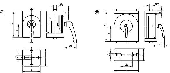
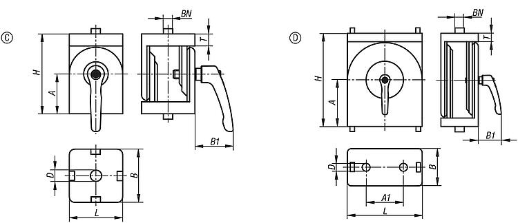
铰链,带锁紧手柄

更多信息

图纸

铰链,带锁紧手柄

商品选择/筛选

订货号型号BN=槽宽类型

AA1BB1D

HLTCAD配件价格订购
10270-1063030I6C22,5-30316,445307 根据要求
10270-1084040I8C30-40318,460409 根据要求
10270-2084080I8D504040318,4100809 根据要求
10270-1104545B10C30-4542,58,560458 根据要求
10270-2104590B10D50454542,58,5100909 根据要求
我的 norelemE-Mail密码
购物车
商品数量: 0
总数: 0.00  
点击购物车
欢迎扫描二维码
咨询诺瑞朗官方客服微信
中国
苏ICP备20011289号-1  苏公网安备32058502011222 网页地图 打印 推荐 Top
Copyright © 2025 norelem. 保留所有权利。 电话 +49 71 45/206-44 至 45 · 传真 +49 71 45/206-83