|
|
|
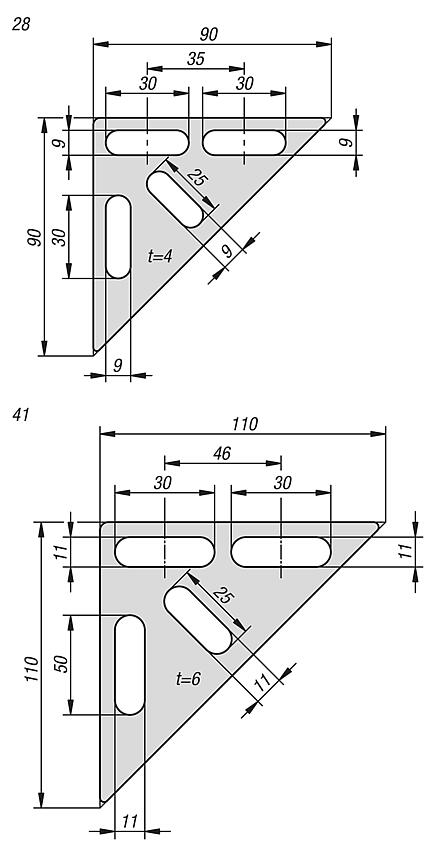
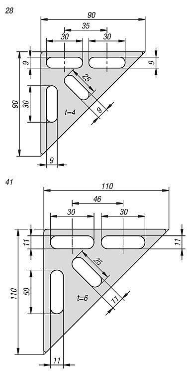
10925-65三角形凸耳 用于系统 28 和 41 C 型材安装导轨 |
返回 |
|
|
产品说明材料:钢制。规格:电镀锌。提示:三角形凸耳,用于连接三根安装导轨(纵向、横向或斜向)。三角形凸耳安装在顶部。
适用于系统 28 安装型材(28/15 和 28/28)。 适用于系统 41 安装型材(41/22 和 41/41)。特点: 下载此处为收集信息的 PDF:
查找 CAD 数据?请直接在产品列表中查找。
|
订货号 | 类型 1 | CAD | 配件 | 价格 | 订购 |
|---|
| 10925-65-1128 | 系统 28 |  | | 根据要求 | | | 10925-65-1141 | 系统 41 |  | | 根据要求 | |
|
|