|
|
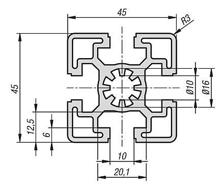
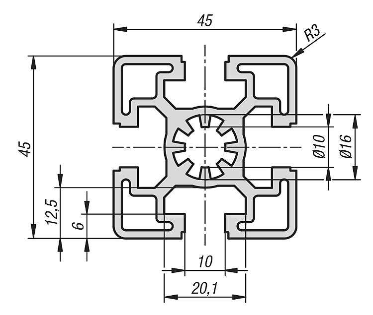
产品说明材料:铝制 EN AW-6063 T66 (AlMgSi0.5 F25)。规格:高温时效,自然色阳极氧化。提示:铝制型材用于通用结构。根据要求:斜角裁切 15°、30° 和 45°。 下载此处为收集信息的 PDF:
查找 CAD 数据?请直接在产品列表中查找。
|
| 订货号 | 槽宽 | 型材 | L | Ix cm⁴ | Iy cm⁴ | Wx cm³ | Wy cm³ | 剖面区 cm² | F1 max. kN | 重量 约 kg/m
| CAD | 配件 | 价格 | 订购 |
|---|
| 10160-104545X1000 | 10 | 45x45 | 1000 | 13,94 | 13,94 | 6,91 | 6,91 | 7,5 | 12 | 2,03 |  | | 根据要求 | | | 10160-104545X2000 | 10 | 45x45 | 2000 | 13,94 | 13,94 | 6,91 | 6,91 | 7,5 | 12 | 1,9 |  | | 根据要求 | | | 10160-104545X3000 | 10 | 45x45 | 3000 | 13,94 | 13,94 | 6,91 | 6,91 | 7,5 | 12 | 1,9 |  | | 根据要求 | | | 10160-104545X4000 | 10 | 45x45 | 4000 | 13,94 | 13,94 | 6,91 | 6,91 | 7,5 | 12 | 1,9 |  | | 根据要求 | | | 10160-104545X5000 | 10 | 45x45 | 5000 | 13,94 | 13,94 | 6,91 | 6,91 | 7,5 | 12 | 1,9 |  | | 根据要求 | | | 10160-104545X6000 | 10 | 45x45 | 6000 | 13,94 | 13,94 | 6,91 | 6,91 | 7,5 | 12 | 1,9 |  | | 根据要求 | |
是否未显示所需长度?
请立即联系我们的专业人员。 最大交货长度为 6000mm。
立即订购在此处。 |
|
|