|
|
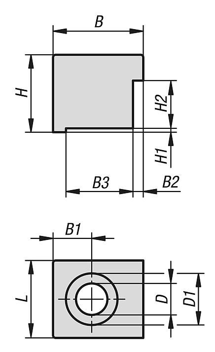
产品说明材料:铝制。规格:硬质涂层。提示:随供了 3 个圆柱头螺栓和配套垫圈。应用:将压板拧入带螺纹孔的配套底板中并定位。与 T 型槽螺母配合使用,也适用于机床工作台上的 T 型槽。供货范围圆柱头螺丝 M8X30、M10X30 和 M12X30 以及配套垫圈。特点: 下载此处为收集信息的 PDF:
查找 CAD 数据?请直接在产品列表中查找。
|
| 订货号 | B | B1 | B2 | B3 | D | D1 | H | H1 | H2 | L | 适用 系统宽度 | CAD | 配件 | 价格 | 订购 |
|---|
| 34000-10-05012 | 35 | 15 | 4 | 26 | 12,2 | 20 | 30 | 1,5 | 18,5 | 30 | 50 |  | | 根据要求 | |
|
|