norelem 使用 Cookies 以优化设计和持续改进网页。您通过继续使用网页,同意使用 Cookies。在我们的数据保护声明中可以找到有关 Cookies 主题的详细信息。同意

商品描述/产品说明

查看/筛选所有商品
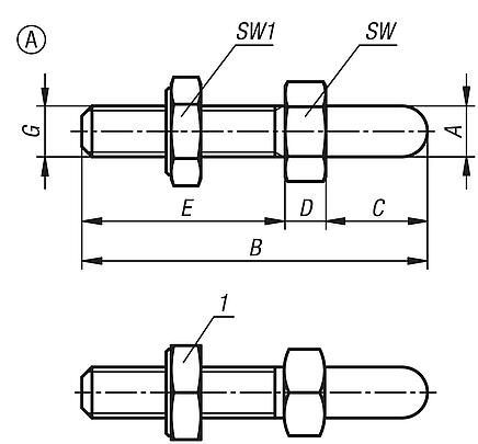
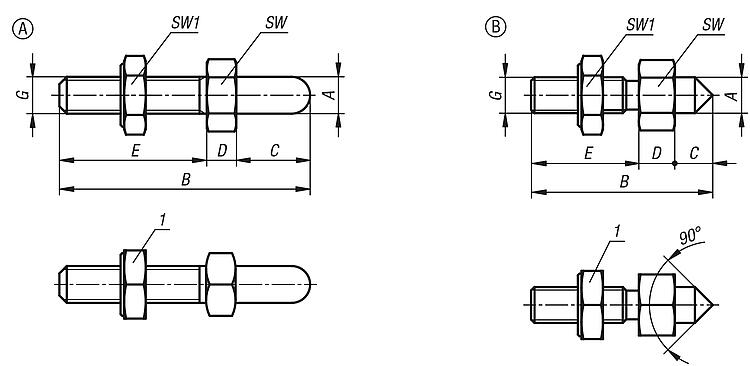
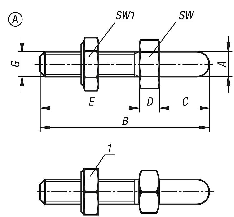
产品说明材料:不锈钢。规格:亮色。提示:A 型:
通过经倒圆处理的尖端,支撑螺栓还可以用作带孔或类似工件的定位元件。

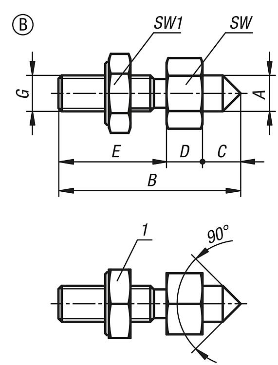
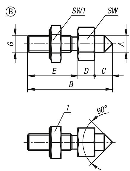
B 型:
通过尖端,支撑螺栓可用于对工件定心。
附件:底板 01042。
底座导轨 34000-15。
延长件 02035-01。
支持板 33263。
图纸提示:
1) 锁紧螺母

A 型:圆形
B 型:尖头
特点:
不锈钢
下载此处为收集信息的 PDF:

查找 CAD 数据?请直接在产品列表中查找。
 Datasheet 02037-01 不锈钢支撑螺栓 277 kB

图片(总概述)

不锈钢支撑螺栓

更多信息

图纸

商品选择/筛选

订货号类型安装面/
支承面
ABCD

EGSWSW1CAD配件价格订购
02037-01-10040015A圆形106315840M101719 根据要求

更多信息

图纸

商品选择/筛选

订货号类型安装面/
支承面
ABCD

EGSWSW1CAD配件价格订购
02037-01-10030010B尖形1050,610,61030M101719 根据要求
我的 norelemE-Mail密码
购物车
商品数量: 0
总数: 0.00  
点击购物车
欢迎扫描二维码
咨询诺瑞朗官方客服微信
中国
苏ICP备20011289号-1  苏公网安备32058502011222 网页地图 打印 推荐 Top
Copyright © 2025 norelem. 保留所有权利。 电话 +49 71 45/206-44 至 45 · 传真 +49 71 45/206-83