|
|
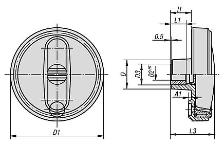
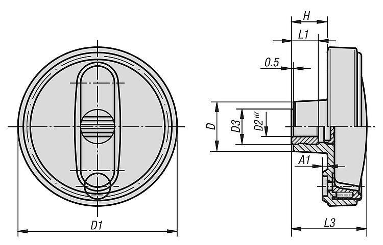
产品说明材料:热塑性塑料,黑灰色。规格:钢制部件经黑色氧化。提示:随附的套筒盖板并未安装。 手轮可通过十字销钉或者用一个圆柱头螺丝 DIN 6912 和一个垫圈 DIN 7349 轴向通过键槽连接固定在轴上面。特点: 下载此处为收集信息的 PDF:
查找 CAD 数据?请直接在产品列表中查找。
|
订货号 | 尺寸 | D
| D1 | D2 | D3 | A1 | H | L1 | L3 | CAD | 配件 | 价格 | 订购 |
|---|
| 06262-1080CO | 1 | 25 | 80 | 0,375 | 19 | 2,5 | 17,5 | 13 | 37,5 |  | | 根据要求 | | | 06262-2100CO | 2 | 28 | 100 | 0,375 | 19 | 3 | 20 | 13 | 44 |  | | 根据要求 | | | 06262-2100CP | 2 | 28 | 100 | 0,5 | 19 | 3 | 20 | 13 | 44 |  | | 根据要求 | | | 06262-3125CP | 3 | 35 | 125 | 0,5 | 25 | 4 | 23,5 | 18,5 | 53 |  | | 根据要求 | | | 06262-4160CP | 4 | 45 | 160 | 0,5 | 25 | 5,6 | 28 | 18,5 | 64,5 |  | | 根据要求 | | | 06262-4160CQ | 4 | 45 | 160 | 0,625 | 25 | 5,6 | 28 | 18,5 | 64,5 |  | | 根据要求 | |
|
|