|
|
|
06264 inch手轮,带折叠手柄 - inch |
返回 |
|
|
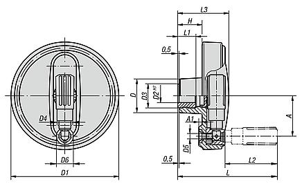
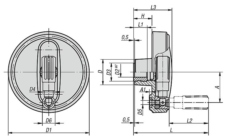
产品说明材料:热塑性塑料,黑灰色。规格:钢制部件经黑色氧化。提示:随附的套筒盖板并未安装。 手轮可通过十字销钉或者用一个圆柱头螺丝 DIN 6912 和一个垫圈 DIN 7349 轴向通过键槽连接固定在轴上面。特点: 下载此处为收集信息的 PDF:
查找 CAD 数据?请直接在产品列表中查找。
|
订货号 | 尺寸 | D
| D1 | D2 | D3 | D4 | D5 | D6 | A | A1 | H | L | L1 | L2 | L3 | CAD | 配件 | 价格 | 订购 |
|---|
| 06264-1080CO | 1 | 25 | 80 | 0,375 | 19 | 13 | M4 | 13 | 30 | 2,5 | 17,5 | 75 | 13 | 40 | 37,5 |  | | 根据要求 | | | 06264-2100CO | 2 | 28 | 100 | 0,375 | 19 | 16 | M5 | 16 | 38 | 3 | 20 | 90 | 13 | 49 | 44 |  | | 根据要求 | | | 06264-2100CP | 2 | 28 | 100 | 0,5 | 19 | 16 | M5 | 16 | 38 | 3 | 20 | 90 | 13 | 49 | 44 |  | | 根据要求 | | | 06264-3125CP | 3 | 35 | 125 | 0,5 | 25 | 20 | M6 | 20 | 47,5 | 4 | 23,5 | 109 | 18,5 | 59,5 | 53 |  | | 根据要求 | | | 06264-4160CP | 4 | 45 | 160 | 0,5 | 25 | 25 | M8 | 26 | 62 | 5,6 | 28 | 144 | 18,5 | 83,5 | 64,5 |  | | 根据要求 | | | 06264-4160CQ | 4 | 45 | 160 | 0,625 | 25 | 25 | M8 | 26 | 62 | 5,6 | 28 | 144 | 18,5 | 83,5 | 64,5 |  | | 根据要求 | |
|
|