norelem uses cookies to optimally design and continually improve the website. By continuing to use this website, you agree to the use of cookies. You can find more information about cookies in our Data protection declaration.okay
UNILOCK compensation clamping bolt 
system size 80 mm
42208-05

UNILOCK compensation clamping bolt system size 80 mm

go back

Item description/product images

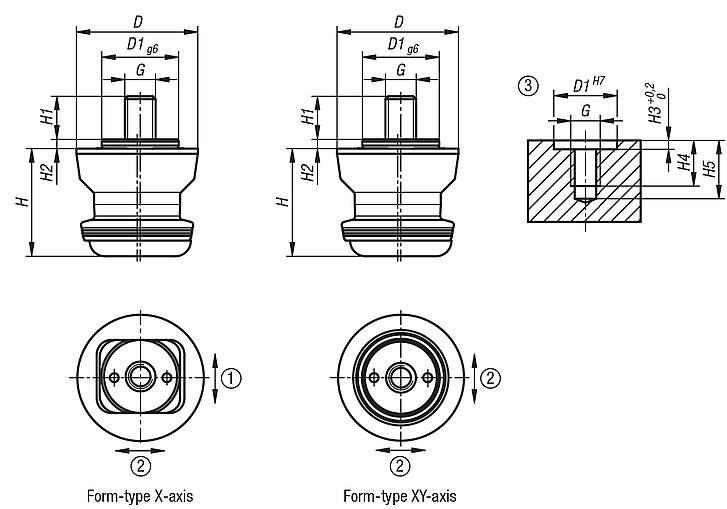
DescriptionMaterial:Non-rusting steel.Version:Contact faces ground.Note:The UNILOCK compensation clamping bolt is suitable for clamping and positioning workpieces and fixtures.
Clamping bolts are screwed onto the exchange element and adapted to the various basic modules.

With Form type X direction, a gauge size compensation of ± 1 mm can be made in one direction.
With Form type XY direction, a gauge size compensation of ± 1 mm can be made in all directions.

Retaining forces of up to 35,000 N can be achieved with the UNILOCK compensation clamping bolts in conjunction with the M10 fastening screws.

Further clamping bolts in the same system size can be found by 42208, 42209, 42210 and 42208 with threaded bolt.
Assembly:See mounting contour.Advantages:Gauge size compensation of ±1 mm in one/all directions possible.Supplied with1x UNILOCK compensation clamping bolt with fastening screw.Drawing reference:
1) Repeat accuracy <0.05 mm
2) ±1 mm gauge size compensation
3) Mounting contour
Special features:
RoHS
DownloadHere is all the information as a PDF datasheet:

Are you looking for CAD data? These can be found directly in the product table.
 Datasheet 42208-05 UNILOCK compensation clamping bolt system size 80 mm 201 kB

Drawings

UNILOCK compensation clamping bolt 
system size 80 mm

Item selection/filter

Order No.Form definitionFormD

D1GHH1H2H3H4H5CADAcc.PriceOrder
42208-05-1402503101X-axisA39,525M1035,1142,93,51823 on request
42208-05-1402503102XY-axisA39,525M1035,1142,93,51823 on request
My norelemE-mailPassword
Shopping cart
Number of items: 0
Amount: 0.00  
shopping cart
欢迎扫描二维码
咨询诺瑞朗官方客服微信
China
苏ICP备20011289号-1  苏公网安备32058502011222 Sitemap Print Recommended Top
Copyright © 2025 norelem. All rights reserved. Tel. +49 71 45/206-44 to 45 · Fax +49 71 45/206-83