|
|
|
42756UNILOCK 1x clamping stations |
go back |
|
Item description/product images |
|
|
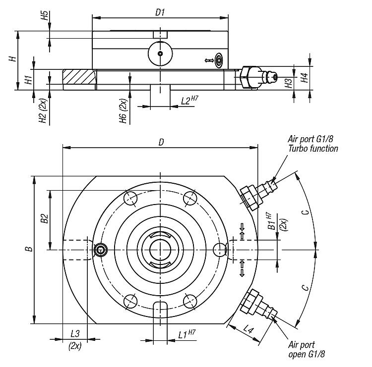
DescriptionMaterial:Baseplate steel. Clamping module case-hardening steel.Version:Baseplate ground and oxidised both sides. Clamping module contact faces hardened and ground.Note:Pre-assembled clamping stations with integrated UNILOCK ESM138-C clamping modules. The clamping stations are attached to the machine table using clamping brackets or direct fasteners. The clamping stations can be aligned using the reference bore 25H7 and reference slots 20H7. The clamping modules are actuated using a central pneumatic port. The high clamping forces are generated via the integrated spring package (the unit clamps while not under pressure). Clamping is released pneumatically.
The following clamping forces are possible with the UNILOCK clamping bolt in conjunction with M10, M12, M16 fastening screws: - Clamping force (M10) 35,000 N/module - Clamping force (M12) 50,000 N/module - Clamping force (M16) 75,000 N/module Clamping force with DIN EN ISO 4762 -12.9 cap screws
Clamping bolts may only be clamped in conjunction with a mounted interchangeable unit in the clamping module.Technical data:- Opening pressure: 6 bar, lubricated air. - Air port: G1/8. - Repeat accuracy ≤ 0.005 mm. - Reference bore 25H7 and reference slots 20H7 for aligning the clamping station.Temperature range:+5 °C to +60 °C.On request:Clamping station in special dimensions.Accessory:- UNILOCK clamping brackets for UNILOCK clamping stations 42751-20. - UNILOCK clamping bolts 42208. - UNILOCK interchangeable subplates for zero-point clamping system 42755. - UNILOCK protection bolts for clamping modules 42796. - UNILOCK covers for clamping modules 42796. - Port strips for UNILOCK clamping stations 42797.Supplied with- Clamping station. - Pneumatic plug-in port. - Operating instructions.Special features: DownloadHere is all the information as a PDF datasheet:
Are you looking for CAD data? These can be found directly in the product table.
|
| Order No. | Version 2 | Form definition | B | B1 | B2 | C (degrees) | D | D1 | H | H1 | H2 | CAD | Acc. | Price | Order |
|---|
| 42756-1000198150601 | 1x | with rotation lock | 150 | 20 | 60 | 30 | 198 | 138 | 60 | 21 | 6 |  | | on request | |
| Order No. | Version 2 | H3 | H4 | H5 | H6 | L1 | L2 | L3 | L4 | Retraction force kN | Retraction force with turbo kN | CAD | Acc. | Price | Order |
|---|
| 42756-1000198150601 | 1x | 13 | 25,4 | 8 | 6 | 14 | 20 | 25 | 37 | 8 | 28 |  | | on request | |
Other items in this category |
|
|