|
Item description/product images |
|
|
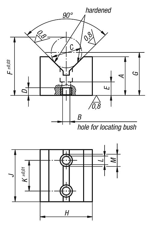
DescriptionMaterial:Carbon steel.Version:Black oxidised. Prism and contact faces ground.Special features: DownloadHere is all the information as a PDF datasheet:
Are you looking for CAD data? These can be found directly in the product table.
|
| Order No. | A | B Ø for locating bush | C min. | C max. | C Test-Ø | D | E | F | G | H | J | K | L | M | CAD | Acc. | Price | Order |
|---|
| 02388-05-60008032 | 32 | 12 H6 | 10 | 25 | 15±0,003 | 8,5 | 13 | 40,1 | C/2 x√ 2+22 | 25 | 45 | 25 | 9 | 14 |  | | on request | |
Other items in this category |
|
|