norelem uses cookies to optimally design and continually improve the website. By continuing to use this website, you agree to the use of cookies. You can find more information about cookies in our Data protection declaration.okay

Item description/product images

Show/filter all items
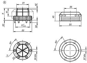
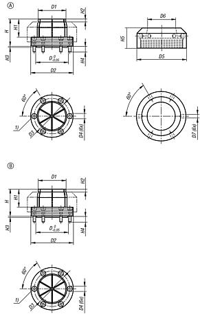
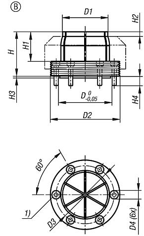
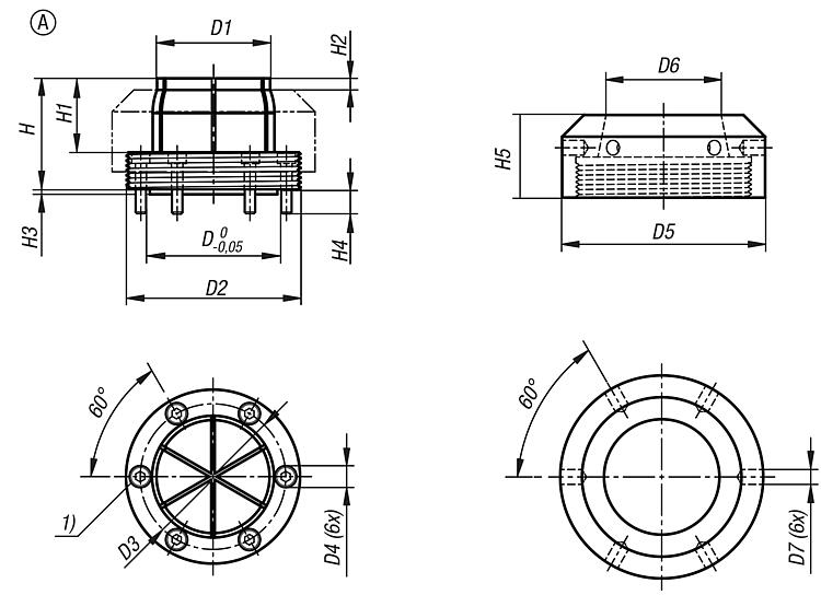
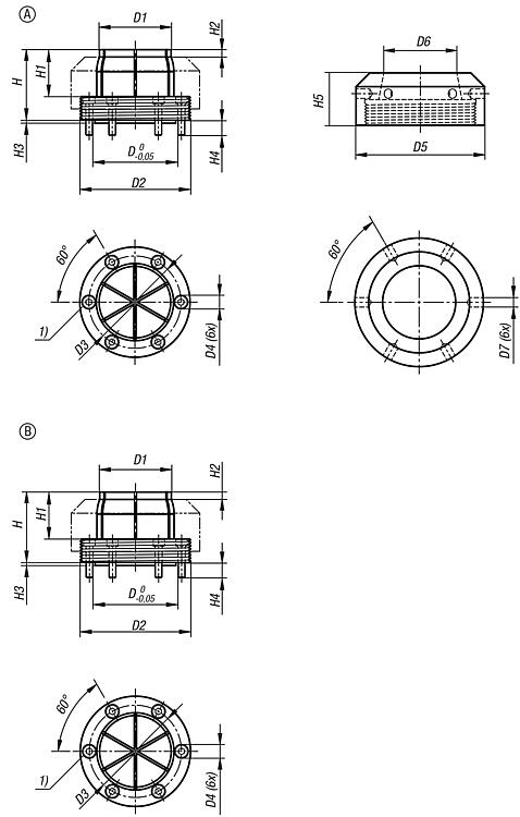
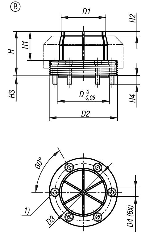
DescriptionMaterial:Clamp nut aluminium.
Collet steel.
Version:Clamp nut hard anodised.Note:The contour of the workpiece to be clamped is machined into the collet.

The collet must be pre-tensioned at a setting of 15° before the workpiece contour is machined in.

By using the engraved degree numbers, the same tightening torque can always be achieved for secure clamping of the workpiece, even without a torque wrench.

The radial clamping travel of the collet 03166-10-01910 is 0.025 mm per 15° rotation. The recommended clamping travel is 0.07 mm. The maximum permissible clamping travel is 0.38 mm.
The radial clamping travel of the collet 03166-10-04950 is 0.05 mm per 15° rotation. The recommended clamping travel is 0.1 mm. The maximum permissible clamping travel is 0.64 mm.

The positioning collar enables a precise seat.

Workpiece repeat accuracy: ± 0.02 mm.
Type of operation:The clamp nut is tightened using a hook wrench.Technical data:See Downloads, Technical Information.Supplied withForm A: Machinable collet consiting of clamp nut and collet.

Form B: Collet.

Including cap screws for fastening the collet. (metric and inch)
Drawing reference:
1) cap screw
Special features:
RoHS
DownloadHere is all the information as a PDF datasheet:

Are you looking for CAD data? These can be found directly in the product table.
 Datasheet 03166-10 Machinable collet for external clamping 380 kB
 Technical note for mold clamping systems 61,3 kB

Drawings (total overview)

Machinable collet for external clamping

Machinable collet for external clamping, form A

More information

Drawings

Machinable collet for external clamping, form A

Item selection/filter

Machinable collet for external clamping, form B

More information

Drawings

Machinable collet for external clamping, form B

Item selection/filter

My norelemE-mailPassword
Shopping cart
Number of items: 0
Amount: 0.00  
shopping cart
欢迎扫描二维码
咨询诺瑞朗官方客服微信
China
苏ICP备20011289号-1  苏公网安备32058502011222 Sitemap Print Recommended Top
Copyright © 2025 norelem. All rights reserved. Tel. +49 71 45/206-44 to 45 · Fax +49 71 45/206-83