norelem uses cookies to optimally design and continually improve the website. By continuing to use this website, you agree to the use of cookies. You can find more information about cookies in our Data protection declaration.okay

Item description/product images

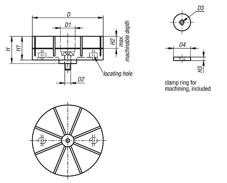
DescriptionMaterial:High-strength aluminium alloyVersion:blue anodised.Note:Collets for clamping external contours.
The contour of the workpiece to be held is inserted into the collet. Free-form and asymmetrical contours can be held.
The collet mechanism enables a secure clamping of the workpiece.
Clamping travel per collet segment (8x) max. 0.15 mm.
Workpiece repeat accuracy: ±0.03.
Collet repeat accuracy: ±0.02.
Matching adaptor 03167.
Special features:
RoHS
DownloadHere is all the information as a PDF datasheet:

Are you looking for CAD data? These can be found directly in the product table.
 Datasheet 03168 Collet for external clamping 290 kB
 Technical information for collets 1,6 MB

Drawings

Collet for external clamping
Collet for external clamping

Item selection/filter

Order No.D

D1D2D3D4HH1H2H3CADAcc.PriceOrder
03168-10656521M8M5202925104 on request
03168-10909025M10M6244035155 on request
03168-112012025M10M6244640205 on request
03168-116016029M12M8285245256 on request
My norelemE-mailPassword
Shopping cart
Number of items: 0
Amount: 0.00  
shopping cart
欢迎扫描二维码
咨询诺瑞朗官方客服微信
China
苏ICP备20011289号-1  苏公网安备32058502011222 Sitemap Print Recommended Top
Copyright © 2025 norelem. All rights reserved. Tel. +49 71 45/206-44 to 45 · Fax +49 71 45/206-83