norelem uses cookies to optimally design and continually improve the website. By continuing to use this website, you agree to the use of cookies. You can find more information about cookies in our Data protection declaration.okay
Tension levers flat, internal thread, stainless steel
06391

Tension levers flat, internal thread, stainless steel

go back

Item description/product images

DescriptionMaterial:

Steel parts stainless steel 1.4305.
Ball knob black plastic.

Version:Steel parts bright.On request:Other threads and special versions.
Dimensions “H1” and “A” available in other lengths at extra charge.
Special features:
Stainless steelRoHS
DownloadHere is all the information as a PDF datasheet:

Are you looking for CAD data? These can be found directly in the product table.
 Datasheet 06391 Tension levers flat internal thread, stainless steel 230 kB

Drawings (total overview)

Tension levers flat, internal thread, stainless steel

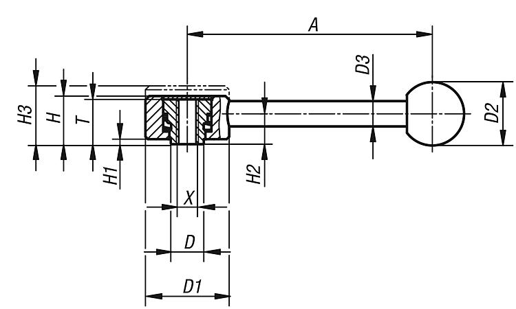
Tension levers flat internal thread, stainless steel, 0°

More information

Drawings

Tension levers flat internal thread, stainless steel, 0°

Item selection/filter

Order No.FormXTA=Handle lengthDD1D2D3HH1H2H3No. of
teeth
CADAcc.PriceOrder
06391-1081M81810213,5332510192122326 on request
06391-2101M10211311941301222213,52630 on request
06391-2121M12211311941301222213,52630 on request
06391-3161M162714823453714282173336 on request

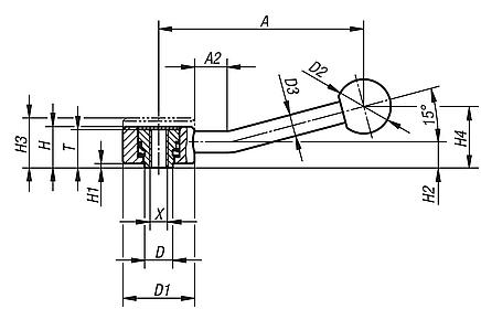
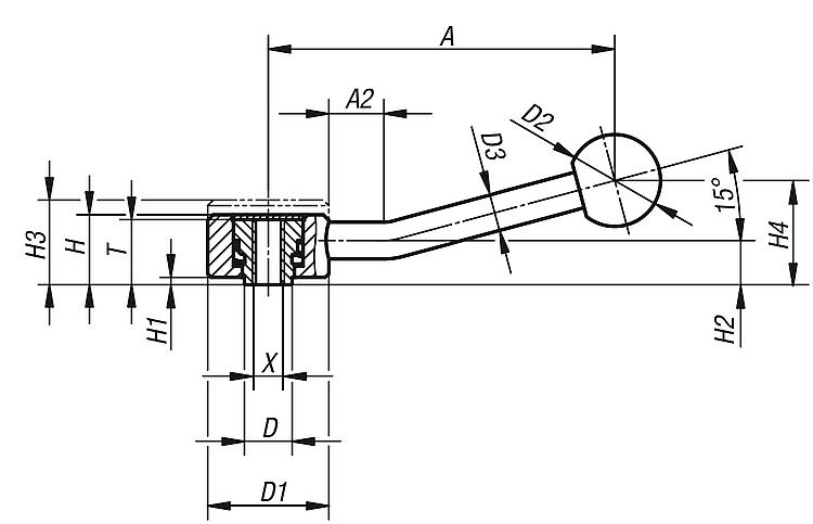
Tension levers flat internal thread, stainless steel, 15°

More information

Drawings

Tension levers flat internal thread, stainless steel, 15°

Item selection/filter

Order No.FormXTA=Handle lengthA2DD1D2D3HH1H2H3H4No. of
teeth
CADAcc.PriceOrder
06391-108215°M8181001513,533251019212232926 on request
06391-210215°M1021127151941301222213,5263830 on request
06391-212215°M1221127151941301222213,5263830 on request
06391-316215°M1627145152345371428217334836 on request
My norelemE-mailPassword
Shopping cart
Number of items: 0
Amount: 0.00  
shopping cart
欢迎扫描二维码
咨询诺瑞朗官方客服微信
China
苏ICP备20011289号-1  苏公网安备32058502011222 Sitemap Print Recommended Top
Copyright © 2025 norelem. All rights reserved. Tel. +49 71 45/206-44 to 45 · Fax +49 71 45/206-83