norelem uses cookies to optimally design and continually improve the website. By continuing to use this website, you agree to the use of cookies. You can find more information about cookies in our Data protection declaration.okay
Pull handles, steel, round, grip with plastic sleeve
06919

Pull handles, steel, round, grip with plastic sleeve

go back

Item description/product images

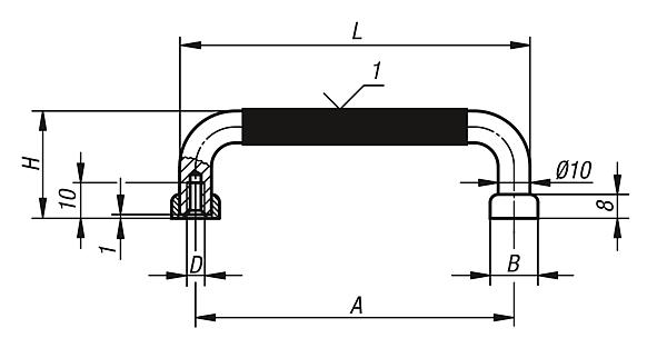
DescriptionMaterial:Round steelVersion:Surface very finely ground and matt-polish chrome-plated.
Grip plastic coated.
Note:High quality handles for front panels and similar applications.Assembly:From the rear.Drawing reference:
1) plastic coating
Special features:
RoHS
DownloadHere is all the information as a PDF datasheet:

Are you looking for CAD data? These can be found directly in the product table.
 Datasheet 06919 Pull handles, steel, round, grip with plastic sleeve 116 kB

Drawings

Pull handles, steel, round, grip with plastic sleeve

Item selection/filter

Order No.

ABDHLLoad
capacity
N
CADAcc.PriceOrder
06919-055055514M541651000 on request
06919-088058814M541981000 on request
06919-1000510014M5411101000 on request
06919-1020510214M5411121000 on request
06919-1150511514M5411251000 on request
06919-1200512014M5411301000 on request
06919-1360513614M5411461000 on request
06919-1800518014M5411901000 on request
06919-2000520014M5412101000 on request
06919-2350523514M5412451000 on request
06919-2500525014M5412601000 on request
My norelemE-mailPassword
Shopping cart
Number of items: 0
Amount: 0.00  
shopping cart
欢迎扫描二维码
咨询诺瑞朗官方客服微信
China
苏ICP备20011289号-1  苏公网安备32058502011222 Sitemap Print Recommended Top
Copyright © 2025 norelem. All rights reserved. Tel. +49 71 45/206-44 to 45 · Fax +49 71 45/206-83