|
|
|
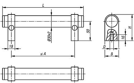
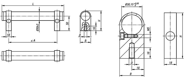
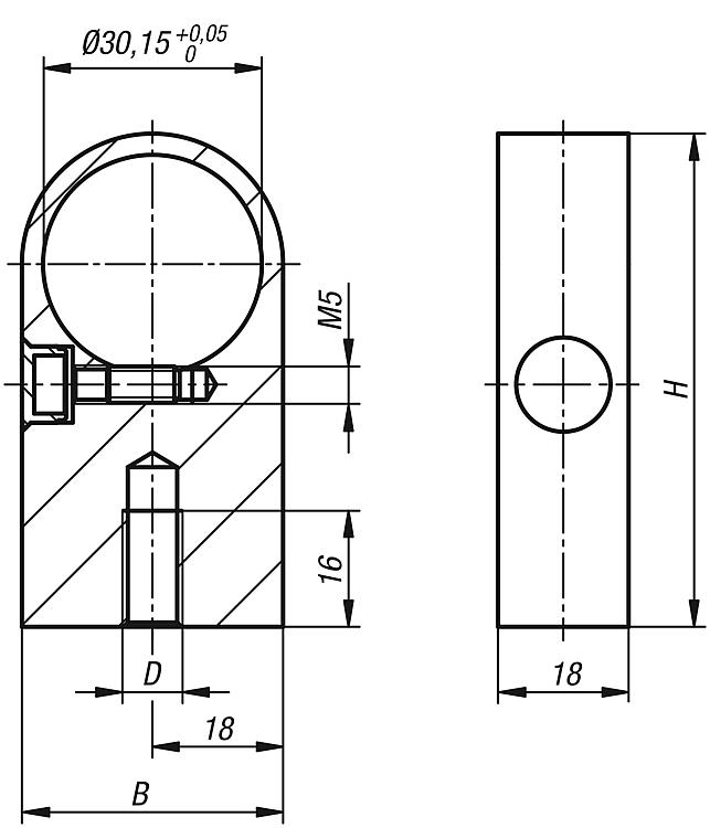
06947Tubular handles, aluminium, adjustable |
go back |
|
|
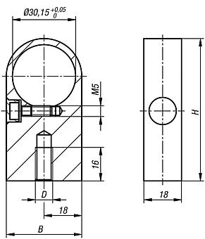
DescriptionMaterial:Grip tube EN AW-6060. Mounting bracket EN AW-6063. End caps thermoplastic. Grub screw ISO 4766-14H.Version:Grip tube anodised natural tone. Mounting brackets anodised natural tone or black. Grip end piece, black. Bracket end cap light grey or black.Note:The adjustable tubular handles are supplied unassembled. The centre distance for the tubular handles can be freely determined. The recommended maximum centre distance can be found in the table under A max. Additional mounting brackets can be included for long handle lengths or high loads. The mounting brackets are supplied unassembled. Special features: DownloadHere is all the information as a PDF datasheet:
Are you looking for CAD data? These can be found directly in the product table.
|
Drawings (total overview) |
|
| Order No. | Main colour | B | D | H | CAD | Acc. | Price | Order |
|---|
| 06947-08301 | natural anodised | 36 | M8 | 68 |  | | on request | | | 06947-08302 | black anodised | 36 | M8 | 68 |  | | on request | |
|
Other items in this category |
|
|