norelem uses cookies to optimally design and continually improve the website. By continuing to use this website, you agree to the use of cookies. You can find more information about cookies in our Data protection declaration.okay
Drilling jigs size 0 to 3 S DIN 6348 enhanced
08550

Drilling jigs size 0 to 3 S DIN 6348 enhanced

go back

Item description/product images

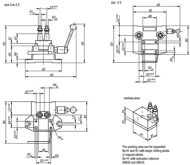
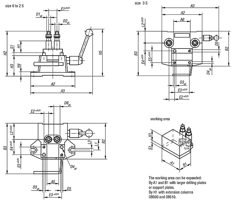
DescriptionNote:Accessories, see 08570 - 08610 and 08640 - 08710.
Force table, see technical information for DIN 6348 drilling jigs.
Special features:
RoHS
DownloadHere is all the information as a PDF datasheet:

Are you looking for CAD data? These can be found directly in the product table.
 Datasheet 08550 Drilling jigs size 0 to 3 S DIN 6348 enhanced 213 kB
 Technical information for DIN 6348 drilling jigs 99,6 kB

Drawings

Drilling jigs size 0 to 3 S DIN 6348 enhanced

Overview of items (compressed)

Item selection/filter
Order No.SizeSize
DIN 6348
A1A2A3A5A6B1B2B3D1

D2D3D4D5D8CADAcc.PriceOrder
Order No.

E1E2E3E4E5H1
min.
H1
max.
H2
min.
H2
max.
H3H4H5L1L2L3S1Travel
at
210°
CADAcc.PriceOrder
My norelemE-mailPassword
Shopping cart
Number of items: 0
Amount: 0.00  
shopping cart
欢迎扫描二维码
咨询诺瑞朗官方客服微信
China
苏ICP备20011289号-1  苏公网安备32058502011222 Sitemap Print Recommended Top
Copyright © 2025 norelem. All rights reserved. Tel. +49 71 45/206-44 to 45 · Fax +49 71 45/206-83