norelem uses cookies to optimally design and continually improve the website. By continuing to use this website, you agree to the use of cookies. You can find more information about cookies in our Data protection declaration.okay
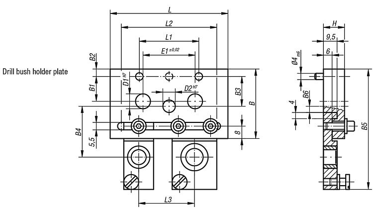
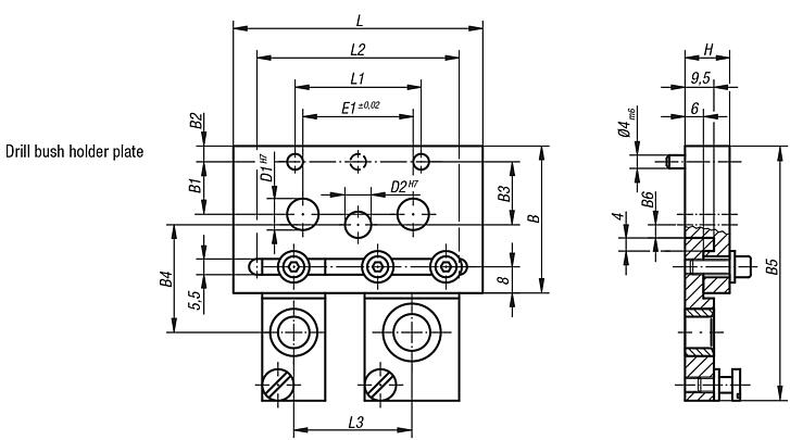
Drill bush holder plates for drilling jig for cylindrical parts
08650

Drill bush holder plates for drilling jig for cylindrical parts

go back

Item description/product images

Show/filter all items
DescriptionMaterial:Steel 1.0036Version:Bright.Note:The drill bush holders suitable for the drill bush holder plates must also be ordered.

* Basic bush for push-in drill bushes.
Special features:
RoHS
DownloadHere is all the information as a PDF datasheet:

Are you looking for CAD data? These can be found directly in the product table.
 Datasheet 08650 Drill bush holder plates for drilling jig for cylindrical parts 214 kB

Drawings (total overview)

Drill bush holder plates for drilling jig for cylindrical parts

Drill bush support plates

More information

Drawings

Drill bush support plates

Item selection/filter

Order No.ItemSuitable for
cylinder jig
size
D1D2E1LL1L2BB1B2B3B4B5 with
bush holder
size 1 and 2
B5 with
bush holder
size 3 to 8
B6HStatusCADAcc.PriceOrder
08650-02Drill bush holder plate216165012080100683043047871031719expiring on request

Drill bush supports

More information

Drawings

Drill bush supports

Item selection/filter

Order No.ItemSizeD
applicable
drill bush
D
applicable
bush from
D
applicable
for bush to
D3LL1BB1B2HStatusCADAcc.PriceOrder
08650-10Drill bush holder1-0,43,3336-8--10expiring on request
08650-13Drill bush holder3-6,110452-20--10expiring on request
08650-14Drill bush holder4-10,115452-3020-10expiring on request
08650-15Drill bush holder58*---52520-510expiring on request
08650-16Drill bush holder610*---52520-512expiring on request
08650-17Drill bush holder712*---5253020512expiring on request
08650-18Drill bush holder815*---5253020512expiring on request
My norelemE-mailPassword
Shopping cart
Number of items: 0
Amount: 0.00  
shopping cart
欢迎扫描二维码
咨询诺瑞朗官方客服微信
China
苏ICP备20011289号-1  苏公网安备32058502011222 Sitemap Print Recommended Top
Copyright © 2025 norelem. All rights reserved. Tel. +49 71 45/206-44 to 45 · Fax +49 71 45/206-83