norelem uses cookies to optimally design and continually improve the website. By continuing to use this website, you agree to the use of cookies. You can find more information about cookies in our Data protection declaration.okay

Item description/product images

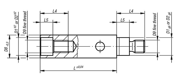
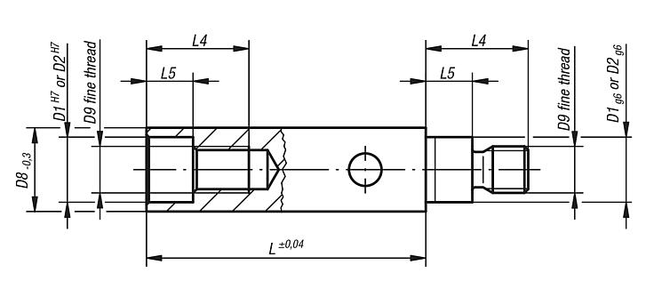
DescriptionMaterial:Hardened steel 1.7139Version:Hardened, black oxidised.Special features:
RoHS
DownloadHere is all the information as a PDF datasheet:

Are you looking for CAD data? These can be found directly in the product table.
 Datasheet 08610 Extension columns long 148 kB

Drawings

Extension columns long

Item selection/filter

Order No.Suitable for
jig size
D1D2D8D9LL4L5CADAcc.PriceOrder
08610-022 + 2S161625M14x1,51202812 on request
08610-033 + 3S + 4201830M14x1,51203214,5 on request
08610-055242240M20x1,51204318 on request
08610-066262440M20x1,51204622 on request
My norelemE-mailPassword
Shopping cart
Number of items: 0
Amount: 0.00  
shopping cart
欢迎扫描二维码
咨询诺瑞朗官方客服微信
China
苏ICP备20011289号-1  苏公网安备32058502011222 Sitemap Print Recommended Top
Copyright © 2025 norelem. All rights reserved. Tel. +49 71 45/206-44 to 45 · Fax +49 71 45/206-83